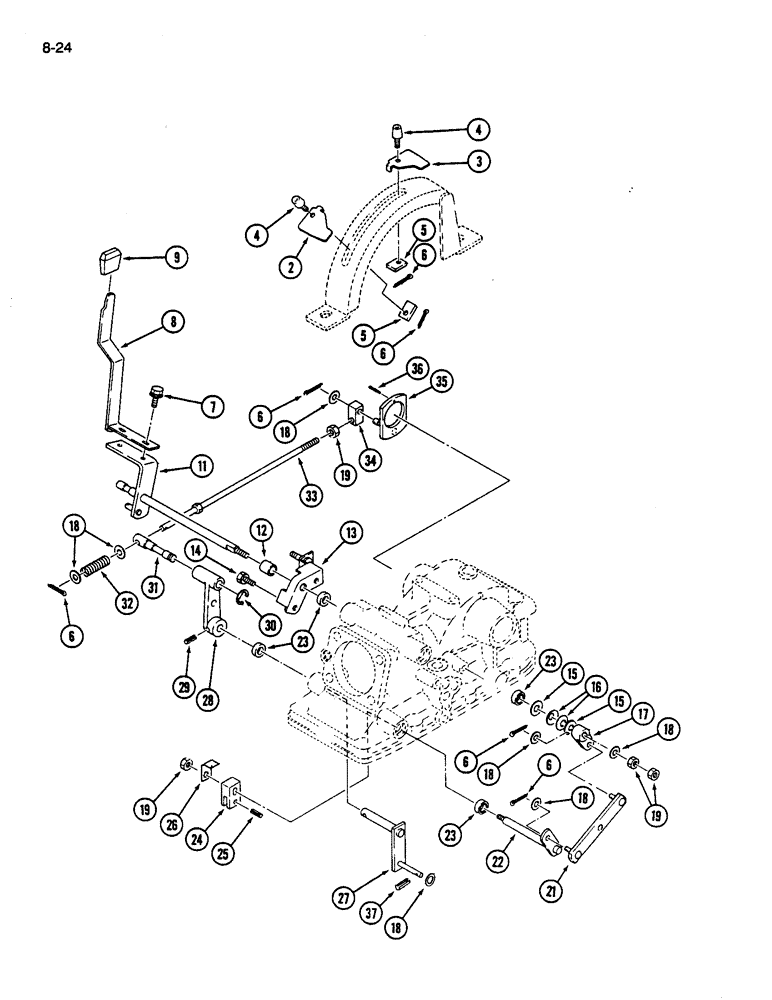
Запчасти Case IH 245 (8-24) - HITCH SYSTEM, POSITION CONTROL LINKAGE WITHOUT DRAFT CONTROL (08) - HYDRAULICS

Схема запчастей Case IH 245 - (8-24) - HITCH SYSTEM, POSITION CONTROL LINKAGE WITHOUT DRAFT CONTROL (08) - HYDRAULICS
18
6
18
4
3
6
19
22
8
17
16
31
6
23
5
15
6
11
4
2
13
33
12
32
19
14
21
6
18
5
27
18
6
34
26
30
15
29
23
7
19
9
23
36
35
37
25
18
28
18
24
FIT
1:1
100%

Артикул

Название

Примечание

Количество

2

1273512C1

STOP

- control handle, front

1шт.

3

1273513C1

STOP

- control handle, rear

1шт.

4

1273361C1

KNOB

- stop

2шт.

5

1273362C1

BAR

PLATE - locking

2шт.

6

30450R1

COTTER PIN,M2.5 x 16

PIN - cotter, 3 x 16 mm (replaces 632-602)

6шт.

7

814-8016

BOLT,Hex, M8 x 1.25 x 16mm, Cl 8.8, Full Thd

- hex, M8 x 16 mm

2шт.

892-11008

LOCK WASHER,8mm ID

WASHER, LOCK, M8

2шт.

895-11008

WASHER,9mm ID x 16mm OD x 1.6mm Thk

- flat, 9 x 17 x 2 mm

2шт.

8

99232C1

LEVER

- control

1шт.

9

1273379C1

KNOB

- control lever

1шт.

11

1273364C1

LEVER

- control

1шт.

12

1273365C1

SPACER

- lever

1шт.

13

1273366C1

BRACKET

- lever

1шт.

14

614-8020

BOLT,Hex, M8 x 1.25 x 20mm

- hex, M8 x 20 mm

2шт.

892-11008

LOCK WASHER,8mm ID

WASHER, LOCK, M8

2шт.

15

895-11012

WASHER,13.5mm ID x 24mm OD x 2.5mm Thk

2шт.

16

1269855C1

WASHER

- spring (Replaces 99100C1)

2шт.

17

1273367C1

ARM

- link lever

1шт.

18

895-11008

WASHER,9mm ID x 16mm OD x 1.6mm Thk

- flat, 9 x 17 x 2 mm

7шт.

19

825-1108

NUT,Hex, M8, Cl 8

- hex, M8

4шт.

21

1273368C2

DRAG LINK

LINK - lever

1шт.

22

1273369C1

SHAFT HOUSING

SHAFT - link lever

1шт.

23

1273178C1

OIL SEAL

SEAL - oil

4шт.

24

1273370C1

YOKE

- valve

1шт.

25

31125R1

LOCK PIN,M8 x 16, Slotted

PIN - slotted spring, 8 x 16 mm

1шт.

26

1273340C1

SUPPORT ASSY.

PLATE - locking

1шт.

27

1273372C1

LEVER

- feed back

1шт.

28

1273373C1

ARM

- feed back

1шт.

29

31118R1

LOCK PIN,M5 x 28, Slotted

PIN - slotted spring, 5 x 28 mm

1шт.

30

1271817C1

CIRCLIP,M9

RING - retaining, E type

1шт.

31

1273374C1

AXLE PIN

PIN - pivot

1шт.

32

1273375C1

VALVE SPRING

SPRING - linkage (replaces 1273375C1)

1шт.

33

1273376C1

ROD

- control linkage (replaces 1273376C1)

1шт.

34

1273377C1

BAR

BLOCK - pivot

1шт.

35

1273378C1

ARM

- pivot

1шт.

36

31115R1

LOCK PIN,M4 x 16, Slotted

PIN - slotted spring,4 x 16 mm

1шт.

37

30790R1

LOCK PIN,M3 x 20, Slotted

PIN - slotted spring, 3 x 20 mm

1шт.

Выбрано товаров: 37