Запчасти Case IH 255 (5-16) - FRONT AXLE HOUSING, AXLE SHAFT AND GEARS, MFD TRACTOR (CONTD) (05) - STEERING

Схема запчастей Case IH 255 - (5-16) - FRONT AXLE HOUSING, AXLE SHAFT AND GEARS, MFD TRACTOR (CONTD) (05) - STEERING
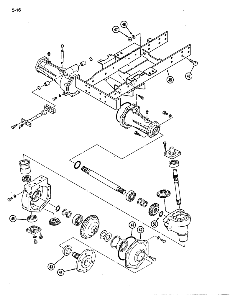
45
49
48
50
47
43
42
44
41
46
FIT
1:1
100%

Артикул

Название

Примечание

Количество

41

1269888C1

O-RING

O-RING - 145 mm ID

2шт.

42

1273205C1

COVER ASSY

COVER - housing

2шт.

43

1273188C1

OIL SEAL

SEAL - oil

2шт.

44

1273204C1

SHAFT HOUSING

SHAFT - wheel

2шт.

45

99228C1

FRAME

- front

1шт.

46

514-834

BOLT,Hex, M12 x 1.25 x 30mm, Cl 8.8, Full Thd

- hex, M12 x 30 mm

12шт.

896-11012

WASHER,13.5mm ID x 24mm OD x 3mm Thk

12шт.

47

525-5105

NUT,M14 x 1.5, Cl 8

- hex, M14

2шт.

48

892-11014

LOCK WASHER,14.5mm ID x 24.1mm OD x 4.5mm Thk

WASHER - lock, 14 mm

2шт.

49

1288022C91

BEARING, BALL

BEARING ASSEMBLY - ball

2шт.

50

933523R1

SNAP RING,M22, Ext

RING - retaining, external, 22 mm ID

2шт.

51

1991605C1

SHIM KIT

1шт.

Выбрано товаров: 0