Запчасти Case IH 255 (8-08) - HYDRAULIC PUMP AND LINES, SYNCHROMESH TRANSMISSION (CONTD) (08) - HYDRAULICS

Схема запчастей Case IH 255 - (8-08) - HYDRAULIC PUMP AND LINES, SYNCHROMESH TRANSMISSION (CONTD) (08) - HYDRAULICS
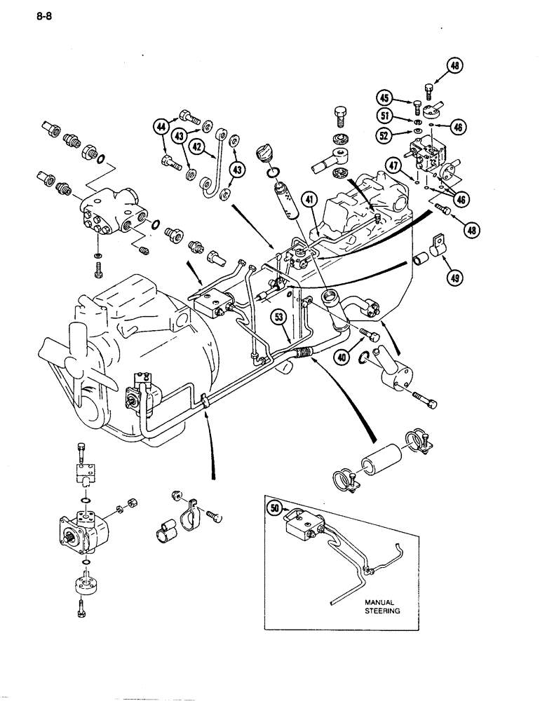
41
46
43
42
52
48
40
45
49
48
51
44
53
46
50
43
47
FIT
1:1
100%

Артикул

Название

Примечание

Количество

40

814-8016

BOLT,Hex, M8 x 1.25 x 16mm, Cl 8.8, Full Thd

- hex, M8 x 16 mm

1шт.

892-11008

LOCK WASHER,8mm ID

WASHER, LOCK, M8

1шт.

41

1282722C1

TUBE,12 mm OD, 259.5, 70 mm Length

ASSEMBLY - valve to housing

1шт.

42

1282723C1

TUBE,8 mm OD, 122, 20 mm Length

ASSEMBLY - hydraulic

1шт.

43

1282724C1

GASKET

- tube

4шт.

44

1282725C1

BOLT,Hex, M10 x 1.25 x 20mm, Drilled

BOLT - special

2шт.

45

814-8060

BOLT,Hex, M8 x 1.25 x 60mm, Cl 8.8

3шт.

46

1273793C1

O-RING

O-RING - 16 mm ID (Replaces 1288101C1)

4шт.

47

1269872C1

O-RING

- 20 mm ID

1шт.

48

814-6030

BOLT,Hex, M6 x 1 x 30mm, Cl 8.8

8шт.

892-11006

LOCK WASHER,M6

WASHER, LOCK, M6

8шт.

49

1273693C1

CLAMP

- tube

1шт.

50

1962670C1

TUBE

- return (With manual steering)

1шт.

51

892-11008

LOCK WASHER,8mm ID

WASHER, LOCK, M8

3шт.

52

895-11008

WASHER,9mm ID x 16mm OD x 1.6mm Thk

- flat, 9 x 17 x 2 mm

3шт.

53

99252C2

PIPE CLAMP

TUBE - drain

1шт.

1273407C1

SEAL KIT

SEAL KIT - hydraulic pump

1шт.

Выбрано товаров: 17