Запчасти Case IH 265 (9-16) - INSTRUMENT PANEL SHROUD (09) - CHASSIS/ATTACHMENTS

Схема запчастей Case IH 265 - (9-16) - INSTRUMENT PANEL SHROUD (09) - CHASSIS/ATTACHMENTS
5
26
2
5
23
1
29
5
17
22
25
15
13
24
16
9
20
28
18
10
26
19
29
7
21
12
5
6
FIT
1:1
100%

Артикул

Название

Примечание

Количество

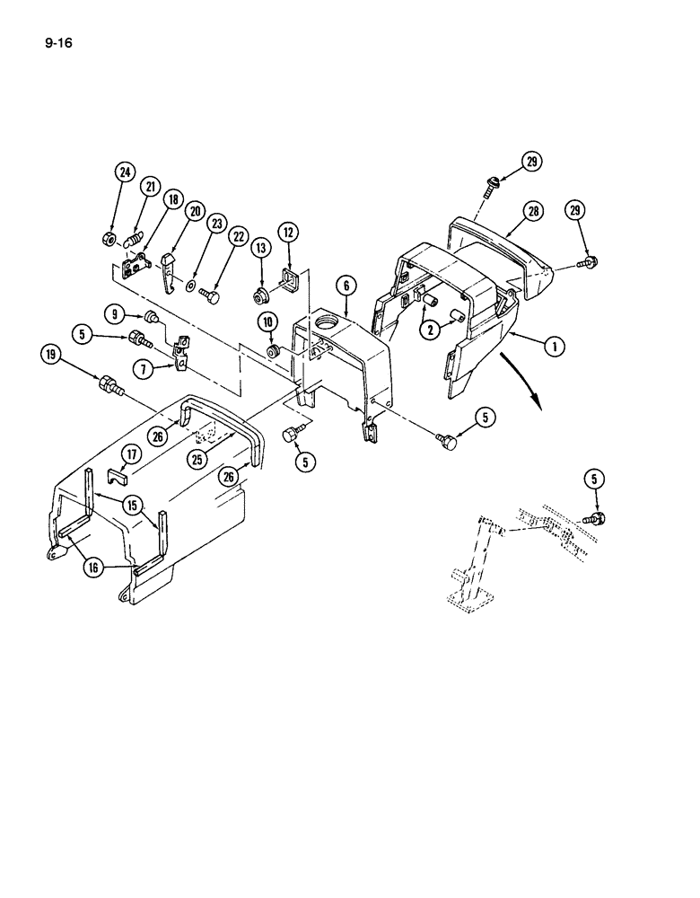
1

1963471C1

COVER

SHROUD - instrument panel lower

1шт.

2

1269754C1

SPACER

- instrument shroud

2шт.

5

814-8016

BOLT,Hex, M8 x 1.25 x 16mm, Cl 8.8, Full Thd

- hex, M8 x 16 mm

12шт.

934309R1

LOCK WASHER,M8

WASHER - lock, 8 mm

12шт.

934675R1

WASHER,M8 x 16 x 1.6

- flat, 9 x 17 x 2 mm

12шт.

6

1963472C1

COVER

- fuel tank

1шт.

7

1963475C1

COVER

BRACKET - fuel tank cover

1шт.

9

1269745C1

PLUG

- bracket

1шт.

10

50202H

GROMMET

- 11/32 ID x 5/8 OD x 1/4 inch thick

1шт.

12

1963330C1

PLATE

BRACKET - mounting, fuel tank cover

1шт.

13

825-1106

NUT,Hex, M6, Cl 8

- hex, M6, Grade 10

2шт.

933833R1

LOCK WASHER,M6

2шт.

446179

WASHER,#12

- flat, 6 x 12 x 2 mm

2шт.

15

99256C1

SEAL

- front hood, side, foam

2шт.

16

99219C1

SEAL ASSY.

SEAL - front hood, side, foam

2шт.

17

99258C1

CUSHION ASSY.

SEAL - front hood, upper, foam

1шт.

18

1269742C1

SUPPORT ASSY.

SUPPORT - hood latch

1шт.

19

614-6016

BOLT,Hex, M6 x 1 x 16mm, Cl 8.8, Full Thd

2шт.

933833R1

LOCK WASHER,M6

2шт.

446179

WASHER,#12

- flat, 6 x 12 x 2 mm

2шт.

20

1269741C1

LATCH ASSY.

LATCH - hood

1шт.

21

1269743C1

VALVE SPRING

SPRING - hood latch

1шт.

22

614-6016

BOLT,Hex, M6 x 1 x 16mm, Cl 8.8, Full Thd

1шт.

23

446179

WASHER,#12

- flat, 6 x 12 x 2 mm

1шт.

24

825-1106

NUT,Hex, M6, Cl 8

- hex, M6, Grade 10

1шт.

933833R1

LOCK WASHER,M6

1шт.

25

NSS

NOT SOLD SEPARAT

SEAL - rear hood, top, foam, 295 mm long (Order 73213C2 and, Serial Range: cut-length)

1шт.

26

NSS

NOT SOLD SEPARAT

SEAL - rear hood, side, foam, 170 mm long (Order 73213C1 and, Serial Range: cut-length)

2шт.

28

1962582C1

PANEL ASSY.

SHROUD - instrument panel, upper

1шт.

29

31144R1

SCREW,Cross Pan Hd, M6 x 30

- pan head, cross recess, M6 x 30 mm

5шт.

933833R1

LOCK WASHER,M6

5шт.

446179

WASHER,#12

- flat, 6 x 12 x 2 mm

5шт.

Выбрано товаров: 32