Запчасти Case IH 265 (4-04) - WIRING HARNESS AND BATTERY (04) - ELECTRICAL SYSTEMS

Схема запчастей Case IH 265 - (4-04) - WIRING HARNESS AND BATTERY (04) - ELECTRICAL SYSTEMS
88
84
83
48
81
68
45
91
66
71
60
90
64
89
46
72
65
85
87
44
86
82
61
63
49
92
70
72
62
FIT
1:1
100%

Артикул

Название

Примечание

Количество

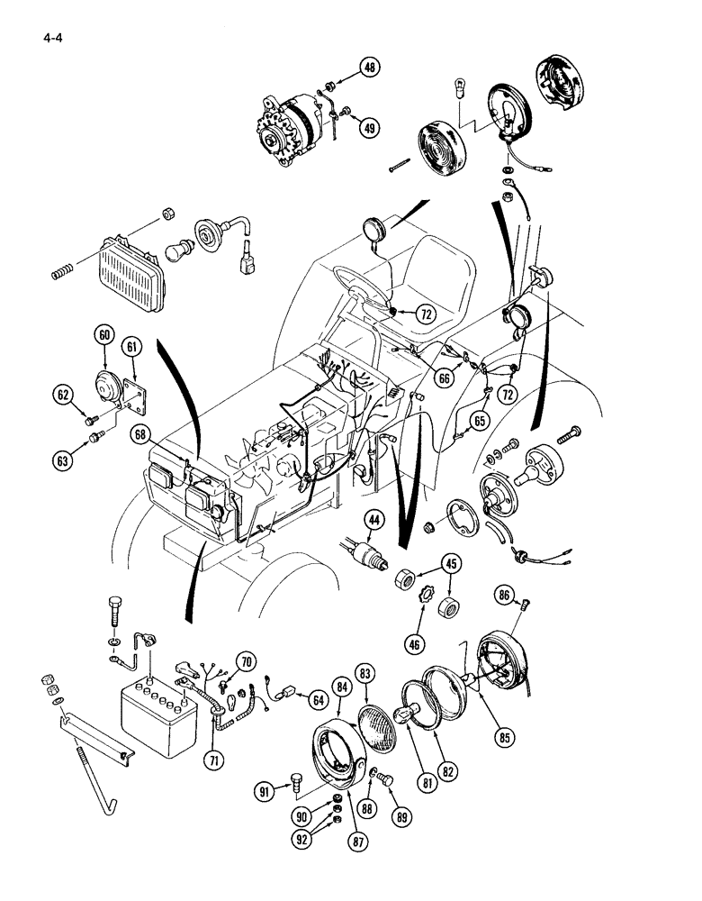
Continued from figure 4-2

1шт.

44

1271754C1

IGNITION SWITCH

SWITCH ASSEMBLY - safety, Includes: Ref. 45 and 46

2шт.

45

NSS

NOT SOLD SEPARAT

NUT - M16 x 1.5

3шт.

46

NSS

NOT SOLD SEPARAT

WASHER - safety switch

2шт.

48

934871R1

NUT,M5, Cl 5

- flange, M5

1шт.

49

814-5012

BOLT,Hex, M5 x 0.8 x 12mm, Cl 8.8, Full Thd

- hex, M5 x 12 mm

1шт.

892-1105

LOCK WASHER,M5

WASHER - lock, 5 mm

1шт.

60

1271721C1

HORN

- tractor

1шт.

61

1963335C1

BRACKET

- horn mounting

1шт.

62

614-6016

BOLT,Hex, M6 x 1 x 16mm, Cl 8.8, Full Thd

2шт.

933833R1

LOCK WASHER,M6

2шт.

446179

WASHER,#12

- flat, 6 x 12 x 2 mm

2шт.

63

614-8016

BOLT,Hex, M8 x 1.25 x 16mm, Cl 8.8, Full Thd

- hex, M8 x 16 mm

1шт.

934309R1

LOCK WASHER,M8

WASHER - lock, 8 mm

1шт.

934675R1

WASHER,M8 x 16 x 1.6

- flat, 8 mm

1шт.

64

1962562C1

CONNECTOR, ELEC

CONNECTOR - fusible link

1шт.

65

1963134C1

CLAMP

- wire

3шт.

66

1271755C1

CLAMP

- wire

4шт.

1962981C1

CLAMP

- wire

5шт.

68

1963135C1

CLAMP

- wire

2шт.

70

614-6020

BOLT,Hex, M6 x 1 x 20mm, Cl 8.8, Full Thd

2шт.

933833R1

LOCK WASHER,M6

2шт.

446179

WASHER,#12

- flat, 6 x 12 x 2 mm

2шт.

71

1962564C1

DISC

PLATE - battery cable support

2шт.

72

117961

GROMMET,3/8" ID x 27/32" x .062"

- battery cable

2шт.

1963496C1

LAMP

ASSEMBLY - working, Includes: Ref. 81 - 84

1шт.

81

974264C2

LAMP BASE

BULB - lamp

1шт.

82

NSS

NOT SOLD SEPARAT

GASKET - lamp

1шт.

83

974263C2

LENS

- lamp

1шт.

84

NSS

NOT SOLD SEPARAT

RIM - lamp, outer

1шт.

85

NSS

NOT SOLD SEPARAT

SPRING - supporting

1шт.

86

NSS

NOT SOLD SEPARAT

SCREW - lamp assembly

1шт.

87

974265C2

BRACKET

CABLE ASSEMBLY - battery, positive, Includes: Ref. 31 - 33

1шт.

88

933833R1

LOCK WASHER,M6

2шт.

89

614-6012

BOLT,Hex, M6 x 1 x 12mm, Cl 8.8, Full Thd

2шт.

90

50202H

GROMMET

- working lamp

2шт.

91

614-8025

BOLT,Hex, M8 x 1.25 x 25mm, Cl 8.8, Full Thd

1шт.

92

825-1108

NUT,Hex, M8, Cl 8

- hex, M8

2шт.

Выбрано товаров: 38