Запчасти Case IH 265 (5-02) - STEERING GEAR AND COLUMN, MANUAL STEERING (05) - STEERING

Схема запчастей Case IH 265 - (5-02) - STEERING GEAR AND COLUMN, MANUAL STEERING (05) - STEERING
2
4
23
13
20
17
19
9
21
11
7
14
8
12
3
1
22
10
16
18
5
6
15
FIT
1:1
100%

Артикул

Название

Примечание

Количество

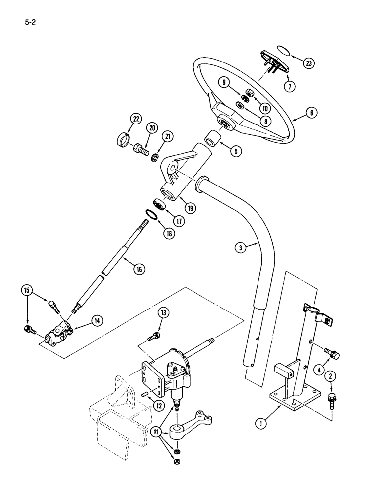
1

1963432C1

STEERING COLUMN

COLUMN -steering, lower

1шт.

2

514-712

BOLT,Hex, M10 x 1.25 x 25mm, Cl 8.8, Full Thd

4шт.

933965R1

LOCK WASHER,M10

4шт.

3

1963433C1

STEERING COLUMN

COLUMN - steering, upper

1шт.

4

514-703

BOLT,Hex, M10 x 1.25 x 20mm, Cl 8.8, Full Thd

4шт.

25709R1

WASHER

- flat, 11 x 21 x 2 mm

4шт.

933965R1

LOCK WASHER,M10

4шт.

5

1275387C1

BUSHING

- column

1шт.

6

99328C1

WHEEL (STEERING)

WHEEL - steering

1шт.

7

99329C1

CYLINDER END CAP

CAP - wheel

1шт.

8

933571R1

WASHER,M14 x 28 x 2.5

- flat, 15 x 28 x 2 mm

1шт.

9

892-1114

LOCK WASHER,M14

WASHER - lock, 14 mm

1шт.

10

525-5105

NUT,M14 x 1.5, Cl 8

- hex, M14

1шт.

11

REF

INSTRUCTION

HOUSING - gear box (See Figure 5-4)

1шт.

12

1963241C1

PIN

- dowel, gear box

2шт.

13

514-721

BOLT,Hex, M10 x 1.25 x 30mm, Cl 8.8, Full Thd

- hex, M10 x 30 mm

4шт.

933965R1

LOCK WASHER,M10

4шт.

14

1963263C1

JOINT

- universal, steering shaft

1шт.

15

614-8025

BOLT,Hex, M8 x 1.25 x 25mm, Cl 8.8, Full Thd

2шт.

934309R1

LOCK WASHER,M8

WASHER - lock, 8 mm

2шт.

16

1963439C1

SHAFT

- steering

1шт.

17

1963240C1

BALL BEARING

BEARING - steering shaft

1шт.

18

933167R1

SNAP RING,M42, Int

RING - retaining, interal, 45 mm OD

1шт.

19

1963434C1

SUPPORT

- steering shaft

1шт.

20

514-1018

BOLT,Hex, M16 x 1.5 x 40mm, Cl 8.8, Full Thd

1шт.

21

934185R1

LOCK WASHER,M16

WASHER - lock, 16 mm

1шт.

22

1963237C1

CAP

SEAL - cap

1шт.

23

1961804C1

DECAL

INSER - steering wheel eagle

1шт.

Выбрано товаров: 28