Запчасти Case IH 265 (6-08) - TRANSMISSION GEAR AND RANGE SHIFT LINKAGE (06) - POWER TRAIN

Схема запчастей Case IH 265 - (6-08) - TRANSMISSION GEAR AND RANGE SHIFT LINKAGE (06) - POWER TRAIN
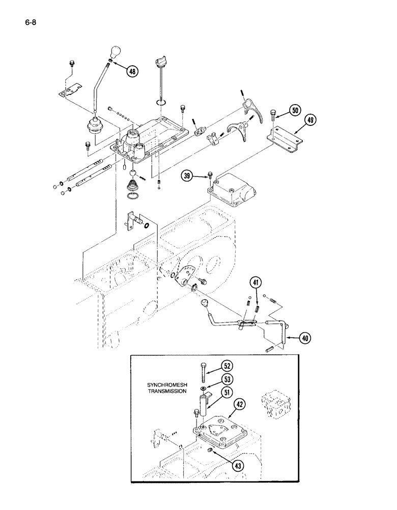
48
42
53
49
43
41
50
40
39
51
52
FIT
1:1
100%

Артикул

Название

Примечание

Количество

39

514-721

BOLT,Hex, M10 x 1.25 x 30mm, Cl 8.8, Full Thd

- hex, M10 x 30 mm

4шт.

933965R1

LOCK WASHER,M10

4шт.

40

1963408C1

LEVER

- lower, range

1шт.

41

31163R1

PIN,M5 x 40, Coiled

- coiled spring, 5 x 40 mm

1шт.

42

1282692C1

COVER ASSY

COVER - differential housing

1шт.

Use on synchromesh transmission only

1шт.

43

444688

PLUG

- hex, socket pipe 1/8-27

1шт.

Use on synchromesh transmission only

1шт.

48

525-5100

NUT,M10 x 1.25, Cl 8

- hex, M10

1шт.

49

1963305C1

BRACKET

- support

1шт.

Use on synchromesh transmission only

1шт.

50

514-703

BOLT,Hex, M10 x 1.25 x 20mm, Cl 8.8, Full Thd

2шт.

Use on constant mesh transmission only

1шт.

933965R1

LOCK WASHER,M10

2шт.

Use on constant mesh transmission only

1шт.

51

1282600C1

SPACER

- cover

2шт.

Use on synchromesh transmission only

1шт.

52

514-725

BOLT,Hex, M10 x 1.25 x 80mm, Cl 8.8

- hex, M10 x 80 mm

2шт.

Use on synchromesh transmission only

1шт.

53

933965R1

LOCK WASHER,M10

2шт.

Use on synchromesh transmission only

1шт.

Выбрано товаров: 0