Качественные детали и логистика
Оригинальные и аналоговые запчасти с доставкой по России, Казахстану и Беларуси
©2022 PartSell ООО "Система" ИНН 2463123282 ОГРН 1212400004838
Центральный офис: г. Красноярск, Академика Киренского, д.87, пом.4
Телефон: 8 (800) 777-65-74 Email: zakaz@partsell.ru
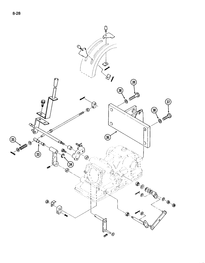
(8-28) - HITCH SYSTEM, POSITION CONTROL LINKAGE WITHOUT LOAD CONTROL
№
Артикул
Название
Примечание
Количество
33
1273374C1
AXLE PIN
PIN - pivot
1шт.
34
1271817C1
CIRCLIP,M9
RING - retaining, E type
35
1273375C1
VALVE SPRING
SPRING - linkage
36
1963451C1
BRACKET
- upper link
37
614-14035
BOLT,Hex, M14 x 2 x 35mm, Cl 8.8, Full Thd
- hex, M14 x 35 mm
2шт.
38
30408R1
WASHER,M12 x 28.5 x 3, HT
- flat, 15 x 28 x 3 mm
4шт.
39
615-14045
BOLT,Hex, M14 x 2 x 45mm, Cl 8.8, Full Thd
Выбрано товаров: 0