Запчасти Case IH 265 (8-38) - MID HYDRAULIC LIFT (08) - HYDRAULICS

Схема запчастей Case IH 265 - (8-38) - MID HYDRAULIC LIFT (08) - HYDRAULICS
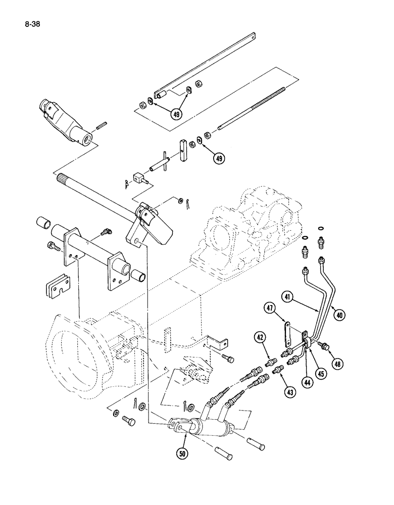
40
47
48
49
45
50
49
44
42
43
41
FIT
1:1
100%

Артикул

Название

Примечание

Количество

40

1963204C1

PIPE ASSY.

TUBE ASSEMBLY - control valve

1шт.

41

1963205C1

PIPE ASSY.

TUBE ASSEMBLY - control valve

1шт.

42

1963594C1

BODY

CONNECTOR - straight

1шт.

43

1963206C1

FITTING

CONNECTOR - straight

1шт.

44

1282727C1

TUBE

CUSHION - tube

2шт.

45

L71188

CLAMP,15.75mm ID, Coated, 13.46mm Bolt Hole, P Type

- tube

1шт.

47

1963207C1

PLATE

- clamp

1шт.

48

814-8020

BOLT,Hex, M8 x 1.25 x 20mm, Cl 8.8, Full Thd

1шт.

934309R1

LOCK WASHER,M8

WASHER - lock, 8 mm

1шт.

934675R1

WASHER,M8 x 16 x 1.6

- flat, 9 x 17 x 2 mm

1шт.

49

1963208C1

PLATE

SPACER - plate

3шт.

50

REF

INSTRUCTION

CYLINDER - MID hydraulic lift (see figure 8-42)

1шт.

Выбрано товаров: 12