Запчасти Case IH 275 (4-06) - INSTRUMENT CLUSTER, FUSES AND FUSE HOLDER (04) - ELECTRICAL SYSTEMS

Схема запчастей Case IH 275 - (4-06) - INSTRUMENT CLUSTER, FUSES AND FUSE HOLDER (04) - ELECTRICAL SYSTEMS
13
20
1
36
21
39
17
6
14
30
18
27
11
3
4
37
40
2
26
20
5
14
8
38
12
7
16
25
15
7
10
31
29
9
19
41
28
FIT
1:1
100%

Артикул

Название

Примечание

Количество

NSS

NOT SOLD SEPARAT

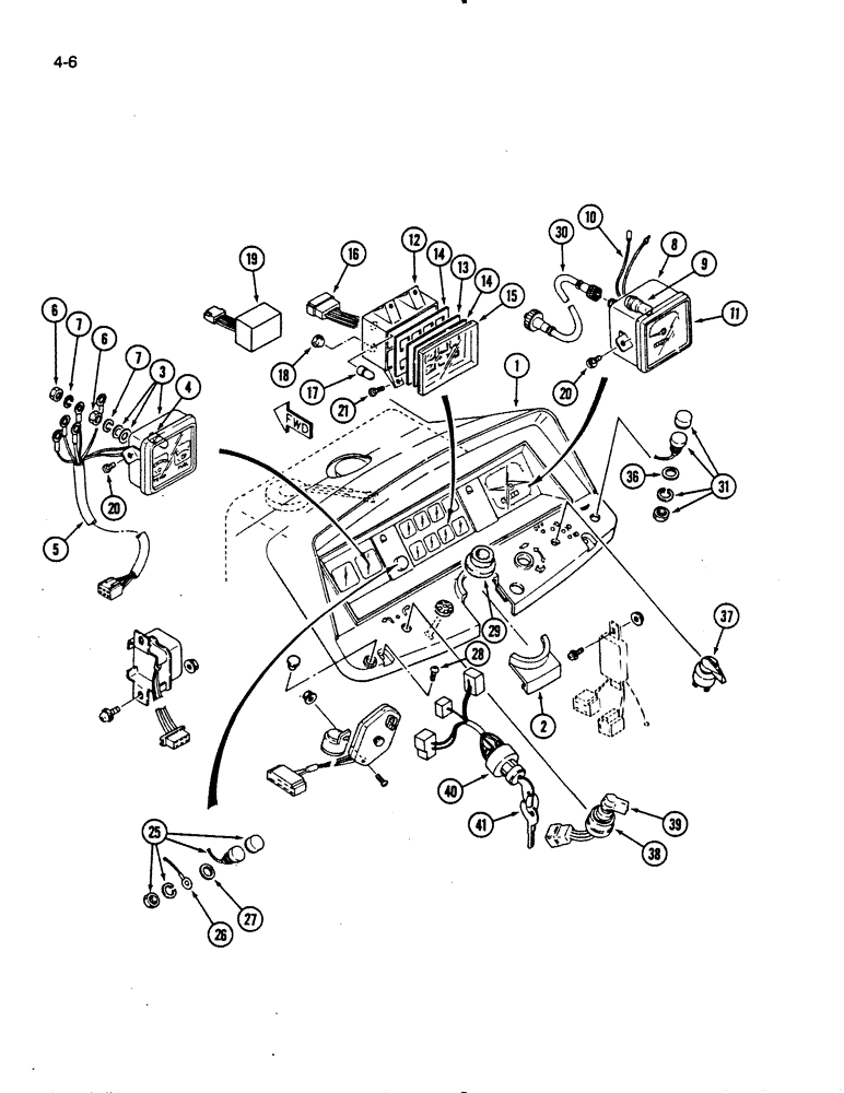
PANEL ASSEMBLY - instrument cluster, Includes: Ref. 1 - 27

1шт.

1

1962382C1

PANEL ASSY.

PANEL - instrument cluster

1шт.

2

1962379C1

CYLINDER END CAP

CAP - steering column

1шт.

3

1962380C1

METER

GAUGE ASSEMBLY - fuel, Includes: Ref. 4 - 7

1шт.

4

9415969

BULB,C2V, #158, 14V

- fuel gauge (No. 158)

1шт.

5

1962473C1

HARNESS

- wiring, fuel gauge

1шт.

6

1963096C1

NUT

- hex, M4

11шт.

7

892-11004

LOCK WASHER,M4

WASHER, LOCK, M4

11шт.

8

1962383C1

TACHOMETER

ASSEMBLY - engine speed, Includes: Ref. 9 - 11

1шт.

9

9415969

BULB,C2V, #158, 14V

- tachometer (No. 158)

1шт.

10

1271705C1

SOCKET

ASSEMBLY - bulb

1шт.

11

NSS

NOT SOLD SEPARAT

PLATE - tachometer

1шт.

12

1962474C1

CASE

HOUSING - warning lamps

1шт.

13

1962376C1

LENS

- warning lamps

1шт.

14

1962475C1

MISC PACKAGING

GASKET - housing

2шт.

15

1962476C1

COVER ASSY

COVER - warning lamp housing

1шт.

16

1962477C1

HARNESS

- wiring, warning lamps

1шт.

17

9415969

BULB,C2V, #158, 14V

- warning lamps (No. 158)

4шт.

18

1962478C1

CYLINDER END CAP

CAP - housing

4шт.

19

1962479C1

PANEL ASSY.

PANEL UNIT - check

1шт.

20

983-4012

SCREW,Sl Pan Hd, M4 x 12mm, Cl 4.8

- pan head, M4 x 12 mm

4шт.

892-11004

LOCK WASHER,M4

WASHER, LOCK, M4

4шт.

21

30425R1

SELF-TAP SCREW,Pan Hd, M4.2 x 13

SCREW - pan head cross recess, M4 x 13 mm

4шт.

25

99177C2

SWITCH

ASSEMBLY - check

1шт.

26

99352C1

HARNESS

WIRE - switch

1шт.

27

895-11008

WASHER,9mm ID x 16mm OD x 1.6mm Thk

- flat, 9 x 17 x 2 mm

1шт.

28

30196R1

BOLT,Hex, M6 x 1 x 35mm, Cl 10.9

4шт.

29

1962375C1

COVER ASSY

COVER - rubber

1шт.

30

1962381C1

CABLE PULLING GRIP

CABLE - tachometer drive

1шт.

31

99176C2

SWITCH

ASSEMBLY - horn

1шт.

36

895-11008

WASHER,9mm ID x 16mm OD x 1.6mm Thk

- flat, 9 x 17 x 2 mm

1шт.

37

1271718C1

SWITCH

- lighting

1шт.

38

1275112C1

SWITCH

- flasher

1шт.

39

NSS

NOT SOLD SEPARAT

KNOB - switch

1шт.

40

NSS

NOT SOLD SEPARAT

BODY - ignition switch (Order 99178C1)

1шт.

41

1961805C1

KEY, IGNITION

KEY - ignition

1шт.

Выбрано товаров: 36