Запчасти Case IH 275 (6-06) - FINAL DRIVE HOUSING AND TOROUE TUBE (06) - POWER TRAIN

Схема запчастей Case IH 275 - (6-06) - FINAL DRIVE HOUSING AND TOROUE TUBE (06) - POWER TRAIN
1
12
23
7
3
12
10
10
15
11
13
8
11
5
10
10
2
8
10
10
10
16
7
9
18
9
9
6
13
9
17
4
19
FIT
1:1
100%

Артикул

Название

Примечание

Количество

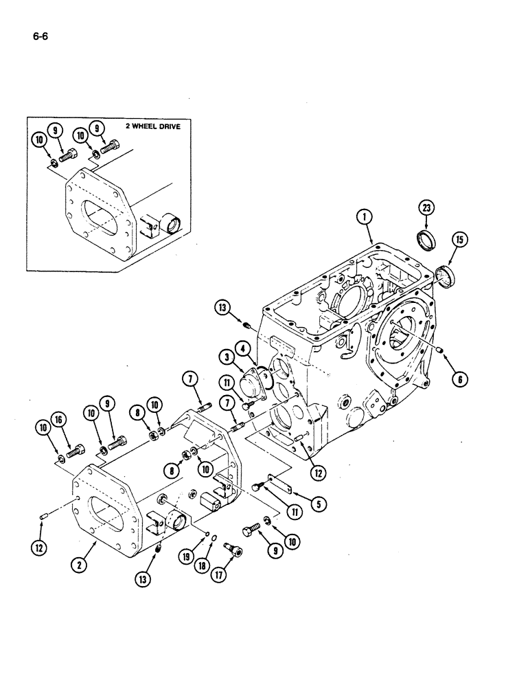
1

1963623C1

HOUSING

- final drive (Replaces 1961937C1)

1шт.

2

1961938C1

CASE

TUBE - torque

1шт.

3

1962580C1

CYLINDER END CAP

CAP - shield

1шт.

4

1962982C1

O-RING,61.5mm ID x 65.5mm OD x 2mm Width

O-RING - 67 mm ID

1шт.

5

1961933C1

PLATE ASSY.

PLATE - strap

1шт.

6

1961934C1

VENT

- housing

4шт.

7

1963050C1

STUD

- 32 mm long

2шт.

8

525-5105

NUT,M14 x 1.5, Cl 8

- hex, M14 x 1.5 mm

2шт.

9

614-14040

BOLT,Hex, M14 x 2 x 40mm, Cl 8.8, Full Thd

1шт.

10

892-11014

LOCK WASHER,14.5mm ID x 24.1mm OD x 4.5mm Thk

WASHER - lock, 14 mm

16шт.

11

814-8020

BOLT,Hex, M8 x 1.25 x 20mm, Cl 8.8, Full Thd

5шт.

892-11008

LOCK WASHER,8mm ID

WASHER, LOCK, M8

5шт.

12

1963004C1

AXLE PIN

PIN - dowel

4шт.

13

103885

PLUG,Slotted, 3/8" NPT

PIN - slotted, headless, 3/8 PT

2шт.

15

1961935C1

CUP ASSY.

CAP - rubber (Prior to P.I.N. 17657689)

2шт.

15

1961935C1

CUP ASSY.

CAP - rubber (P.I.N. CCJ0028001 and after)

1шт.

16

814-14045

BOLT,Hex, M14 x 2 x 45mm, Cl 8.8, Full Thd

- hex, M14 x 45 mm (MFD Tractor)

2шт.

17

1961936C1

BOLT (SPREADER),M16 - 1.5 x 32mm

BOLT - union

2шт.

18

1269873C1

O-RING

O-RING - 21 mm ID

2шт.

19

1962508C1

O-RING

O-RING - 10 mm ID

2шт.

23

1963185C1

SEAL ASSY.

CAP - rubber (P.I.N CCJ0028001 and after)

1шт.

Выбрано товаров: 21