Запчасти Case IH 275 (6-12) - INCHING PEDAL (06) - POWER TRAIN

Схема запчастей Case IH 275 - (6-12) - INCHING PEDAL (06) - POWER TRAIN
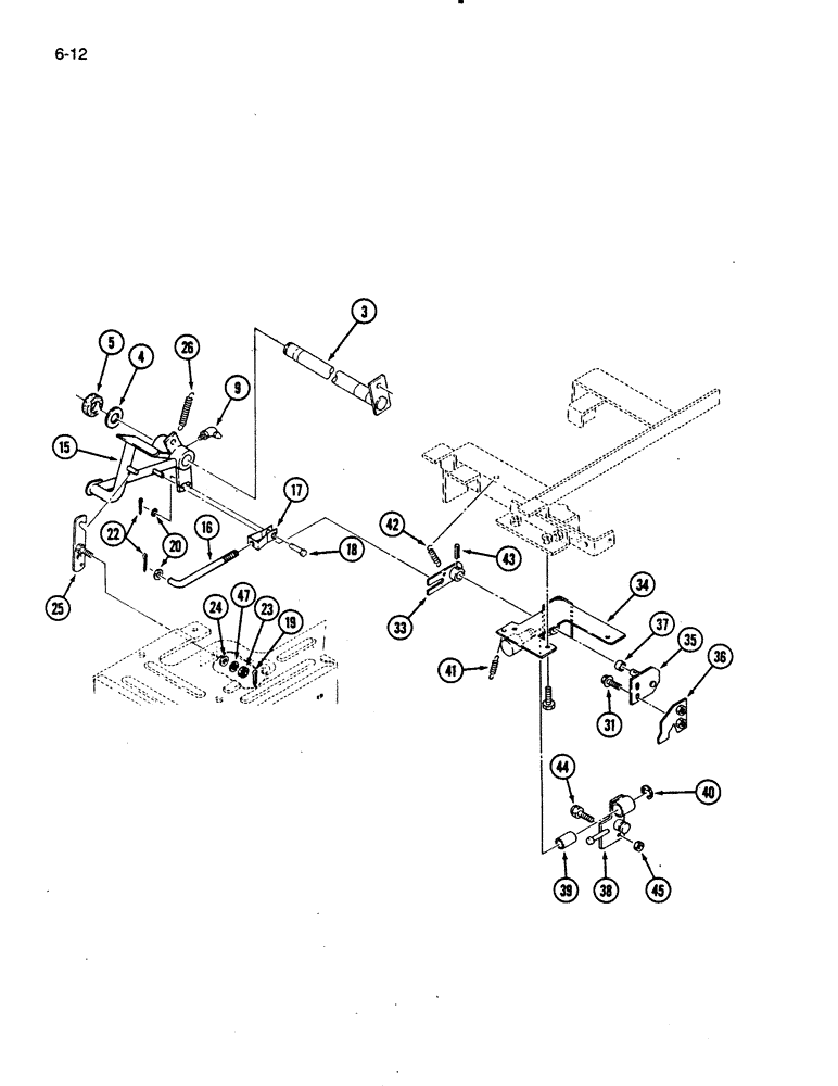
4
41
5
20
37
31
22
18
34
24
47
43
44
42
23
3
25
38
19
36
9
16
35
40
45
17
39
26
15
33
FIT
1:1
100%

Артикул

Название

Примечание

Количество

3

REF

INSTRUCTION

SHAFT - brake, See Figure 7-04

1шт.

4

30180R1

WASHER,M24 x 44.5 x 5, HT

- flat, 26 x 44 x 5 mm

1шт.

5

1273180C1

OIL SEAL

SEAL - oil

1шт.

15

1962253C1

PEDAL

- inching

1шт.

16

1962243C1

ROD

- linkage

1шт.

17

1269813C1

YOKE

- linkage

1шт.

18

1962996C1

CLEVIS PIN

PIN - clevis

1шт.

19

932952R1

COTTER PIN,M2 x 20

PIN - cotter, 2 x 20 mm

1шт.

20

895-11008

WASHER,9mm ID x 16mm OD x 1.6mm Thk

- flat, 9 x 17 x 2 mm

2шт.

22

632-628

COTTER PIN,M3.2 x 20

PIN - cotter, 3 x 20 mm

2шт.

23

933452R1

SLOTTED NUT,M8 x 1.25, Cl 8

NUT - hex, slotted, M8

1шт.

24

896-11008

WASHER,9mm ID x 17mm OD x 2mm Thk

- hardened, 9 x 17 x 2 mm

1шт.

25

1962244C1

LEVER

- clutch disengage

1шт.

26

1962245C1

VALVE SPRING

SPRING - pedal

1шт.

31

814-8016

BOLT,Hex, M8 x 1.25 x 16mm, Cl 8.8, Full Thd

- hex, M8 x 16 mm

2шт.

892-11008

LOCK WASHER,8mm ID

WASHER, LOCK, M8

2шт.

895-11008

WASHER,9mm ID x 16mm OD x 1.6mm Thk

- flat, 9 x 17 x 2 mm

2шт.

33

1962241C1

ARM

- control valve

1шт.

34

1962256C1

BRACKET

- valve

1шт.

35

1962235C1

DRAG LINK

LINK - control valve

1шт.

36

1962236C1

PLATE ASSY.

PLATE - cam

1шт.

37

1963022C1

BUSHING

- valve link

1шт.

38

1962237C1

DRAG LINK

PLATE - valve control

1шт.

39

1963023C1

BUSHING

- control plate

1шт.

40

1963070C1

CIRCLIP,M10

RING - retaining

1шт.

41

99334C1

VALVE SPRING

SPRING - return

1шт.

42

1962239C1

VALVE SPRING

SPRING - return

1шт.

43

31116R1

LOCK PIN,M4 x 20, Slotted

PIN - spring

1шт.

44

1962240C1

BOLT (SPREADER),M6 x 1 x 21mm

BOLT - special, rounded head

1шт.

45

825-1106

NUT,Hex, M6, Cl 8

- hex, M6

1шт.

47

892-11008

LOCK WASHER,8mm ID

WASHER, LOCK, M8

1шт.

Выбрано товаров: 31