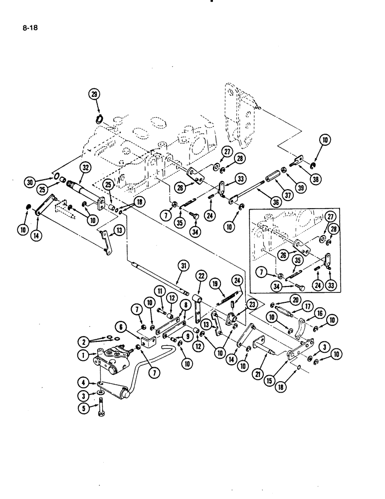
Запчасти Case IH 275 (8-18) - HYDRAULIC CONTROLS (08) - HYDRAULICS

Схема запчастей Case IH 275 - (8-18) - HYDRAULIC CONTROLS (08) - HYDRAULICS
9
13
24
28
30
24
10
32
2
36
1
14
33
12
10
25
3
35
18
16
37
13
10
10
19
34
23
38
22
15
18
39
10
10
7
26
12
28
10
5
7
3
27
8
17
27
26
35
10
14
10
20
24
7
6
31
21
29
33
11
34
4
10
25
7
10
FIT
1:1
100%

Артикул

Название

Примечание

Количество

1

REF

INSTRUCTION

VALVE ASSEMBLY - control, hydraulic, See Figure 8-20

1шт.

2

1273523C1

O-RING

O-RING - 12 mm ID

2шт.

3

892-11008

LOCK WASHER,8mm ID

WASHER - flat, 9 x 17 x 2 mm

3шт.

4

1962319C1

TUBE

- lubricating

1шт.

5

814-850

BOLT - hex, M8 x 50 mm

2шт.

892-11008

LOCK WASHER,8mm ID

WASHER, LOCK, M8

2шт.

6

1962313C1

CLEVIS COUPLING

CLEVIS - valve

1шт.

7

825-1108

NUT,Hex, M8, Cl 8

3шт.

8

1962312C1

DRAG LINK

LINK - control valve

2шт.

9

1962311C1

AXLE PIN

PIN - linkage

1шт.

10

1962690C1

CIRCLIP,M7

RING - retaining

1шт.

11

1962310C1

AXLE PIN

PIN - clevis

1шт.

12

1962309C1

ROLLER

BUSHING - valve linkage

2шт.

13

1962308C1

DRAG LINK

LINK - controls

2шт.

14

1962307C1

DRAG LINK

LINK - controls

2шт.

15

1962306C1

DRAG LINK

LINK - controls

1шт.

16

1962305C1

DRAG LINK

LINK - controls

1шт.

17

1962304C1

AXLE PIN

PIN - hex

1шт.

18

1963120C1

O-RING

O-RING - control shaft

3шт.

19

1962318C1

VALVE SPRING

SPRING - control linkage

1шт.

20

892-11008

LOCK WASHER,8mm ID

WASHER, LOCK, M8

1шт.

21

1962303C1

SHAFT HOUSING

SHAFT - control

1шт.

22

1962302C1

DRAG LINK

LINK - controls

1шт.

23

1962301C1

DRAG LINK

LINK - controls

1шт.

24

31116R1

LOCK PIN,M4 x 20, Slotted

PIN - slotted spring, 4 x 20 mm

2шт.

25

1962691C1

BUSHING

- shaft

2шт.

26

1962315C1

PLATE ASSY.

PLATE - stop

1шт.

27

895-11012

WASHER,13.5mm ID x 24mm OD x 2.5mm Thk

1шт.

28

1963070C1

CIRCLIP,M10

RING - retaining, external

1шт.

29

933123R1

SNAP RING,M20, Ext

RING - retaining, external, 18 mm ID

1шт.

30

1288101C1

O-RING

O-RING - 16 mm ID

1шт.

31

1962321C1

SHAFT HOUSING

SHAFT - position control

1шт.

32

1962322C1

SHAFT HOUSING

SHAFT - draft control

1шт.

33

1962314C1

ARM

- linkage

1шт.

34

814-8020

BOLT,Hex, M8 x 1.25 x 20mm, Cl 8.8, Full Thd

1шт.

35

1269552C1

VALVE SPRING

SPRING - control linkage

1шт.

36

1962317C1

ROD

- linkage (With draft control)

1шт.

37

1962300C1

JOINT TURNING

CONNECTOR - linkage adjust (With draft control)

1шт.

38

1962316C1

ROD

- linkage (With draft control)

1шт.

39

825-12408

NUT,M8 x 1.25, Cl 10, LH

- hex, M8 x 1.25 mm, left hand thread (With draft control) (Replaces 525-5119)

1шт.

Выбрано товаров: 40