Запчасти Case IH 275 (8-24) - HYDRAULIC CONTROLS, POSITION AND DRAFT CONTROL LEVERS (08) - HYDRAULICS

Схема запчастей Case IH 275 - (8-24) - HYDRAULIC CONTROLS, POSITION AND DRAFT CONTROL LEVERS (08) - HYDRAULICS
8
5
10
8
6
9
11
3
6
15
2
1
7
14
9
17
7
4
20
12
12
13
9
15
9
18
16
7
16
9
7
FIT
1:1
100%

Артикул

Название

Примечание

Количество

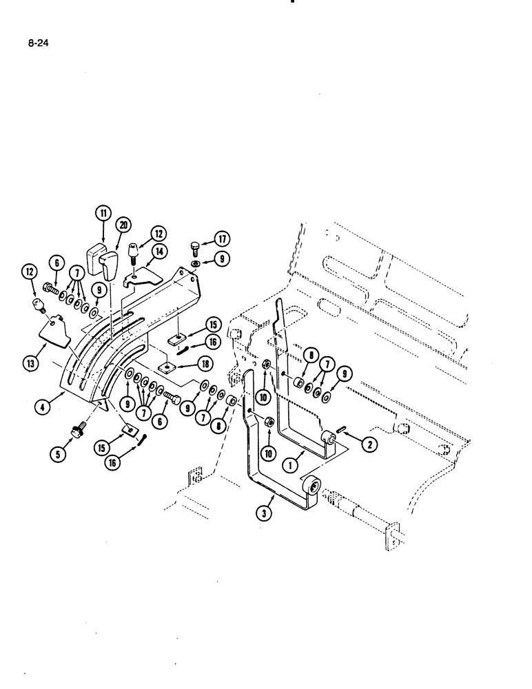
1

1962327C1

LEVER

- position control

1шт.

2

31117R1

LOCK PIN,M4 x 28, Slotted

PIN - spring, M4 x 20 mm

1шт.

3

1962328C1

LEVER

- draft control

1шт.

4

1962329C1

GUIDE

- control lever

1шт.

5

814-8016

BOLT,Hex, M8 x 1.25 x 16mm, Cl 8.8, Full Thd

- hex, M8 x 16 mm

4шт.

892-11008

LOCK WASHER,8mm ID

WASHER, LOCK, M8

4шт.

895-11008

WASHER,9mm ID x 16mm OD x 1.6mm Thk

- flat, 9 x 17 x 2 mm

4шт.

6

514-600

BOLT,Hex, M8 x 1.25 x 40mm, Cl 8.8, Full Thd

Hex, M8 x 40, 8.8, Full Thd

2шт.

7

1265201C1

BELLEVILLE WASHER

- spring

12шт.

8

1962325C1

SPACER

- 14 mm OD x 12 mm thick

2шт.

9

896-11008

WASHER,9mm ID x 17mm OD x 2mm Thk

- hardened, 9 x 17 x 2 mm

5шт.

10

525-5115

NUT,M12 x 1.25, Cl 8

- hex, M8, Grade 10

2шт.

11

1273379C1

KNOB

- control lever

1шт.

12

1273361C1

KNOB

- stop adjuster

2шт.

13

1273512C1

STOP

- front

1шт.

14

1273513C1

STOP

- rear

1шт.

15

1962324C1

PLATE ASSY.

PLATE - lock

2шт.

16

632-578

COTTER PIN

PIN - cotter, 2 x 16 mm

2шт.

17

614-8025

BOLT,Hex, M8 x 1.25 x 25mm, Cl 8.8, Full Thd

1шт.

892-11008

LOCK WASHER,8mm ID

WASHER, LOCK, M8

1шт.

18

1962323C1

PLATE ASSY.

PLATE - stop

1шт.

20

1963117C1

KNOB

- control lever, Includes: screw

1шт.

31326R1

SET SCREW,Hex Soc, M5 x 12, Cup Pt

SCREW - hex socket set

1шт.

Выбрано товаров: 23