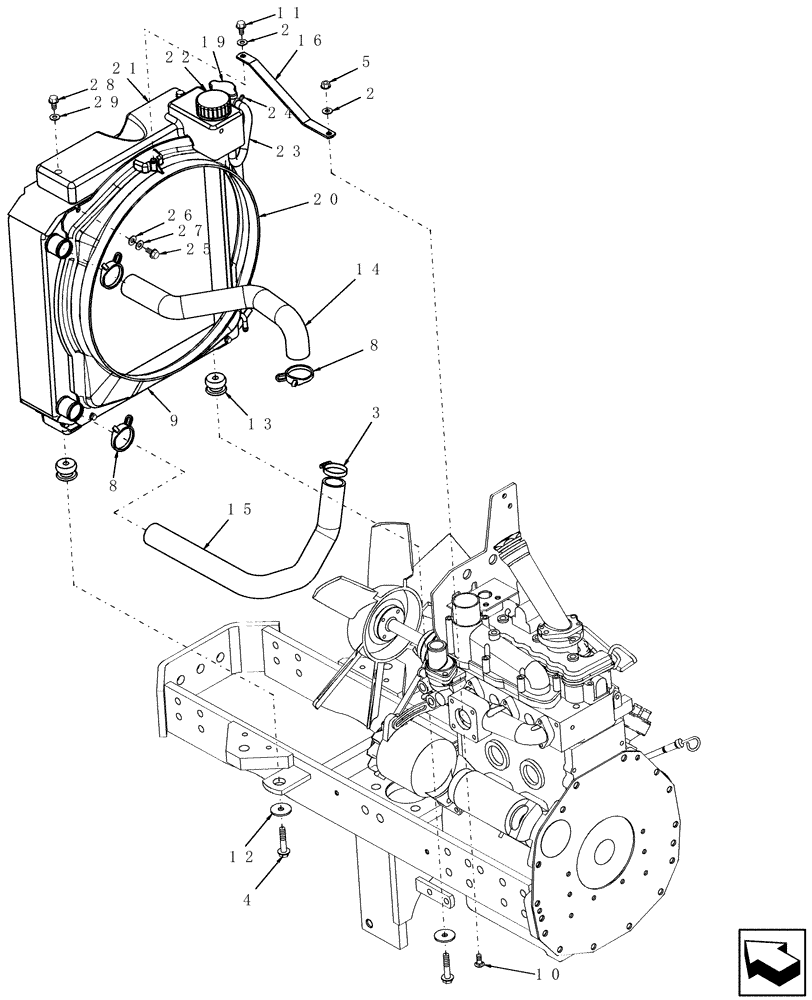
Запчасти Case IH D35 (02.03) - COOLING SYSTEM (02) - ENGINE EQUIPMENT

Схема запчастей Case IH D35 - (02.03) - COOLING SYSTEM (02) - ENGINE EQUIPMENT
19
5
8
8
4
21
15
10
2
27
24
13
28
2
14
22
9
29
26
12
23
20
16
25
11
3
FIT
1:1
100%

Артикул

Название

Примечание

Количество

2

322358

BELLEVILLE WASHER,M8 Bolt Size x 18mm OD x 1.4mm Thk

4шт.

3

214-1424

HOSE CLAMP,#24, 1.06" - 2", Type F Worm

1шт.

4

844-10050

BOLT,Hvy Hex, M10 x 50mm, Cl 8.8

2шт.

5

825-2408

FLANGE NUT,M8 x 1.25, Flg, Cl 8

1шт.

9

NLS

NO LONGER SERVICED

Radiator, Replaced by 86402724, Refer to Figure 02.03.01 for Details

1шт.

9

86402724

RADIATOR

Refer to Figure 02.03.01 for Details

1шт.

10

811-8020

CARRIAGE BOLT,Sht Sq Nk, M8 x 1.25 x 20mm, Cl 8.8

1шт.

11

86511841

BOLT,Flng, M8 x 1.25 x 16mm, Full Thd, Cl 8.8

1шт.

12

86524667

WASHER,M10.3 x 38.1 x .15 Thk

2шт.

13

86524811

INSULATOR

2шт.

14

86549673

RADIATOR HOSE,33.00 mm ID x 341.5,100.5,65 mm, SAE J20R4 CLASS D2

1шт.

15

86549674

RADIATOR HOSE,33.00 mm ID x 275,178,175 mm, SAE J20R4 CLASS D2

1шт.

16

86558308

BRACKET

1шт.

19

86530802

RADIATOR CAP

1шт.

20

86400072

SHROUD

1шт.

21

86558482

BOTTLE

Recovery

1шт.

22

86507190

CAP

Recovery

1шт.

23

86400974

FUEL HOSE,7.94 mm ID x 1700.00 mm, SAE J30 R7

Cut to 200 mm or 7.874"

1шт.

86400974 measures 1700 mm or 66.929"

1шт.

24

86400352

CLAMP

1шт.

25

614-6016

BOLT,Hex, M6 x 1 x 16mm, Cl 8.8, Full Thd

4шт.

25

86401632

BOLT

M6 x 1.0

4шт.

Used on and ASN HBA0005147

1шт.

26

9824259

WASHER,6.4mm ID x 12mm OD x 1.6mm Thk

4шт.

Used on and BSN HBA0005146

1шт.

27

86517328

LOCK WASHER,6.1mm ID x 11.8mm OD x 1.7mm Thk

4шт.

Used on and BSN HBA0005146

1шт.

28

811-6016

CARRIAGE BOLT,Sht Sq Nk, M6 x 1 x 16mm, Cl 8.8

2шт.

28

120061

BOLT,Hex, M8 x 60mm L, Cl 8.8

2шт.

Used on and ASN HBA0005147

1шт.

29

86511315

WASHER,8.4mm ID x 16mm OD x 1.8mm Thk

4шт.

Выбрано товаров: 31