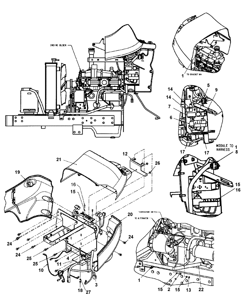
Запчасти Case IH D35 (06.02.01) - MAIN HARNESS (06) - ELECTRICAL SYSTEMS

Схема запчастей Case IH D35 - (06.02.01) - MAIN HARNESS (06) - ELECTRICAL SYSTEMS
5
21
17
24
6
24
15
15
10
3
20
8
25
15
14
24
1
13
14
12
22
2
9
7
18
16
25
1
16
15
17
19
26
1
27
FIT
1:1
100%

Артикул

Название

Примечание

Количество

1

263117

CABLE TIE,292.1mm L, Nylon, Black

CABLE STRAP

3шт.

2

300806

BOLT,Hex, M5 x 0.8 x 10mm, Cl 8.8, Full Thd

1шт.

3

412093

SELF-TAP SCREW

M6 x 1 x 12

2шт.

4

412327

CARRIAGE BOLT,Short Sq Nk, M6 x 1 x 40mm, Full Thd, Cl 8.8

1шт.

5

679573

FLASHER UNIT

1шт.

Used BSN HBA0006021

1шт.

6

SBA385870500

CONTROL UNIT

1шт.

7

83982664

RELAY

Turn Signal

1шт.

Used BSN HBA0006021

1шт.

8

86400241

CONTROL UNIT

Fuel

1шт.

9

86400244

RELAY,12V, 40A

40 Amp

1шт.

10

86400255

WIRE HARNESS

Includes: Ref. 10A thru 10F

1шт.

10

86403083

WIRE HARNESS

Includes: Ref. 10A thru 10G

1шт.

10

86404270

WIRE HARNESS

Includes: Ref. 10A thru 10G

1шт.

Used on and ASN HBA0006385 HST & HBA0006388 9 x 3

1шт.

10a

773464

DIODE

Style 30

1шт.

Not illustrated

1шт.

10b

86507935

FUSE

40 Amp

1шт.

Not illustrated

1шт.

10c

9623775

FUSE,5 Amp

1шт.

Not illustrated

1шт.

10d

9811773

FUSE,10A, Micro, Red

1шт.

Not illustrated

1шт.

10e

9623774

FUSE,15 Amp

1шт.

Not illustrated

1шт.

10f

86610928

CIRCUIT BREAKER

8 Amp

1шт.

10g

9623776

FUSE,7.5A, Micro, Brown

1шт.

Not illustrated

1шт.

Used on and ASN HB0006021

1шт.

11

86400994

BRACKET

Fuse Mount

1шт.

12

86400996

BRACKET

Fuse Mount

1шт.

12

86402581

BRACKET

Fuse Mount

1шт.

Used on and ASN HB0006021

1шт.

13

829-1405

NUT,M5, Cl 10

1шт.

14

86509590

RELAY

20 Amp

2шт.

15

86509828

LOCK WASHER,M5

9шт.

16

86511827

SCREW,Phillips Drive, Pan HD, M5 x 20mm, Cl 4.8

7шт.

17

86537972

RELAY

30 Amp

2шт.

18

86546549

NUT

M6

1шт.

19

86401778

PANEL, SIDE

R.H.

1шт.

20

86401779

PANEL, SIDE

L.H.

1шт.

21

86401780

HOOD ASSY.

Rear, 12 x 12

1шт.

22

86572246

CABLE

Battery, A-Postive

1шт.

22

86572247

CABLE

Battery, A-Negative

1шт.

24

844-8020

BOLT,Hvy Hex, M8 x 20mm, Cl 8.8

10шт.

25

9804260

BOLT,Hex, M8 x 1.25 x 30mm, Full Thd, Cl 8.8

2шт.

26

825-2408

FLANGE NUT,M8 x 1.25, Flg, Cl 8

2шт.

27

9824259

WASHER,6.4mm ID x 12mm OD x 1.6mm Thk

1шт.

Выбрано товаров: 48