Запчасти Case IH D35 (06.05) - CHASSIS HARNESS (06) - ELECTRICAL SYSTEMS

Схема запчастей Case IH D35 - (06.05) - CHASSIS HARNESS (06) - ELECTRICAL SYSTEMS
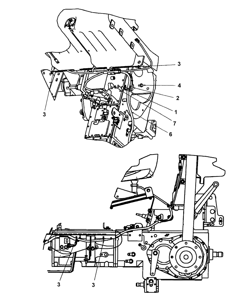
3
3
4
3
1
6
3
7
2
FIT
1:1
100%

Артикул

Название

Примечание

Количество

1

134577

CLIP,J

1шт.

2

140045

BELLEVILLE WASHER,M10 Bolt Size x 22mm OD x 1.6mm Thk

1шт.

3

263117

CABLE TIE,292.1mm L, Nylon, Black

CABLE STRAP

4шт.

4

844-10020

BOLT,Hvy Hex, M10 x 20mm, Cl 8.8

1шт.

6

86400256

WIRE HARNESS

Chassis

1шт.

6

86403084

WIRE HARNESS

Chassis

1шт.

7

9672402

LOCK WASHER

M10

1шт.

8

87302330

PLUG

Aux. Power Socket Cap

1шт.

Not illustrated

1шт.

9

87302331

SOCKET

SHELL Aux. Power, Retaining

1шт.

Not illustrated

1шт.

10

87302332

SOCKET

BASE Aux. Power

1шт.

Not illustrated

1шт.

Выбрано товаров: 13