Запчасти Case IH D35 (01.01) - CYLINDER BLOCK (01) - ENGINE

Схема запчастей Case IH D35 - (01.01) - CYLINDER BLOCK (01) - ENGINE
54
48
35
37
13
45
51
4
24
11
16
4
7
46
14
44
47
31
52
34
25
37
53
18
9
41
4
46
56
23
21
38
33
19
42
36
1
39
5
15
20
6
22
49
2
3
48
26
28
27
10
55
32
40
8
17
50
36
30
29
47
43
12
FIT
1:1
100%

Артикул

Название

Примечание

Количество

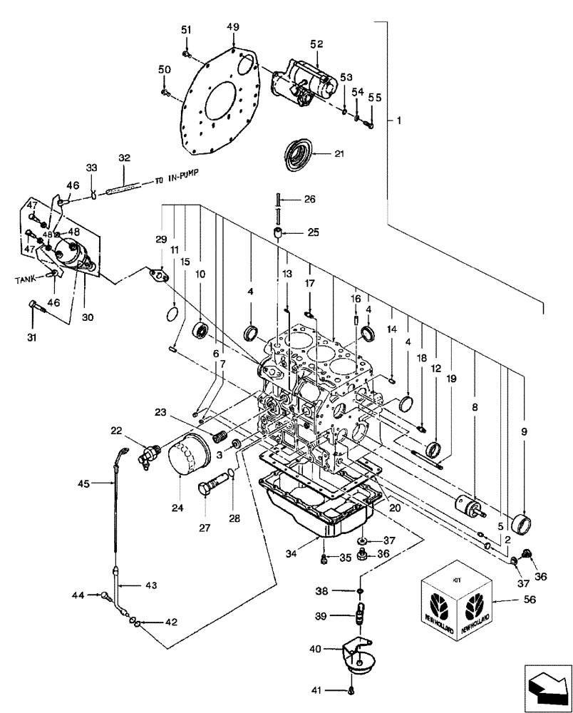
1

86404751

ENGINE

Long Block (SBA139190) Includes: Ref. 1A thru 31, 34 thru 45, 49,50,51

1шт.

Fuel Pump, Alternator & Starter Not Included

1шт.

1

SBA139190

ENGINE

Long Block Includes: Ref. 1A thru 31, 34 thru 45, 49,50,51

1шт.

Fuel Pump, Alternator & Starter Not Included

1шт.

Same As Long Block 86404751

1шт.

1a

SBA110103240

CYLINDER BLOCK

1шт.

2

SBA064210015

CAP

Sealing

1шт.

3

SBA064210025

PLUG,25mm

1шт.

4

SBA064210040

CAP

Sealing

4шт.

5

SBA198466010

PLUG

Blank 8.4mm

2шт.

6

SBA198466020

PLUG

Blank 10.4mm

3шт.

7

SBA198466030

PLUG

Blank 6.5 x 7mm

4шт.

8

SBA165296131

SHAFT

Idle Gear, Uses Pin SBA140196072

1шт.

9

SBA198517220

BUSHING

Standard

1шт.

10

SBA040106203

BALL BEARING,17mm ID x 40mm OD x 12mm W

1шт.

11

SBA064100045

PLUG

Expansion

1шт.

12

SBA042309013

BEARING ASSY

Needle

1шт.

13

SBA030500612

DOWEL

2шт.

14

SBA030500616

DOWEL,M6 x 16

2шт.

15

SBA030501025

BALL STUD,M10 x 25 L

BALL PIN

2шт.

16

SBA030309005

PIN

Spring

2шт.

17

SBA012110820

STUD

2шт.

18

SBA012110635

STUD

2шт.

19

SBA012110660

STUD

1шт.

20

SBA110996820

GASKET

1шт.

21

SBA050209083

SEAL

1шт.

22

SBA198736270

DRAINCOCK/TAP SUPPLY

Fitting

1шт.

23

SBA140546020

ADAPTER

Filter Joint

1шт.

24

84475542

ENGINE OIL FILTER

Spin On

1шт.

25

SBA120116160

TAPPET

6шт.

26

SBA120456310

PUSH ROD,8.76"

6шт.

27

SBA140036220

VALVE PRESSURE RELIE

1шт.

28

SBA052109078

O-RING,2.4mm Thk x 9.8mm ID

1шт.

29

SBA130996130

GASKET

1шт.

30

SBA130506150

FUEL PUMP

1шт.

31

SBA011310616

BOLT,M6 x 1 x 16, Cl 8.8

2шт.

32

SBA298160380

HOSE

1шт.

Not Included in Long Block

1шт.

33

SBA067100015

HOSE CLAMP

1шт.

Not Included in Long Block

1шт.

34

SBA110708290

ENGINE OIL PAN

1шт.

35

SBA010109235

BOLT

26шт.

36

SBA010411212

DRAIN PLUG,M12 x 1.25

2шт.

37

SBA025100012

WASHER,12.4mm ID x 19mm OD x 2mm Thk

Seal

2шт.

38

SBA052100100

O-RING

1шт.

39

SBA140986630

RIGID TUBE

1шт.

40

SBA140406360

FILTER

1шт.

41

SBA011310612

CAPTIVE WASHER SCREW,Hex, M6 x 12, Cl 8.8

2шт.

42

SBA052100100

O-RING

2шт.

43

SBA110756510

TUBE

Gauge Guide

1шт.

44

SBA010700612

BOLT

1шт.

45

SBA198416630

DIPSTICK

Oil Gauge

1шт.

46

SBA198486840

ELEC CONNECTOR

Eye

2шт.

Not Included in Long Block

1шт.

47

SBA130516092

BOLT

Eye

2шт.

Not Included in Long Block

1шт.

48

SBA025100008

SEALING WASHER,7.3mm ID x 14mm OD x 1.8mm Thk

Seal

4шт.

Not Included in Long Block

1шт.

49

SBA110367750

PLATE

Rear

1шт.

50

SBA011510820

CAPTIVE WASHER SCREW,Hex, M8 x 20, G5

10шт.

51

SBA011511020

BOLT,M10 x 20

1шт.

52

SBA185086530

STARTER MOTOR

1шт.

Not Included in Long Block

1шт.

52

SBA185086530R

REMAN-STARTER

Remanufactured Starter -- 11 Tooth Drive

1шт.

52

SBA185086530C

CORE-STARTER

Return Number

1шт.

52

SBA185086551GV

STARTER MOTOR

Value

1шт.

52

SBA185086551R

REMAN-STARTER

Remanufactured Starter -- 9 Tooth Drive

1шт.

52

SBA185086551C

CORE-STARTER

Return Number

1шт.

52

SBA185086530GV

STARTER MOTOR

Value

1шт.

53

86511323

WASHER,10.5mm ID x 20mm OD x 2mm Thk

2шт.

Not Included in Long Block

1шт.

54

892-11010

LOCK WASHER,M10

2шт.

Not Included in Long Block

1шт.

55

SBA011511030

CAPTIVE WASHER SCREW,Hex, M10 x 30, G5

2шт.

Not Included in Long Block

1шт.

56

86590117

KIT

Heater, Engine Coolant, Includes: 5' Cord 86539137, Cable Tie 263117 & Heater NSS

1шт.

Not Included in Long Block

1шт.

Выбрано товаров: 77