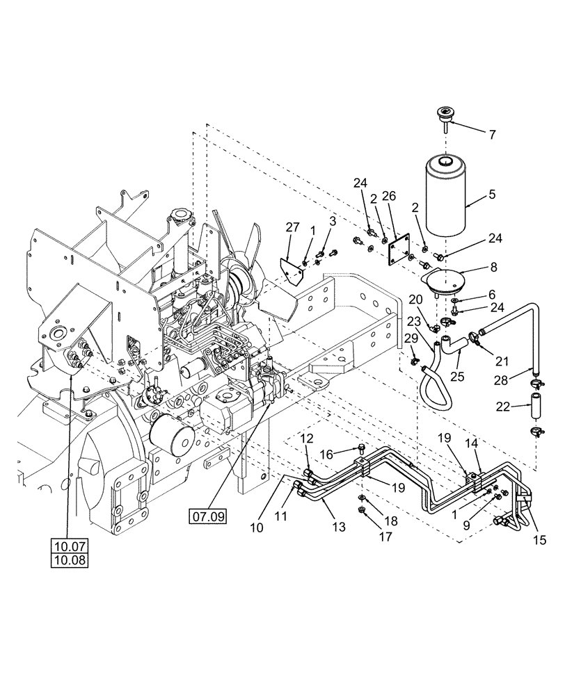
Запчасти Case IH D35 (04.07) - POWER STEERING (04) - FRONT AXLE & STEERING

Схема запчастей Case IH D35 - (04.07) - POWER STEERING (04) - FRONT AXLE & STEERING
28
6
26
27
23
22
14
24
5
1
1
07.09
10
8
11
19
19
18
15
7
17
29
21
16
10.08
3
2
13
9
2
12
25
24
10.07
20
24
FIT
1:1
100%

Артикул

Название

Примечание

Количество

1

322357

BELLEVILLE WASHER,M6 Bolt Size x 14mm OD x 1.3mm Thk

4шт.

2

492-11031

LOCK WASHER,5/16"

4шт.

3

844-6016

BOLT,Hvy Hex, M6 x 16mm, Cl 8.8

2шт.

5

SBA360101470

FILTER ASSY

Includes: Ref. 5A

1шт.

5a

NSS

NOT SOLD SEPARAT

Seal

1шт.

Not Illustrated

1шт.

6

SBA025100008

SEALING WASHER,7.3mm ID x 14mm OD x 1.8mm Thk

M8

1шт.

7

SBA398430520

DIPSTICK

1шт.

8

SBA340621060

PLATE

1шт.

9

86050272

BOLT,M6 x 1 x 18.6mm OAL, Cl 8.8, Full Thd

2шт.

10

86402788

HYD TUBE

Right

1шт.

11

86402790

HYD TUBE

Tank

1шт.

12

86402786

HYD TUBE

Left

1шт.

13

86402792

HYD TUBE

Pressure

1шт.

14

86567730

BRACKET

1шт.

15

43117

SCREW,Hex, M6 x 1.0 x 30mm, Cl 8.8

1шт.

16

120056

BOLT,M6 x 1.0 x 54.15mm, Cl 8.8

2шт.

17

353308

NUT,M6 x 1.0, Cl 8

2шт.

18

9824259

WASHER,6.4mm ID x 12mm OD x 1.6mm Thk

3шт.

19

86400111

CLAMP

Halves

4шт.

20

86400352

CLAMP

Hose

1шт.

21

86400354

CLAMP

Hose

4шт.

22

86400360

HYDRAULIC HOSE,15.88 mm ID x 70.00 mm, SAE J30R7

1шт.

23

86400974

FUEL HOSE,7.94 mm ID x 1700.00 mm, SAE J30 R7

Power Steering

1шт.

Cut to Length 460 mm or 18.110"

1шт.

24

86511841

BOLT,Flng, M8 x 1.25 x 16mm, Full Thd, Cl 8.8

5шт.

25

86540861

HOSE

HST Elbow

1шт.

26

87301206

BRACKET

1шт.

27

86567750

PLATE

Line Cover

1шт.

28

86567827

TUBE,15.90 mm DIA x 242, 115 mm L

1шт.

29

574518

HOSE CLAMP,6.3mm - 15.7mm, SAE # 4

1шт.

Выбрано товаров: 31