Запчасти Case IH D40 (10.11) - FOLDABLE ROPS ASSEMBLY (10) - OPERATORS PLATFORM/CAB

Схема запчастей Case IH D40 - (10.11) - FOLDABLE ROPS ASSEMBLY (10) - OPERATORS PLATFORM/CAB
13
6
12
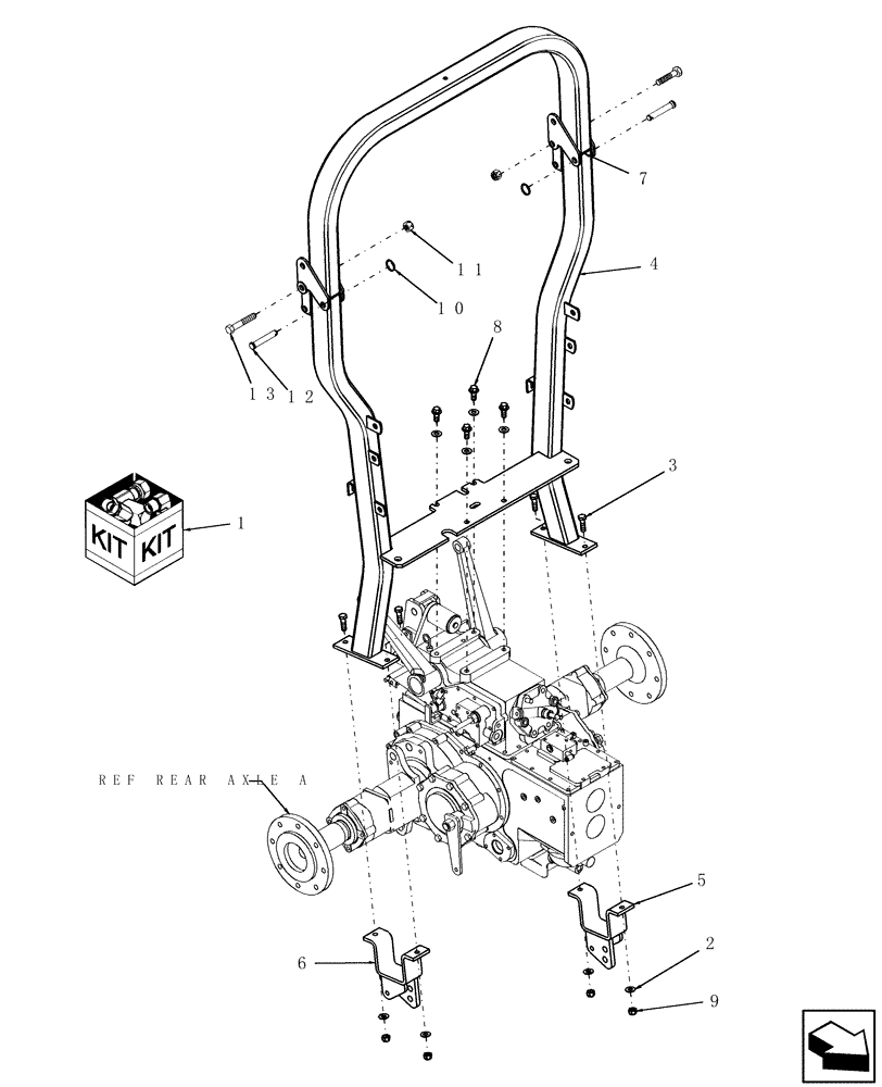
1
10
4
ref rear axle a
9
2
8
7
5
3
11
FIT
1:1
100%

Артикул

Название

Примечание

Количество

1

710874046

FIELD ATTACHMENT

Kit ROPS Foldable

1шт.

Order thru Wholegoods

1шт.

2

140046

BELLEVILLE WASHER,M12 Bolt Size x 27mm OD x 1.8mm Thk

8шт.

3

844-12045

BOLT,Hvy Hex, M12 x 45mm, Cl 8.8

4шт.

4

86400309

ROPS

Assy., Folding, Includes: Ref. 7, 9 thru 13

1шт.

5

86558130

BRACKET

Stabilizer, L.H.

1шт.

6

86558905

BRACKET

Stabilizer, R.H.

1шт.

7

86573779

PROTECTION CAP

2 x 3

2шт.

8

844-12030

BOLT,Hvy Hex, M12 x 30mm, Cl 8.8

4шт.

9

832-46412

NUT,M12 x 1.75, Cl 8

4шт.

10

86532783

RING

Kickout

2шт.

11

832-46416

NUT,M16 x 2, Cl 8

2шт.

12

271670

PIN,15.9mm OD x 95.5mm L

Clevis

2шт.

13

9804275

BOLT,Hex, M16 x 100mm, Cl 8.8

2шт.

Выбрано товаров: 14