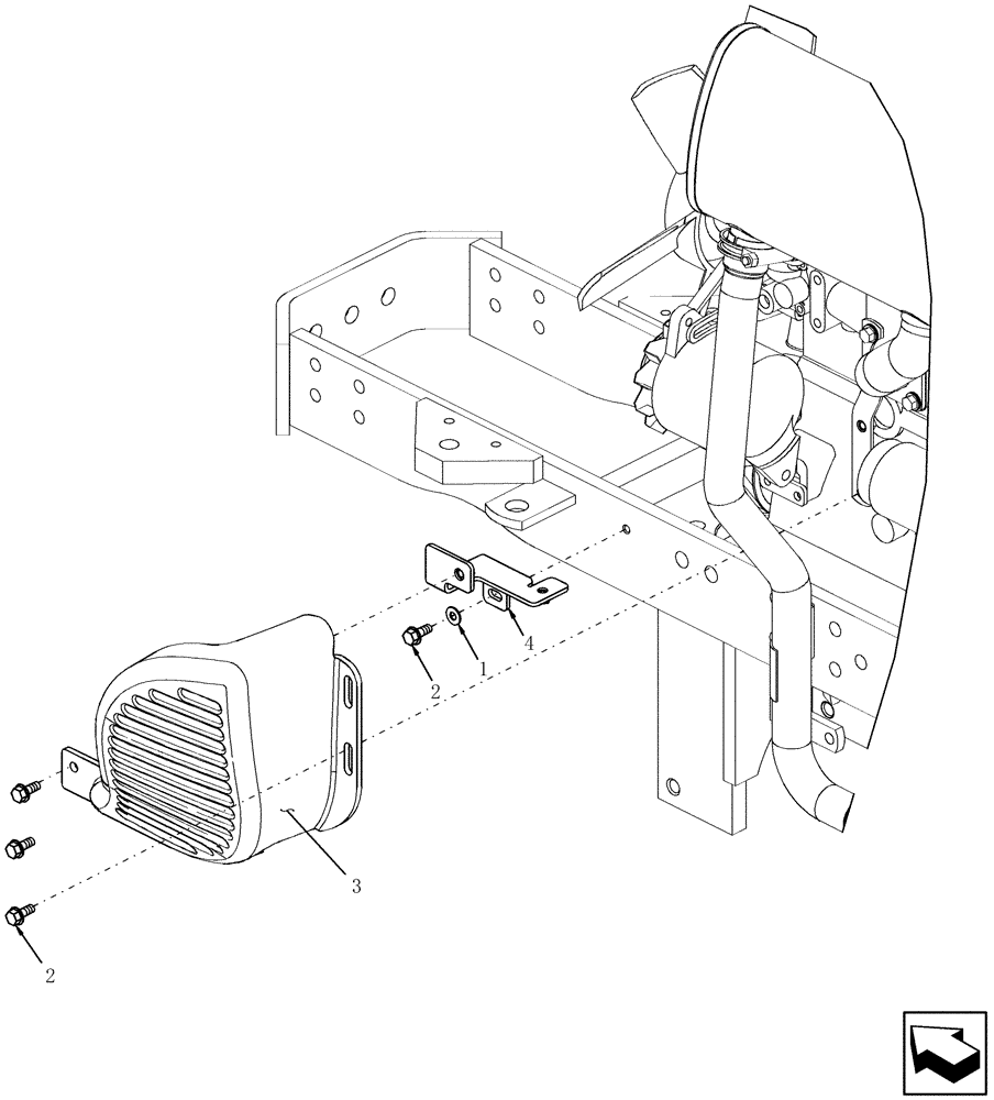
Запчасти Case IH D40 (01.09.02) - FAN GUARD (01) - ENGINE

Схема запчастей Case IH D40 - (01.09.02) - FAN GUARD (01) - ENGINE
2
3
4
2
1
FIT
1:1
100%

Артикул

Название

Примечание

Количество

1

322358

BELLEVILLE WASHER,M8 Bolt Size x 18mm OD x 1.4mm Thk

1шт.

2

844-8020

BOLT,Hvy Hex, M8 x 20mm, Cl 8.8

4шт.

3

86400042

GUARD

Fan, Wrap Around Bar Headlight

1шт.

4

86400070

BRACKET

1шт.

Выбрано товаров: 4