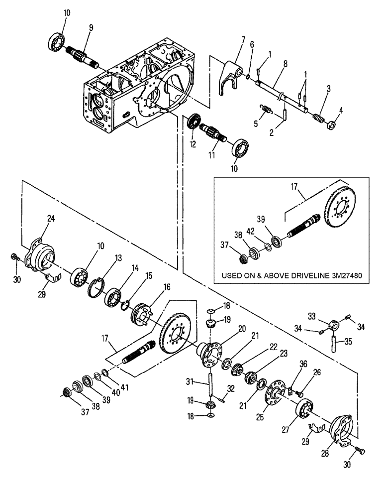
Запчасти Case IH D40 (05.01) - REAR AXLE DIFFERENTIAL & LOCK LINKAGE (05) - REAR AXLE

Схема запчастей Case IH D40 - (05.01) - REAR AXLE DIFFERENTIAL & LOCK LINKAGE (05) - REAR AXLE
12
17
42
16
40
6
37
21
33
1
15
5
19
10
24
28
29
39
35
1
38
31
7
20
2
23
18
29
34
27
17
14
41
36
32
18
21
22
30
10
39
25
3
11
26
34
19
9
4
38
30
10
37
8
13
FIT
1:1
100%

Артикул

Название

Примечание

Количество

1

SBA030300632

SLOTTED PIN,M6 x 32

2шт.

2

SBA030300663

COILED PIN,M6 x 63

1шт.

3

SBA398212510

SPRING

1шт.

4

SBA050203115

SEAL,28mm ID x 40mm OD x 8mm Thk

1шт.

5

SBA398212520

SPRING

1шт.

6

SBA052109076

O-RING,2.4mm Thk x 10.8mm ID

1шт.

7

SBA326570200

FORK

Differential Lock

1шт.

8

SBA326530340

SHAFT

Differential Lock

1шт.

9

SBA326210921

SHAFT

Differential, Right

1шт.

10

210048

BALL BEARING,35mm ID x 80mm OD x 21mm W

Ball

3шт.

11

SBA326210931

SHAFT

Differential, Left

1шт.

12

SBA040156307

BEARING ASSY

Ball

1шт.

13

300633

SNAP RING,M80, Internal

1шт.

14

86516079

BALL BEARING,50mm ID x 80mm OD x 16mm W

1шт.

15

370008

SNAP RING,M50, Ext

1шт.

16

SBA326600110

CLUTCH

Differential Lock

1шт.

17

SBA322051000

DRIVE PINION

Is Used with Ref. 37 thru 41

1шт.

17

SBA322051001

DRIVE PINION

Is Used with Ref. 37 thru 39 and 42

1шт.

USED ON & ABOVE DRIVELINE 3M27480

1шт.

18

SBA399261740

THRUST WASHER

D35, DX35

2шт.

18

SBA399261740

THRUST WASHER

D40, DX40, D45, DX45

4шт.

19

SBA326160070

DRIVE PINION

D35, DX35

2шт.

19

SBA326160070

DRIVE PINION

D40, DX40, D45, DX45

4шт.

20

SBA326110930

HOUSING

Differential, D35, DX35

1шт.

20

SBA326111040

GAUGE

Differential, D40, DX40, D45, DX45

1шт.

21

SBA399261300

THRUST WASHER

2шт.

22

SBA326140330

GEAR

Differential, Right

1шт.

23

SBA326140280

GEAR

Differential, Left

1шт.

24

SBA326220260

GUIDE

Differential, Right

1шт.

25

SBA326110740

COVER

Differential Housing

1шт.

26

412161

BOLT,M10 x 1.25 x 40mm, Cl 8.8

10шт.

27

70073647

BALL BEARING,59.98mm ID x 95mm OD x 18mm W

1шт.

28

SBA326220250

GUIDE

Differential, Left

1шт.

29

SBA399280700

SHIM,0.05mm Thk

1шт.

29

SBA399280590

SHIM,0.1mm Thk

1шт.

29

SBA399280600

SHIM,0.3mm Thk

1шт.

29

SBA399280610

SHIM,0.5mm Thk

1шт.

30

SBA011511030

CAPTIVE WASHER SCREW,Hex, M10 x 30, G5

8шт.

31

SBA326130580

SHAFT

Pinion, D35, DX35

1шт.

32

SBA030500525

PIN

Knock, D35, DX35

1шт.

33

SBA326170140

SHAFT

Hose Pinion, D40, DX40, D45, DX45

1шт.

34

SBA326130660

SHAFT

Pinion, D40, DX40, D45, DX45

2шт.

35

SBA326130650

SHAFT

Pinion, D40, DX40, D45, DX45

1шт.

36

SBA399310350

LOCK WASHER

5шт.

37

SBA399370750

NUT

Drive Pinion Lock, M40 x 1.5

1шт.

38

SBA042530208

TAPERED BEARING

1шт.

39

SBA042532208

TAPERED BEARING

1шт.

40

SBA399280750

SHIM,0.1mm Thk

1шт.

USED BELOW DRIVELINE 3M27480

1шт.

40

SBA399280760

SHIM,0.2mm Thk

1шт.

USED BELOW DRIVELINE 3M27480

1шт.

40

SBA399280770

SHIM,0.5mm Thk

1шт.

USED BELOW DRIVELINE 3M27480

1шт.

41

SBA199260060

THRUST WASHER

1шт.

USED BELOW DRIVELINE 3M27480

1шт.

42

SBA199280750

SHIM,0.1mm Thk

1шт.

USED ON & ABOVE DRIVELINE 3M27480

1шт.

42

SBA199280760

SHIM

.2 or 0.008"

1шт.

USED ON & ABOVE DRIVELINE 3M27480

1шт.

42

SBA199280770

SHIM

.5 or 0.020"

1шт.

USED ON & ABOVE DRIVELINE 3M27480

1шт.

Выбрано товаров: 61