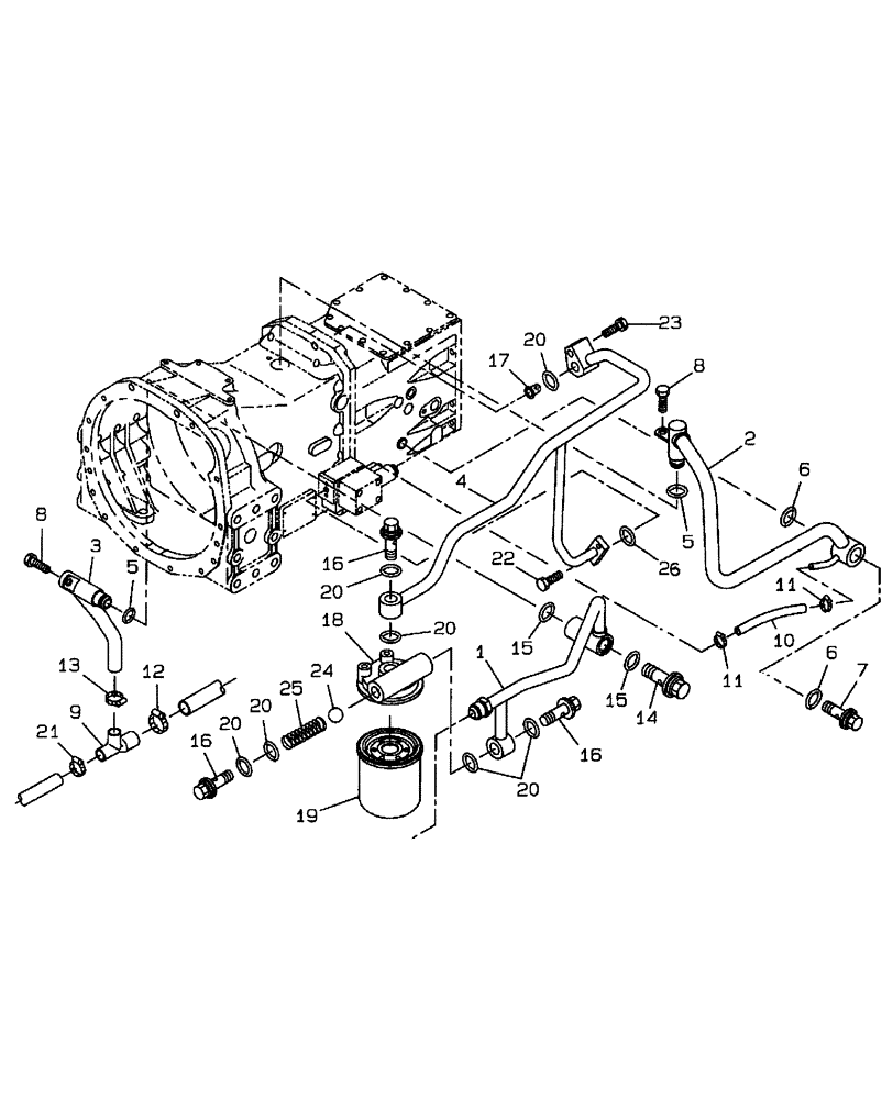
Запчасти Case IH D40 (07.11) - HYDRAULIC PIPING W/HST (07) - HYDRAULIC SYSTEM

Схема запчастей Case IH D40 - (07.11) - HYDRAULIC PIPING W/HST (07) - HYDRAULIC SYSTEM
16
8
7
1
3
15
19
23
21
16
6
20
12
14
22
4
2
20
9
20
6
16
11
17
26
13
8
5
15
20
20
25
10
5
11
24
18
20
FIT
1:1
100%

Артикул

Название

Примечание

Количество

1

SBA340708230

RIGID TUBE

1шт.

2

SBA340708240

RIGID TUBE

1шт.

3

SBA340708220

RIGID TUBE

1шт.

4

SBA340708250

RIGID TUBE

1шт.

5

SBA052100160

O-RING

2шт.

6

SBA052300250

O-RING

2шт.

7

SBA398480250

BANJO BOLT,1/2"

1шт.

8

SBA011510816

BOLT

M8 x 16

2шт.

9

SBA398120870

3 WAY CONNECTION

1шт.

10

SBA360770620

HOSE

Rubber

1шт.

11

SBA398750430

BAND

Hose

2шт.

12

SBA398750450

BAND

Hose

1шт.

13

SBA398750260

HOSE CLAMP

1шт.

14

SBA398481340

EYEBOLT

1шт.

15

SBA052100200

O-RING,2.4mm Thk x 19.8mm ID, 70 Duro

2шт.

16

SBA398480240

BANJO BOLT,3/8"

3шт.

17

SBA340520260

FILTER

1шт.

18

SBA340560440

FILTER HEAD

1шт.

19

SBA340501030

FILTER

Oil, W/Internal Bypass

1шт.

20

SBA052100200

O-RING,2.4mm Thk x 19.8mm ID, 70 Duro

7шт.

21

SBA398750450

BAND

Hose

1шт.

22

614-6016

BOLT,Hex, M6 x 1 x 16mm, Cl 8.8, Full Thd

2шт.

23

SBA011511045

BOLT

1шт.

24

SBA048100016

BALL

Steel

1шт.

25

SBA398213390

SPRING

1шт.

26

SBA052100120

O-RING

1шт.

29

86400268

HOLDER

P Shaped Clamp used to hold Ref. 27 & 28, Serial Range: tubes-transmission

1шт.

Not Illustrated

1шт.

Выбрано товаров: 28