Запчасти Case IH D40 (03.11.01) - LH LEVERS W/FWD (03) - TRANSMISSION

Схема запчастей Case IH D40 - (03.11.01) - LH LEVERS W/FWD (03) - TRANSMISSION
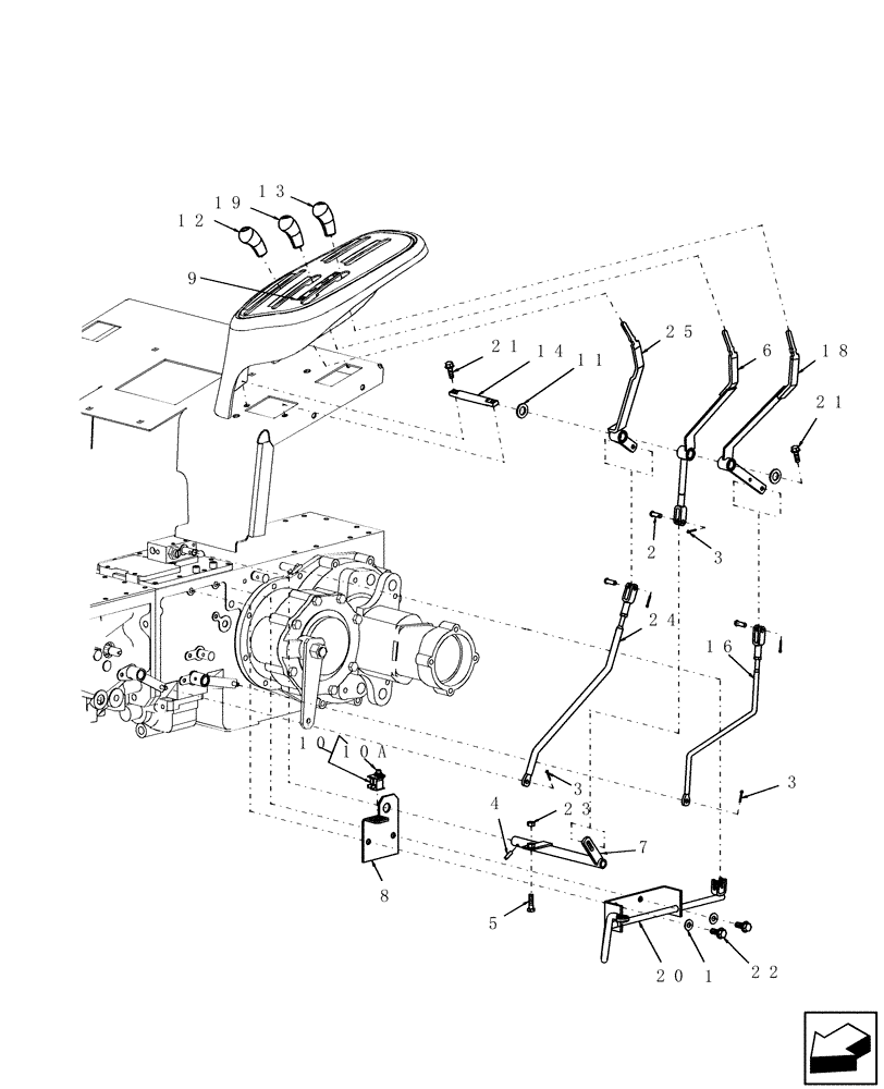
18
4
3
25
9
24
14
7
11
13
21
1
19
10a
22
8
16
23
12
10
3
21
2
3
20
6
5
FIT
1:1
100%

Артикул

Название

Примечание

Количество

1

140045

BELLEVILLE WASHER,M10 Bolt Size x 22mm OD x 1.6mm Thk

2шт.

2

200731

CLEVIS PIN,7.9mm OD x 26.72mm L

1шт.

3

280250

COTTER PIN,3/32" OD x 3/4" L

3шт.

4

412155

LOCK PIN,6mm OD x 20mm L, Slotted

1шт.

5

43128

BOLT,M8 x 1.25 x 30mm, Cl 8.8

1шт.

6

87301689

LEVER

PTO Indicator Includes: 86524680 Bushing

1шт.

7

86400152

LEVER

Change, PTO

1шт.

7

87312020

LEVER

Change, Lever, PTO

1шт.

PARKING BRAKE ALARM

1шт.

8

86400155

BRACKET

1шт.

8

87307677

BRACKET

Bracket

1шт.

PARKING BRAKE ALARM

1шт.

9

86400177

DECAL

FWD STD

1шт.

10

86400227

SWITCH,Two Connectors, 90° Terminals

Plunger SPST, PTO, Includes Ref 10A

1шт.

10a

86400465

BOOT

1шт.

11

140020

WASHER,17.5mm ID x 30mm OD x 3mm Thk

2шт.

12

86524779

KNOB

Range

1шт.

13

86524782

KNOB

FWD

1шт.

14

86558280

SHAFT

LH

1шт.

16

86558336

CONNECTING LINK

FWD

1шт.

18

87301691

LEVER

FWD Includes: Bushing 86524680

1шт.

19

86558454

KNOB

PTO Indicator

1шт.

20

86402605

DIFF. LOCK ASSY

LH

1шт.

21

9804260

BOLT,Hex, M8 x 1.25 x 30mm, Full Thd, Cl 8.8

2шт.

22

9804261

BOLT,Hex, M10 x 25mm, Cl 8.8, Full Thd

2шт.

23

9804277

FLANGE NUT,Hex, M8 x 1.25, Cl 8

1шт.

24

86401127

CONNECTING LINK

Range

1шт.

25

86401129

LEVER

HST Range Includes: 86524680 Bushing

1шт.

Выбрано товаров: 28