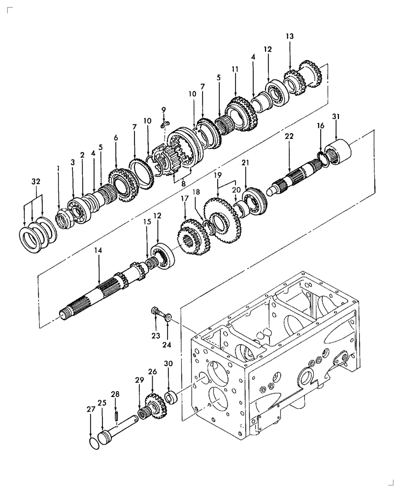
Запчасти Case IH D45 (03.08) - FRONT TRANSMISSION GEARS, LOWER 12X12 (03) - TRANSMISSION

Схема запчастей Case IH D45 - (03.08) - FRONT TRANSMISSION GEARS, LOWER 12X12 (03) - TRANSMISSION
20
23
8
7
4
5
10
26
24
21
28
29
16
27
5
4
13
11
25
15
1
6
22
32
14
10
9
18
3
30
2
17
12
31
19
12
7
FIT
1:1
100%

Артикул

Название

Примечание

Количество

1

SBA399370760

NUT

1шт.

2

SBA199280490

SHIM,0.5mm Thk

(.020")

1шт.

3

SBA040156306

BEARING ASSY

Ball

1шт.

4

SBA322610860

COUPLING

2шт.

5

SBA042209013

BEARING ASSY

Needle

2шт.

6

SBA322382580

GEAR

Counter B

1шт.

7

SBA322410130

RING

Sychronizer

2шт.

8

SBA322031850

GEAR SET

Fixing A

1шт.

9

SBA322420100

KEY

3шт.

9

SBA322420101

KEY

3шт.

USED ON & ABOVE DRIVELINE 3M49778 D35, 3M49790 D40, 3M49770 D45

1шт.

10

SBA398215630

RING

2шт.

11

SBA322382570

GEAR

Counter B

1шт.

12

37203

BALL BEARING,34.99mm ID x 72mm OD x 17mm W

2шт.

13

SBA322330191

GEAR

Fixing B

1шт.

14

SBA322531670

COUNTERSHAFT

1шт.

15

SBA042200520

BEARING ASSY

Needle

1шт.

16

301646

CIRCLIP

Int, M32

1шт.

17

SBA322361310

GEAR

Slide B

1шт.

18

370004

SNAP RING,M35 x 1.5mm Thk, External

1шт.

19

SBA322031451

GEAR

Counter B, Includes: Ref. 20

1шт.

20

SBA398511450

BUSHING

1шт.

21

SBA040156207

BEARING ASSY

Ball

1шт.

22

SBA322521330

MAIN SHAFT

1шт.

23

SBA399430190

BOLT

1шт.

24

SBA025100010

SEALING WASHER,9.2mm ID x 17mm OD x 1.8mm Thk

1шт.

25

SBA322560510

GEAR

Shaft

1шт.

26

SBA322372010

GEAR

Counter B

1шт.

27

SBA052300300

O-RING

1шт.

28

300868

ROLL PIN,6mm OD x 36mm L, Slotted

Spring

1шт.

29

SBA042200322

NEEDLE BEARING

1шт.

30

SBA399261940

THRUST WASHER

1шт.

31

SBA322610940

COUPLING

1шт.

32

SBA199280690

SHIM,0.1mm Thk

(.004")

1шт.

32

SBA199280700

SHIM,0.2mm Thk

(.008")

1шт.

32

SBA199280710

SHIM,0.5mm Thk

(.020")

1шт.

Выбрано товаров: 36