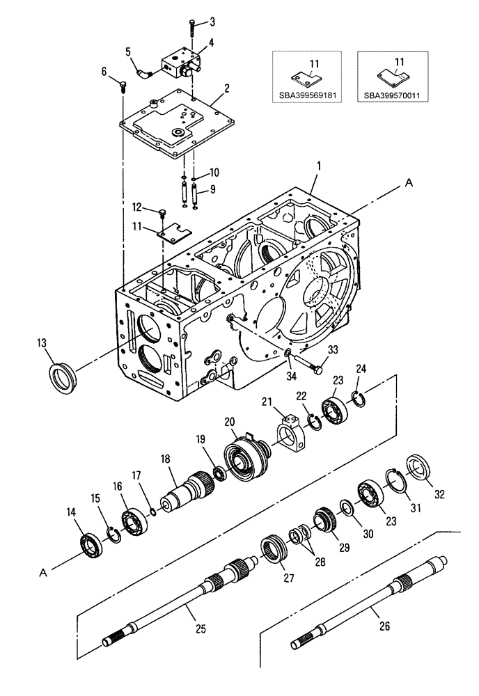
Запчасти Case IH D45 (03.13) - REAR TRANSMISSION PTO DRIVE, UPPER (03) - TRANSMISSION

Схема запчастей Case IH D45 - (03.13) - REAR TRANSMISSION PTO DRIVE, UPPER (03) - TRANSMISSION
19
29
2
23
14
24
16
11
25
31
33
20
11
30
13
10
27
17
12
1
34
18
23
11
22
28
4
15
5
26
32
21
3
6
9
FIT
1:1
100%

Артикул

Название

Примечание

Количество

1

SBA322117411

CASING

Rear Differential

1шт.

2

SBA322213431

COVER

PTO Indicator

1шт.

3

SBA011310645

CAPTIVE WASHER SCREW,Hex, M6 x 45, Cl 8.8

3шт.

4

SBA340016070

HYDRAULIC VALVE

PTO Control, D35, DX35 Refer to Fig. 03.13.01 for Components

1шт.

Replaced by SBA340016471 Valve. Component parts still serviced

1шт.

4

SBA340016471

HYDRAULIC VALVE

PTO Control, D35, DX35 Refer to Fig. 03.13.02 for Components

1шт.

4

SBA340015980

HYDRAULIC VALVE

PTO Control, D40, DX40, D45, DX45 Refer to Fig. 03.13.01 for Components

1шт.

Replaced by SBA340016461 Valve. Component parts still serviced.

1шт.

4

SBA340016461

HYDRAULIC VALVE

PTO Control, D40, DX40, D45, DX45 Refer to Fig. 03.13.02 for Components

1шт.

5

SBA340671580

ADAPTER

1шт.

6

SBA010109424

BOLT

w/Washer

12шт.

9

SBA340615850

RIGID TUBE

2шт.

10

SBA052120070

O-RING

4шт.

11

SBA399568690

PLATE

U Shaped Flat Profile

1шт.

11

SBA399570011

PLATE

L Shaped with Stepped Profile. Refer to Product Update Program A1804

1шт.

SBA320040910 Clutch is replaced by SBA320041051 Clutch, SBA011510820 Bolt & SBA399570011 Plate

1шт.

11

SBA399569181

PLATE

L Shaped Flat Profile

1шт.

Effective with Driveline 3M37366 D35 & DX35, 3M37439 D40 & DX40, 3M37367 D45 & DX45

1шт.

12

SBA011510816

BOLT

M8 x 16

2шт.

SBA320040910 Clutch is replaced by SBA320041051 Clutch, SBA011510820 Bolt & SBA399570011 Plate

1шт.

12

SBA011510820

CAPTIVE WASHER SCREW,Hex, M8 x 20, G5

2шт.

Effective with Driveline 3M37366 D35 & DX35, 3M37439 D40 & DX40, 3M37367 D45 & DX45

1шт.

13

SBA322262830

HOLDER

Bearing

1шт.

14

86516078

BALL BEARING,40mm ID x 68mm OD x 15mm W

1шт.

15

370007

SNAP RING,M45, Ext

1шт.

16

SBA040106009

BALL BEARING

1шт.

17

SBA036500018

SNAP RING

1шт.

18

SBA322590860

SHAFT

PTO Indicator

1шт.

19

SBA040106004

BALL BEARING

1шт.

20

SBA320040910

CLUTCH

PTO, Refer to Fig. 03.04.03 for Components

1шт.

SBA320040910 Clutch is replaced by SBA320041051 Clutch, SBA011510820 Bolt & SBA399570011 Plate

1шт.

20

SBA320041051

CLUTCH

PTO, Refer to Fig. 03.04.03 for Components

1шт.

Effective with Driveline 3M37366 D35 & DX35, 3M37439 D40 & DX40, 3M37367 D45 & DX45

1шт.

21

SBA340330131

COVER

Swivel Joint

1шт.

21

SBA340330132

COVER

Swivel Joint

1шт.

USED ON & ABOVE DRIVELINE # 3M50637-D35/DX35, 3M50617-D40/DX40, 3M50667-D45/DX45

1шт.

22

SBA036100055

SNAP RING

1шт.

23

46805

BALL BEARING,30mm ID x 72mm OD x 19mm W

2шт.

24

SBA036100055

SNAP RING

DX35, DX40 w/HST

1шт.

25

SBA322571400

COUNTERSHAFT

PTO, DX35, DX40 w/HST

1шт.

26

SBA322571410

COUNTERSHAFT

PTO, DX45 w/LST and D35, D40, D45 w/12x12

1шт.

27

SBA322460060

SLEEVE

DX35, DX40 w/HST

1шт.

28

SBA042200135

BEARING ASSY

Needle, DX35, DX40 w/HST

2шт.

29

SBA322382480

GEAR

Mid-PTO, DX35, DX40 w/HST

1шт.

30

SBA399260890

THRUST WASHER

DX35, DX40 w/HST

1шт.

31

370018

SNAP RING,M72, Internal

DX35, DX40 w/HST

1шт.

32

SBA322140270

COVER

Seal DX35, DX40 w/HST

1шт.

33

SBA399430630

BOLT

2шт.

34

SBA025100010

SEALING WASHER,9.2mm ID x 17mm OD x 1.8mm Thk

2шт.

Выбрано товаров: 49