Запчасти Case IH DX18E (14.01) - DECALS (13) - DECALS

Схема запчастей Case IH DX18E - (14.01) - DECALS (13) - DECALS
37
23
30
54
2
4
41
22
21
11
12
43
29
33
3
26
20
25
51
40
50
15
31
18
28
24
17
55
45
46
13
16
1
49
47
14
44
32
19
52
38
48
9
10
FIT
1:1
100%

Артикул

Название

Примечание

Количество

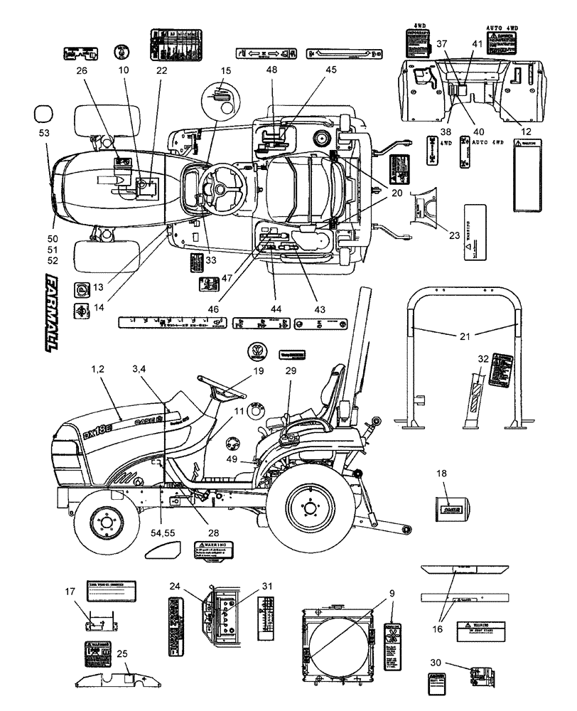
1

SBA390122880

DECAL

DX18E CASE IH, LH

1шт.

1

SBA390122900

DECAL

DX24E CASE IH, LH

1шт.

2

SBA390122890

DECAL

CASE IH DX18E, RH

1шт.

2

SBA390122910

DECAL

CASE IH DX24E, RH

1шт.

3

SBA390160390

DECAL

Dashboard, LH

1шт.

4

SBA390160400

DECAL

Dashboard, RH

1шт.

9

SBA390198470

DECAL

Cooling Fan

2шт.

10

SBA390230220

DECAL

Engine Oil

1шт.

11

SBA390197280

DECAL

Ignition

1шт.

12

SBA390198381

DECAL

WARNING, Before Starting & Operating

1шт.

13

SBA390198361

DECAL

Parking Brake

1шт.

14

SBA390198701

DECAL

Caution

1шт.

18

SBA390101500

DECAL

CASE IH

1шт.

15

SBA390430290

DECAL

Throttle

1шт.

16

SBA490990571

DECAL

WARNING, To Jump Start

1шт.

17

SBA390198370

DECAL

Diesel Engine Oil Information

1шт.

19

SBA390101470

DECAL

1шт.

20

SBA390198170

DECAL

Caution

2шт.

21

SBA385150260

DECAL

TAPE, Reflective

2шт.

22

SBA390198771

DECAL

Lubrication

1шт.

23

SBA390198910

DECAL

Starter

1шт.

25

SBA390197660

DECAL

DANGER, Explosive Acid Poison

1шт.

26

SBA390198721

DECAL

CAUTION, Radiator

1шт.

29

SBA390198780

DECAL

1шт.

27

SBA390198940

DECAL

CAUTION, Air Cleaner

1шт.

28

SBA390198480

PLATE

Guard Mounting

2шт.

30

SBA190196684

DECAL

DANGER, Start Engine Only from Operator's Seat

1шт.

31

SBA390198840

DECAL

1шт.

32

SBA390198930

DECAL

Caution, ROPS

1шт.

33

SBA390198830

DECAL

HST Caution

1шт.

37

SBA390198310

DECAL

IMPORTANT, for Normal Operation

1шт.

38

SBA390173871

DECAL

4WD

1шт.

40

SBA390174221

DECAL

AUTO

1шт.

41

SBA390198820

DECAL

Auto 4WD Danger

1шт.

43

SBA390174181

DECAL

L-H

1шт.

44

SBA390174191

DECAL

PTO

1шт.

45

SBA390174201

DECAL

Independent PTO

1шт.

46

SBA390174212

DECAL

Cutting Height

1шт.

47

SBA390198950

DECAL

3 Point must be completely raised prior to adjusting CUTTING HEIGHT

1шт.

48

SBA390372542

DECAL

1шт.

49

SBA390372471

DECAL

Flow Control Valve

1шт.

50

86405242

EMBLEM CASE/IH

FARMALL

1шт.

50

87303165

DECAL

FARMALL, Roll Bar

2шт.

51

SBA399370900

NUT

2шт.

52

SBA398122210

RUBBER BAND

2шт.

53

SBA390101480

DECAL

1шт.

54

SBA390123110

DECAL

LH

1шт.

55

SBA390123120

DECAL

RH

1шт.

56

87297495

DECAL

FARMALL, Fits on the RollBar

1шт.

Not Illustrated

1шт.

Выбрано товаров: 50