Запчасти Case IH DX18E (01.06) - WATER PUMP & FAN (01) - ENGINE

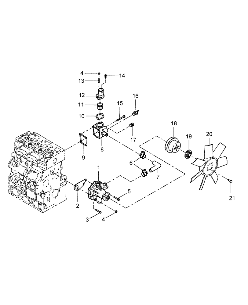
Схема запчастей Case IH DX18E - (01.06) - WATER PUMP & FAN (01) - ENGINE
15
10
8
6
16
14
18
17
5
4
4
21
13
20
2
7
11
19
3
9
1
12
FIT
1:1
100%

Артикул

Название

Примечание

Количество

1

SBA145017920

WATER PUMP

ASSY.

1шт.

2

SBA145996830

GASKET

1шт.

3

SBA011310645

CAPTIVE WASHER SCREW,Hex, M6 x 45, Cl 8.8

2шт.

4

9804276

FLANGE NUT,Hex, M6 x 1, Cl 8

2/1шт.

5

SBA011310635

CAPTIVE WASHER SCREW,Hex, M6 x 35, Cl 8.8

1шт.

6

SBA067100022

HOSE CLAMP

Band

1шт.

7

SBA145536051

HOSE

1шт.

8

SBA145216750

PLATE

Thermostat Case

1шт.

8

SBA145216880

HOUSING

Thermostat Case, Requires (2) Ref. 14

1шт.

9

SBA145996840

GASKET

1шт.

10

SBA145996850

GASKET

1шт.

11

SBA145206062

THERMOSTAT

1шт.

12

SBA145226490

HOUSING

Thermostat Cover

1шт.

13

SBA012110620

STUD

Stud, Used with Ref. 8 SBA145216750

1шт.

14

120100

BOLT,M6 x 20mm, Cl 8.8

Used with Ref. 8 SBA145216750

1шт.

14

120100

BOLT,M6 x 20mm, Cl 8.8

Used with Ref. 8 SBA145216880

2шт.

15

SBA011310660

BOLT

4шт.

16

SBA385720011

SENSOR

1шт.

17

SBA064500030

PLUG,3/8"

1шт.

18

SBA145336490

PULLEY

1шт.

19

SBA145386910

HOLDER

1шт.

20

SBA145306460

FAN

1шт.

21

SBA011310625

CAPTIVE WASHER SCREW,Hex, M6 x 25, Cl 8.8

4шт.

Выбрано товаров: 23