Запчасти Case IH DX21 (01.14) - INJECTION PUMP & LINES (01) - ENGINE

Схема запчастей Case IH DX21 - (01.14) - INJECTION PUMP & LINES (01) - ENGINE
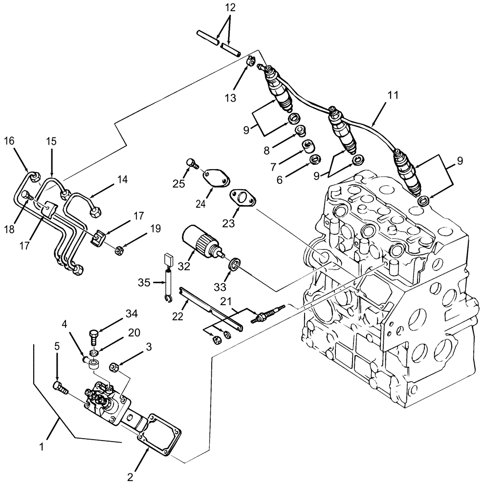
21
2
9
6
16
34
32
13
9
35
33
18
3
14
9
7
22
25
1
24
17
23
19
15
4
12
17
11
5
20
8
FIT
1:1
100%

Артикул

Название

Примечание

Количество

1

SBA131017710

FUEL INJECTION PUMP

1шт.

SBA131017711R

REMAN-FUEL INJ PUMP

DX21 (12/03-), Reman for New P/N SBA131017710

1шт.

SBA131017711C

CORE-FUEL INJ PUMP

Return Number

1шт.

2

SBA131426300

SHIM KIT

Shim

1шт.

3

9804276

FLANGE NUT,Hex, M6 x 1, Cl 8

2шт.

4

SBA131246130

HYD CONNECTOR

1шт.

5

43139

BOLT,M10 x 1.5 x 25mm, Cl 8.8

2шт.

6

SBA198996050

GASKET

3шт.

7

SBA111316230

SPACER

Insert

3шт.

8

SBA111346020

SHIELD

Cap

3шт.

9

SBA131406460

FUEL SYSTEM INJECTOR

3шт.

9

SBA131406460R

REMAN-FUEL INJECTOR

DX21 COMPACT TRACTOR (12/03-)

3шт.

9

SBA131406460C

CORE-FUEL INJECTOR

Return Number

3шт.

11

SBA131606150

TUBE

1шт.

12

SBA068209041

INJECTION PIPE

1шт.

13

SBA067200078

HOSE CLAMP

Clip

1шт.

14

SBA131506650

TUBE

Injection

1шт.

15

SBA131506660

TUBE

Injection

1шт.

16

SBA131506670

TUBE

Injection

1шт.

17

SBA199106020

CLAMP

4шт.

18

86977786

BOLT,Hex, M6 x 1 x 25mm, Cl 8.8

2шт.

19

9804276

FLANGE NUT,Hex, M6 x 1, Cl 8

2шт.

20

SBA131426180

WASHER

2шт.

21

SBA185366190

GLOW PLUG

3шт.

22

SBA185376110

CONTACT PLATE

1шт.

23

SBA130996130

GASKET

1шт.

24

SBA165206640

COVER

1шт.

25

SBA011310616

BOLT,M6 x 1 x 16, Cl 8.8

2шт.

32

SBA185206083

SOLENOID

1шт.

33

SBA025100016

WASHER,16.4mm ID x 27mm OD x 2mm Thk

Seal

1шт.

34

SBA131236280

SCREW

M6x10

1шт.

35

SBA185606170

WIRE HARNESS

1шт.

Выбрано товаров: 0