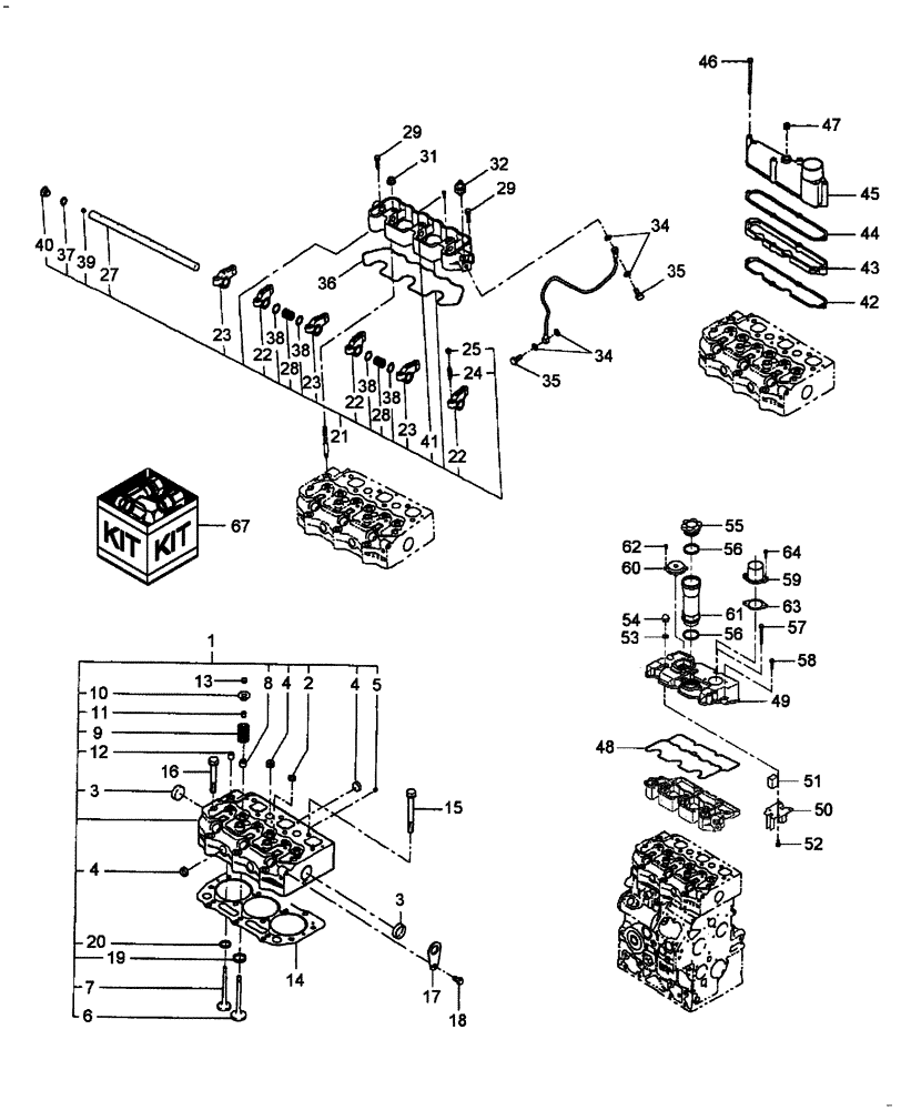
Запчасти Case IH DX23 (01.06) - CYLINDER HEAD, ROCKER ARM, HEAD COVER & INTAKE MANIFOLD (01) - ENGINE

Схема запчастей Case IH DX23 - (01.06) - CYLINDER HEAD, ROCKER ARM, HEAD COVER & INTAKE MANIFOLD (01) - ENGINE
34
58
20
64
52
59
62
47
28
54
61
11
22
43
14
4
1
57
29
31
53
40
55
35
3
37
18
29
24
13
4
36
17
44
38
28
38
46
38
42
23
23
23
58
22
7
39
27
5
8
12
35
32
63
4
3
41
51
67
34
21
2
60
38
19
49
56
22
6
48
25
10
50
15
16
9
45
FIT
1:1
100%

Артикул

Название

Примечание

Количество

1

SBA111010580

CYLINDER HEAD

DX23

1шт.

1

SBA111010580R

REMAN-CYLINDER HEAD

DX23 COMPACT TRACTOR (1/05-)

1шт.

1

SBA111010580C

CORE-CYLINDER HEAD

Return Number

1шт.

1

SBA111013020

CYLINDER HEAD

DX26

1шт.

2

SBA064210015

CAP

Sealing

2шт.

3

SBA064210030

PLUG,30mm

2шт.

4

SBA064210018

PLUG

Sealing

6шт.

5

SBA012110625

STUD,M6 x 25

2шт.

6

SBA120166360

STD INLET VALVE

STD ENGINE INLET VALVE

3шт.

7

SBA120176250

STD EXHAUST VALVE

STD ENGINE EXHAUST VALVE

3шт.

8

SBA120406070

SEAL

Intake

3шт.

9

SBA198216700

SPRING

6шт.

10

SBA120186080

RETAINER

6шт.

11

SBA120226070

RETAINER

Keeper, Valve

12шт.

12

SBA120406050

SEAL

Exhaust

3шт.

13

SBA120216040

CAP

6шт.

14

SBA111147560

CYLINDER HEAD GASKET

T=1.2

1шт.

14

SBA111147570

CYLINDER HEAD GASKET

T=1.3

1шт.

Not Included in Long Block

1шт.

15

SBA111136440

BOLT

Head

11шт.

16

SBA111136450

BOLT

Head

3шт.

17

SBA195816200

HANGER

Hanger

2шт.

18

SBA011510816

BOLT

M8 x 16

2шт.

19

NS

NOT SERVICED

Valve Seat

3шт.

20

SBA110136300

VALVE SEAT

Valve Seat

3шт.

21

SBA120036980

ROCKER ARM

Arm, Rocker

1шт.

22

SBA120356200

ROCKER ARM

Intake

3шт.

23

SBA120356210

ROCKER ARM

Exhaust

3шт.

24

SBA199486220

ADJUSTMENT SCREW

6шт.

25

SBA020109076

NUT

6шт.

27

SBA120316300

SHAFT

Rocker

1шт.

28

SBA198216780

SPRING

2шт.

29

SBA011310625

CAPTIVE WASHER SCREW,Hex, M6 x 25, Cl 8.8

2шт.

30

SBA012109177

STUD

3шт.

31

9804277

FLANGE NUT,Hex, M8 x 1.25, Cl 8

3шт.

32

SBA185246060

SENDER UNIT

Engine Oil Pressure

1шт.

33

SBA140607400

TUBE

Oil, DX23

1шт.

33

SBA140607270

PIPE

Oil, DX26

1шт.

34

SBA140996260

SEAL

4шт.

35

SBA198486780

BANJO BOLT

Eye

2шт.

36

SBA120996150

GASKET

1шт.

37

SBA052109101

SEAL

1шт.

38

SBA199280280

CLUTCH

4шт.

39

SBA199486320

SCREW

1шт.

40

SBA198436150

PLUG

1шт.

41

44334

SCREW,Cross Pan Hd, M4 x 12

1шт.

42

SBA135996940

GASKET

1шт.

43

SBA135597750

SPACER

1шт.

44

SBA135996930

GASKET

1шт.

45

SBA135597740

INLET MANIFOLD

1шт.

46

SBA011310680

BOLT

4шт.

47

SBA064400020

PLUG

1шт.

48

SBA111996420

GASKET

1шт.

49

SBA111217760

COVER

HEAD ASSY.

1шт.

50

SBA110666220

DRAIN PLUG

1шт.

51

SBA110666060

FILTER SCREEN

1шт.

52

SBA015600406

SCREW

4шт.

53

SBA140996260

SEAL

3шт.

54

SBA024600008

NUT

Cap

3шт.

55

SBA198436010

FILLER CAP

1шт.

56

SBA052100400

O-RING,3.5mm Thk x 39.7mm ID, 70 Duro

2шт.

57

SBA011310680

BOLT

3шт.

58

SBA011310625

CAPTIVE WASHER SCREW,Hex, M6 x 25, Cl 8.8

2шт.

59

SBA135566560

AIR INTAKE

1шт.

60

SBA110566080

BREATHER

Cover

1шт.

61

SBA110466031

TUBE

Filler

1шт.

62

SBA011100408

BOLT

4шт.

63

SBA135996750

GASKET

Air Intake

1шт.

64

SBA011310620

BOLT

2шт.

67

SBA195907390

GASKET KIT

DX23 Includes: Parts Listed Below, Replace Countermeasure for excessive white smoke at starting engine

1шт.

USED BEFORE PIN HDG310040

1шт.

Used to Replace the installed Head Gasket with the new one which is thinner to be able to adjust the compression ration properly.

1шт.

SBA111147565

CYLINDER HEAD GASKET

Gasket, Head 1.1

1шт.

SBA131437595

SHIM

Shim, Adjusting 0.1

1шт.

SBA131426300

SHIM KIT

Shim

1шт.

SBA131426230

SEAL

Nozzle

3шт.

SBA140996280

GASKET

5шт.

Выбрано товаров: 77