Запчасти Case IH DX23 (01.12) - ALTERNATOR (01) - ENGINE

Схема запчастей Case IH DX23 - (01.12) - ALTERNATOR (01) - ENGINE
32
27
12
5
25
13
3
28
14
26
34
19
31
18
15
9
17
10
16
11
29
22
6
21
35
2
36
4
33
30
24
23
8
7
1
1
20
FIT
1:1
100%

Артикул

Название

Примечание

Количество

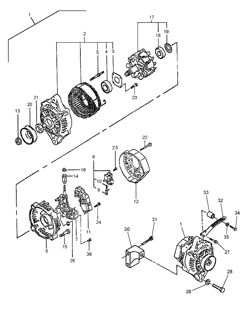
1

SBA185046440

ALTERNATOR

1шт.

2

SBA185446221

FRAME

1шт.

3

SBA185446223

RETAINING PLATE

1шт.

4

SBA185446244

SEALING RING COLLAR

1шт.

5

SBA185446227

BOLT

2шт.

6

SBA185446228

ALTERNATOR STATOR

1шт.

7

SBA185446229

RECTIFIER

Holder

1шт.

8

SBA185446306

BRACKET

Holder, Brush

1шт.

9

SBA185446231

COMMUTATOR BRUSH

2шт.

10

SBA185446232

SPRING

2шт.

11

SBA185446307

REGULATOR

1шт.

12

SBA185446308

COVER

Rear

1шт.

13

SBA185446236

NUT

1шт.

14

SBA185446237

INSULATOR

1шт.

15

SBA185446238

BOLT

2шт.

16

SBA185446239

NUT

1шт.

17

SBA185446240

ROTOR

1шт.

18

SBA185446241

BALL BEARING

1шт.

19

SBA185446242

COVER

1шт.

20

SBA185446243

PULLEY

1шт.

21

SBA185446244

SEALING RING COLLAR

1шт.

22

SBA185446245

BOLT

3шт.

23

SBA185446258

SCREW

4шт.

24

SBA185446262

SCREW

2шт.

25

SBA185446260

SCREW

6шт.

26

SBA185446259

NUT

1шт.

27

SBA011310616

BOLT,M6 x 1 x 16, Cl 8.8

2шт.

28

SBA011511040

BOLT,M10 x 40

1шт.

29

86511323

WASHER,10.5mm ID x 20mm OD x 2mm Thk

1шт.

30

SBA185976781

BLOCK

Stay

1шт.

31

SBA011510855

BOLT

M8 x 55

2шт.

32

SBA185726971

ADJUSTING PLATE

1шт.

33

SBA199236680

SEALING RING COLLAR

1шт.

34

SBA011510840

BOLT,M6 x 40mm

1шт.

35

SBA026109017

WASHER

M8

1шт.

36

SBA185446261

SCREW

1шт.

Выбрано товаров: 36