Запчасти Case IH DX23 (01.14) - INJECTION PUMP & LINES (01) - ENGINE

Схема запчастей Case IH DX23 - (01.14) - INJECTION PUMP & LINES (01) - ENGINE
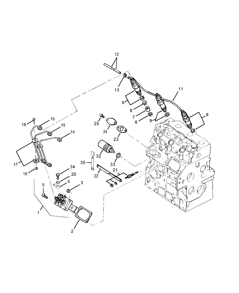
13
9
22
32
5
2
7
9
9
24
3
17
15
16
19
14
1
35
23
11
6
12
33
25
18
34
21
20
8
4
FIT
1:1
100%

Артикул

Название

Примечание

Количество

1

SBA131017710

FUEL INJECTION PUMP

DX23

1шт.

SBA131017711R

REMAN-FUEL INJ PUMP

DX23 (1/05-), Reman for New P/N SBA131017710

1шт.

SBA131017711C

CORE-FUEL INJ PUMP

Return Number

1шт.

1

SBA131017711

FUEL INJECTION PUMP

DX23, Component Parts Not Serviced Separately

1шт.

USED ON & ABOVE PIN HDG310020

1шт.

SBA131017711R

REMAN-FUEL INJ PUMP

DX23 (1/05-)

1шт.

SBA131017711C

CORE-FUEL INJ PUMP

Return Number

1шт.

1

SBA131017640

FUEL INJECTION PUMP

DX26

1шт.

SBA131017641R

REMAN-FUEL INJ PUMP

DX26 3 CYL COMPACT TRACTOR (1/05-), Reman For New P/N SBA131017640

1шт.

SBA131017641C

CORE-FUEL INJ PUMP

Return Number

1шт.

1

SBA131017641

FUEL INJECTION PUMP

DX26

1шт.

USED ON & ABOVE PIN HDG410091

1шт.

SBA131017641R

REMAN-FUEL INJ PUMP

DX26 3 CYL COMPACT TRACTOR (1/05-)

1шт.

SBA131017641C

CORE-FUEL INJ PUMP

Return Number

1шт.

2

SBA131437590

SHIM

Kit

1шт.

3

9804276

FLANGE NUT,Hex, M6 x 1, Cl 8

2шт.

4

SBA131246130

HYD CONNECTOR

1шт.

5

43139

BOLT,M10 x 1.5 x 25mm, Cl 8.8

2шт.

6

SBA198996050

GASKET

3шт.

7

SBA111316230

SPACER

Insert

3шт.

8

SBA111346020

SHIELD

Cap

3шт.

9

SBA131406440

FUEL SYSTEM INJECTOR

Includes: Ref. 9A

3шт.

SBA131406440R

REMAN-FUEL INJECTOR

DX23, DX26 Both (1/05-)

3шт.

SBA131406440C

CORE-FUEL INJECTOR

Return Number

1шт.

9a

SBA131426200

SEAL

3шт.

11

SBA140607270

PIPE

Pipe, Return

1шт.

12

SBA068209041

INJECTION PIPE

1шт.

13

SBA067200078

HOSE CLAMP

Clip

1шт.

14

SBA131507950

RIGID TUBE

Injection, DX23

1шт.

14

SBA131507740

INJECTION PIPE

Injection, DX26

1шт.

15

SBA131507960

TUBE

Injection, DX23

1шт.

15

SBA131507750

INJECTION PIPE

DX26

1шт.

16

SBA131507970

TUBE

Injection, DX23

1шт.

16

SBA131507760

INJECTION PIPE

DX26

1шт.

17

SBA199106020

CLAMP

4шт.

18

86977786

BOLT,Hex, M6 x 1 x 25mm, Cl 8.8

2шт.

19

9804276

FLANGE NUT,Hex, M6 x 1, Cl 8

2шт.

20

SBA131426180

WASHER

2шт.

21

SBA185366220

GLOW PLUG

3шт.

22

SBA185376370

WIRE HARNESS

1шт.

23

SBA130996130

GASKET

1шт.

24

SBA165206640

COVER

1шт.

25

SBA011310616

BOLT,M6 x 1 x 16, Cl 8.8

2шт.

32

SBA185206083

SOLENOID

1шт.

33

SBA025100016

WASHER,16.4mm ID x 27mm OD x 2mm Thk

Seal

1шт.

34

SBA131236280

SCREW

M6x10

1шт.

35

SBA185606170

WIRE HARNESS

1шт.

Выбрано товаров: 47