Запчасти Case IH DX23 (03.12.01) - HYDROSTATIC TRANSMISSION (03) - TRANSMISSION

Схема запчастей Case IH DX23 - (03.12.01) - HYDROSTATIC TRANSMISSION (03) - TRANSMISSION
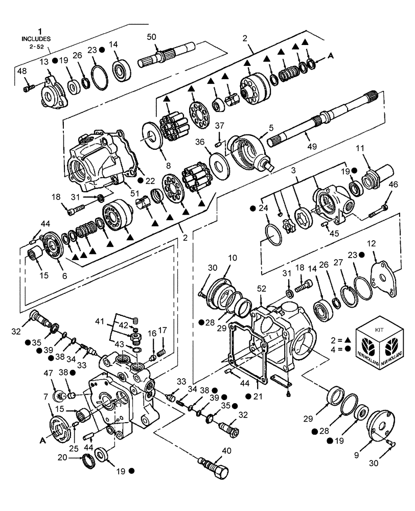
1
18
38
34
8
43
11
49
35
12
42
23
44
2
2
7
47
26
25
4
31
19
29
2
6
30
48
44
17
26
14
39
44
28
19
38
34
51
5
9
32
52
41
27
31
15
46
30
19
28
13
22
50
40
38
45
14
10
24
23
32
15
36
19
37
39
33
20
3
18
33
21
35
16
29
FIT
1:1
100%

Артикул

Название

Примечание

Количество

1

SBA322800171

TRANSMISSION, HYDROS

HST Assy., Includes: Ref. 2 thru 52

1шт.

2

SBA322840862

KIT

Kit, Block

1шт.

3

SBA322840861

HYDROSTATIC PUMP

Pump, Boost

1шт.

4

SBA322840860

SEAL KIT

Kit, Seal

1шт.

5

SBA322840865

PLATE

Plate

1шт.

6

SBA322840867

PLATE

Plate, Valve

1шт.

7

SBA322840868

PLATE

Plate, Valve

1шт.

8

SBA322840350

PLATE

Thrust

1шт.

9

SBA322840869

COVER

Cover

1шт.

10

SBA322840870

COVER

Cover

1шт.

11

SBA322840420

SUPPORT

Holder

1шт.

12

SBA322840400

PLATE

1шт.

13

SBA322840460

COVER

1шт.

14

SBA040106304

BALL BEARING,20mm ID x 52mm OD x 15mm W

2шт.

15

SBA322840310

NEEDLE

Bearing

2шт.

16

SBA322840728

CONTROL VALVE

1шт.

17

SBA322840727

SPRING

1шт.

18

SBA010701035

BOLT

8шт.

19

SBA322840150

SEAL

Seal, Oil

4шт.

20

300642

CIRCLIP,M35 x 1.5mm W, Internal

1шт.

21

SBA322840430

GASKET

Gasket

1шт.

22

SBA322840450

GASKET

Gasket

1шт.

23

SBA322840871

O-RING

O-Ring

2шт.

24

SBA322840160

O-RING

O-Ring

1шт.

25

SBA322840700

PIN

2шт.

26

K0461200200

RING

2шт.

27

33915

SNAP RING,2.062", Int, #206

1шт.

28

SBA052300550

O-RING

O-Ring

2шт.

29

SBA322840872

BUSHING

Bushing

2шт.

30

SBA015200512

SCREW

6шт.

31

SBA026200010

WASHER

Washer

8шт.

32

SBA322840874

PLUG

Plug

2шт.

33

SBA322840876

POPPET

Poppet

2шт.

34

SBA322840875

SPRING-CHECK

Spring

2шт.

35

SBA322840170

SEAL

Seal, Bonded

2шт.

36

SBA322840877

THRUST PLATE

Plate, Thrust

1шт.

37

SBA322840779

PIN

2шт.

38

SBA052110140

O-RING

4шт.

39

SBA322840741

RING

Ring, Back UP

2шт.

40

SBA322840878

VALVE PRESSURE RELIE

Valve

1шт.

41

SBA322840110

PLUG

1шт.

42

SBA322840130

GASKET

Packing

1шт.

43

SBA052100140

O-RING

1шт.

44

SBA322840809

PIN

5шт.

45

SBA410810460

PIN

2шт.

46

SBA322840879

BOLT

Bolt

3шт.

47

SBA322840777

PLUG

Neutral Valve

1шт.

48

86512134

HEX SOC SCREW,M6 x 16mm, Cl 12.9

3шт.

49

SBA322840866

SHAFT

Shaft, Input

1шт.

50

SBA322840370

SHAFT

Shaft, Output

1шт.

51

NSS

NOT SOLD SEPARAT

Casing, Motor

1шт.

52

NSS

NOT SOLD SEPARAT

Casing, Pump

1шт.

Выбрано товаров: 52