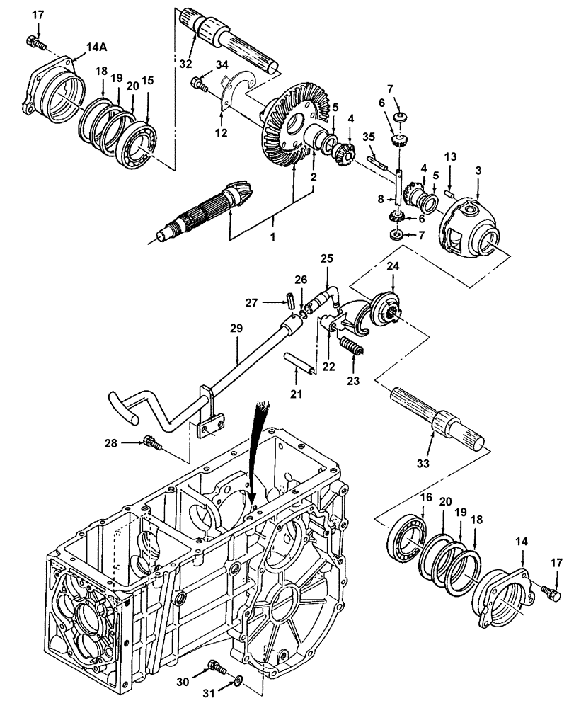
Запчасти Case IH DX23 (05.02) - DIFFERENTIAL & LOCK LINKAGE W/9 X 3 (05) - REAR AXLE

Схема запчастей Case IH DX23 - (05.02) - DIFFERENTIAL & LOCK LINKAGE W/9 X 3 (05) - REAR AXLE
22
25
4
7
8
28
12
13
17
14
1
2
15
29
33
6
18
4
23
7
24
27
26
5
5
19
32
19
20
30
35
20
16
18
17
3
21
6
34
31
14a
FIT
1:1
100%

Артикул

Название

Примечание

Количество

1

SBA322051230

DRIVE PINION

1шт.

2

SBA398511810

DRIVE BUSHING

1шт.

3

SBA326110940

TRANSMISSION HOUSING

1шт.

4

SBA326140380

DIFFERENTIAL GEAR

2шт.

5

SBA399261080

THRUST WASHER

2шт.

6

SBA326160030

DRIVE PINION

2шт.

7

SBA399260130

THRUST WASHER

4шт.

8

SBA326130591

SHAFT

1шт.

12

SBA399310270

LOCK WASHER

2шт.

13

SBA030500820

PIN

2шт.

14

SBA326220370

BEARING CARRIER

1шт.

14a

SBA326220300

SUPPORT

Bearing

1шт.

15

86516079

BALL BEARING,50mm ID x 80mm OD x 16mm W

1шт.

16

SBA040109041

BALL BEARING,55mm ID x 80mm OD x 13mm W

1шт.

17

SBA011510830

BOLT

M8 x 30

8шт.

18

SBA199280750

SHIM,0.1mm Thk

1шт.

19

SBA199280760

SHIM

.2 or 0.008"

1шт.

20

SBA199280770

SHIM

.5 or 0.020"

1шт.

21

SBA399611000

PIN

1шт.

22

SBA326570170

FORK

Differential Lock

1шт.

23

SBA398213160

SPRING

1шт.

24

SBA326610240

CLUTCH

Differential Lock

1шт.

25

SBA324210870

ARM

Shift

1шт.

26

SBA052100120

O-RING

1шт.

27

300868

ROLL PIN,6mm OD x 36mm L, Slotted

M6 x 36

1шт.

28

SBA011510820

CAPTIVE WASHER SCREW,Hex, M8 x 20, G5

2шт.

29

SBA326501131

PEDAL

Differential Lock

1шт.

30

SBA064600016

PLUG

M16

2шт.

31

SBA025100016

WASHER,16.4mm ID x 27mm OD x 2mm Thk

Sealing

2шт.

32

SBA326211650

SHAFT

R

1шт.

33

SBA326211640

SHAFT

L

1шт.

34

120104

BOLT,Hex, M8 x 1.25 x 20mm, Cl 8.8

6шт.

35

SBA399611770

PIN

Differential

1шт.

Выбрано товаров: 33