Запчасти Case IH DX23 (07.01) - HYDRAULIC LIFT COVER & ARMS (07) - HYDRAULIC SYSTEM

Схема запчастей Case IH DX23 - (07.01) - HYDRAULIC LIFT COVER & ARMS (07) - HYDRAULIC SYSTEM
17
59
12
28
25a
16
39
56
43
41
23
49
5a
42
22
19
11
40
14
52
34
19
54
13
48
9
44
45
29
33a
35
15
46
30
26
2
33
37
47
6
11
51
38
1
3
51
58
53
10
36
25
18
31
24
5b
57
7
50
32
20
5
55
27
8
21
FIT
1:1
100%

Артикул

Название

Примечание

Количество

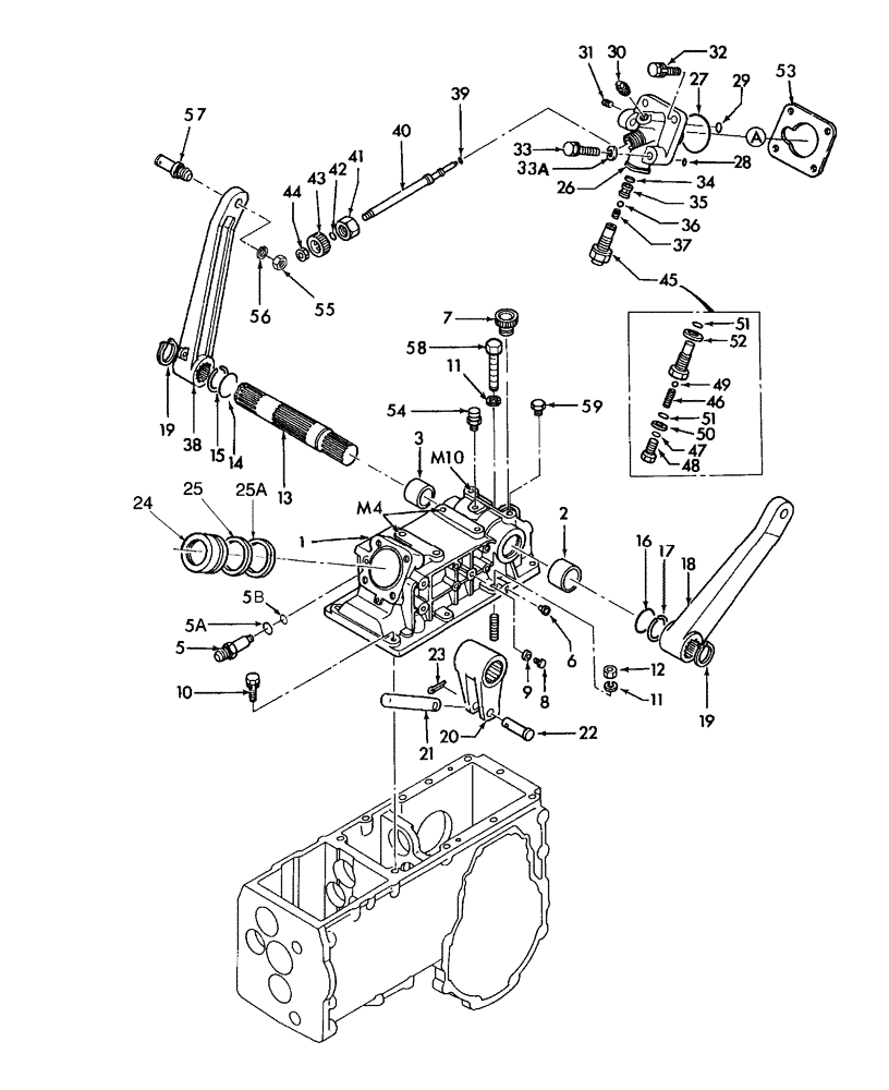
1

SBA344081280

CASING

1шт.

2

SBA398510030

BUSHING

1шт.

3

SBA398510340

BUSHING

1шт.

5

SBA340673250

ADAPTER

1шт.

5a

SBA052110150

O-RING

1шт.

5b

SBA052110110

O-RING

1шт.

6

SBA398460020

PLUG

Blank

1шт.

7

SBA398430600

PLUG

1шт.

8

86977726

BOLT,Hex, M6 x 12mm, Cl 8.8

1шт.

9

SBA025100006

SEALING WASHER,5.5mm ID x 13mm OD x 1.15mm Thk

Seal

1шт.

10

SBA011511035

BOLT,M10 x 35

6шт.

11

892-11010

LOCK WASHER,M10

4шт.

12

SBA021010010

NUT,M10 x 1.25

3шт.

13

SBA344830390

SHAFT

Arm

1шт.

14

SBA052300350

O-RING,3.1mm Thk x 34.4mm ID, 70 Duro

1шт.

15

SBA398211460

SPRING

1шт.

16

SBA052300400

O-RING

1шт.

17

SBA398210920

SPRING

1шт.

18

SBA344111171

ARM

Lift, L.H.

1шт.

19

370004

SNAP RING,M35 x 1.5mm Thk, External

2шт.

20

SBA344810190

ARM

1шт.

21

SBA344770280

ROD

Piston

1шт.

22

SBA399610821

PIN

1шт.

23

SBA030103020

COTTER PIN

1шт.

24

SBA344760310

PISTON

1шт.

25

SBA052110550

O-RING

1шт.

25a

SBA344940010

RING

Back Up

1шт.

26

SBA344711280

CYLINDER HEAD

1шт.

27

SBA052310600

O-RING

1шт.

28

SBA052100040

O-RING

1шт.

29

SBA052110120

O-RING

1шт.

30

SBA064500030

PLUG,3/8"

1шт.

31

SBA064500010

PLUG

1шт.

32

SBA011511245

BOLT

M12 x 45

3шт.

33

SBA010311265

BOLT

M12 x 65

1шт.

33a

412123

LOCK WASHER,13.1mm ID x 21.1mm OD x 2.55mm Thk

1шт.

34

SBA340990150

GASKET

1шт.

35

SBA340190360

GUIDE

1шт.

36

SBA048100008

BALL

Steel

1шт.

37

SBA398214400

SPRING

1шт.

38

SBA344111171

ARM

Lift, Right

1шт.

39

SBA052110070

O-RING

1шт.

40

SBA340170610

HYDRAULIC VALVE

1шт.

41

SBA340190340

GUIDE

1шт.

42

SBA052100120

O-RING

1шт.

43

SBA398180332

HANDLE GRIP

1шт.

44

100016

NUT,M10 x 1.5, Cl 8

1шт.

45

SBA340015700

HYDRAULIC VALVE

Includes: Ref. 46-52

1шт.

No Longer Serviced Components Still Available

1шт.

Replaced By SBA340016560

1шт.

45

SBA340016560

HYDRAULIC VALVE

Includes: Ref. 51 & 52

1шт.

USED ON & ABOVE PIN # Z6NZF1023-DX23 & Z6NZG1047-DX26

1шт.

46

SBA398210980

SPRING

1шт.

Used With Ref. 45 SBA340015700

1шт.

47

SBA399280810

SHIM,1.0mm Thk

1шт.

Used With Ref. 45 SBA340015700

1шт.

48

SBA399431040

BOLT

M10 x 40

1шт.

Used With Ref. 45 SBA340015700

1шт.

49

SBA048100008

BALL

Steel

1шт.

Used With Ref. 45 SBA340015700

1шт.

50

SBA025100012

WASHER,12.4mm ID x 19mm OD x 2mm Thk

Seal

1шт.

Used With Ref. 45 SBA340015700

1шт.

51

SBA052109076

O-RING,2.4mm Thk x 10.8mm ID

1/2шт.

(1) Used W/SBA340015700 & (2) Used W/SBA340016560

1шт.

52

SBA398112140

SEAL

1шт.

53

SBA344990380

GASKET

1шт.

54

SBA340710030

BREATHER

1шт.

55

10790521

NUT,M16 x 1.5, Cl 10

2шт.

56

86729275

LOCK WASHER,5/8 0.634 CST ZND

2шт.

57

SBA344140121

PIN

2шт.

58

120075

BOLT,M10 x 1.5 x 106.58mm, Cl 8.8

1шт.

59

SBA398460040

PLUG

Blank

2шт.

Выбрано товаров: 72