Запчасти Case IH DX23 (07.08) - 2-SPOOL REMOTE CONTROL VALVE & PIPING, WITH LOADER - 715429056 (07) - HYDRAULIC SYSTEM

Схема запчастей Case IH DX23 - (07.08) - 2-SPOOL REMOTE CONTROL VALVE & PIPING, WITH LOADER - 715429056 (07) - HYDRAULIC SYSTEM
6
7
007
4
3
8
15
008
19
6
8
10
5
11
9
16
007
2
2
2
14
19
13
2
17
008
18
7
1
12
FIT
1:1
100%

Артикул

Название

Примечание

Количество

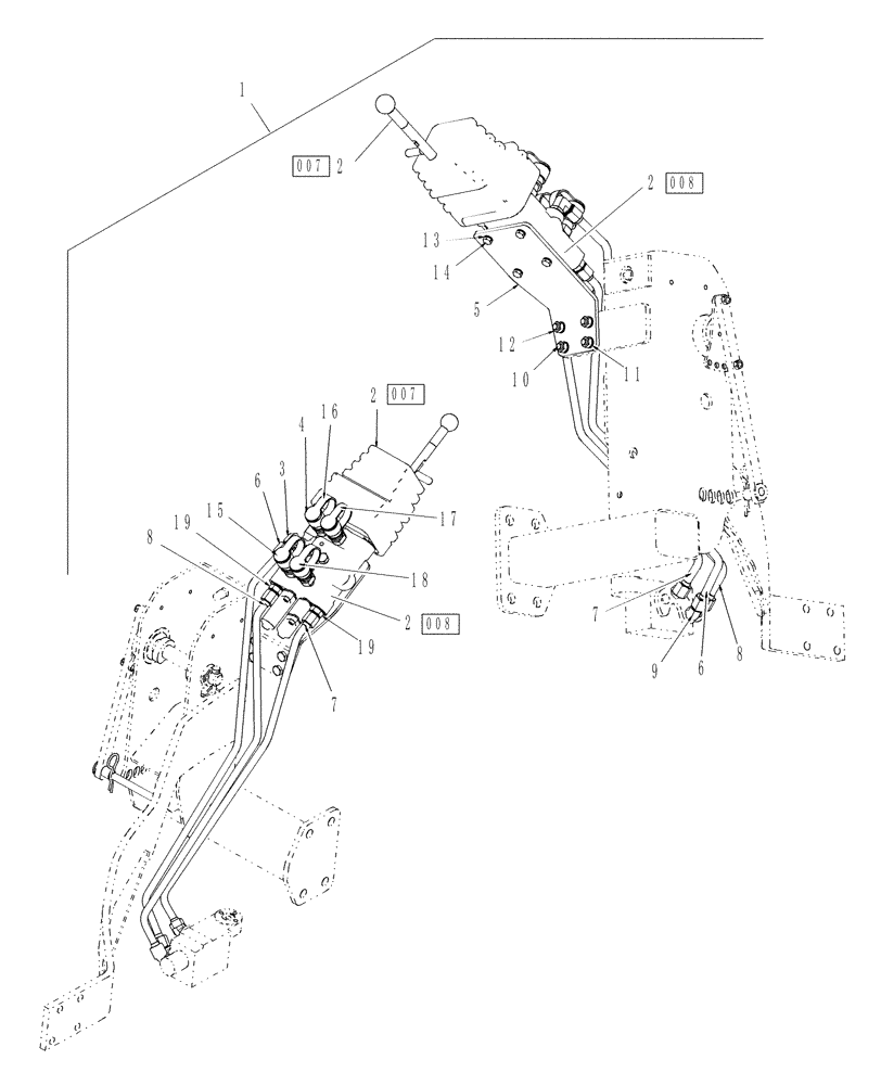
1

715429056

DIA KIT, TRACTOR

Mid-Mount Hydraulic Control Valve Kit

1шт.

2

87373375

JOYSTICK CONTROL KIT

1шт.

3

128830

ELBOW,90 DEGREE, 3/4" - 16 JIC x 3/4" - 16 ORB

1шт.

4

87390439

COUPLING, QUICK, FEM

4шт.

5

87383615

BRACKET

1шт.

6

87383620

HYD TUBE,8.5 mm ID x 12.7 mm OD x 674.2, 218.6 mm L

Power Beyond, Includes: Ref. 20 & 21

1шт.

7

87383619

HYD TUBE,8.5 mm ID x 12.7 mm OD x 578.4, 165 mm L

Return, Includes: Ref. 20 & 21

1шт.

8

87383618

HYD TUBE,8.5 mm ID x 12.7 mm OD x 645.1, 185.3 mm L

Supply, Includes: Ref. 20 & 21

1шт.

9

17387

ELBOW,3/4" - 16, Male 37 Degree Fl x 3/8" - 18, NPTF

3шт.

10

43140

BOLT,Hex, M10 x 1.5 x 30mm, Cl 8.8

4шт.

11

140028

WASHER,10.2mm ID x 18.1mm OD x 2.2mm Thk

4шт.

12

86500689

NUT,M10 x 1.5, Cl 10

4шт.

13

80681

LOCK WASHER,5/16"

3шт.

14

43232

BOLT,Hex, M8 x 16mm, Cl 10.9

Cap, HH, CL 10.9, M8 x 1.25 x 16

3шт.

15

86597754

PLUG,29mm OD x 246mm L

Red

1шт.

16

86597755

PLUG,29mm OD x 246mm L

Blue

1шт.

17

86597758

PLUG,29mm OD x 246mm L

Yellow

1шт.

18

86597757

PLUG,29mm OD x 246mm L

Green

1шт.

19

128818

UNION,3/4" - 16 ORB x 3/4" - 16 JIC

Includes: Ref. 22

2шт.

20

129428

TUBE NUT,37 Degree, 3/4"-16, Type B

6шт.

Not Illustrated

1шт.

21

235671

SLEEVE,37 Degree, 1/2" Tube

6шт.

Not Illustrated

1шт.

22

237-6008

O-RING,0.087" Thk x 0.644" ID, -908, Cl 6, 90 Duro

2шт.

Not Illustrated

1шт.

Выбрано товаров: 25