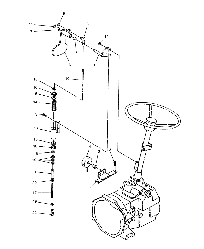
Запчасти Case IH DX24 (03.12.02) - HYDROSTATIC TRANSMISSION CONTROLS - CRUISE CONTROL (03) - TRANSMISSION

Схема запчастей Case IH DX24 - (03.12.02) - HYDROSTATIC TRANSMISSION CONTROLS - CRUISE CONTROL (03) - TRANSMISSION
10
8
13
3
22
16
1
14
19
12
17
7
2
15
11
20
5
6
3
18
15
21
4
7
9
18
16
19
FIT
1:1
100%

Артикул

Название

Примечание

Количество

1

SBA324501130

GUIDE

Shift, W/O Power Steering

1шт.

2

86532932

BUSHING

1шт.

3

SBA011510820

CAPTIVE WASHER SCREW,Hex, M8 x 20, G5

4шт.

4

87316542

ELECTROMAGNET

Coil 6" Wire Lead

1шт.

5

SBA324202520

ARM

Shift, HST

1шт.

6

SBA324501160

GUIDE

Shift, W/O Power Steering

1шт.

6

SBA324501110

GUIDE

Shift, W/Power Steering

1шт.

7

SBA398511550

DRIVE BUSHING

2шт.

8

SBA334800350

ROD

Tie, End

1шт.

9

SBA022300008

NUT,M8

1шт.

10

SBA012109247

BOLT

Stud

1шт.

11

NNA301615

SNAP RING

1шт.

12

SBA011510835

BOLT

M8 x 35, W/O Power Steering

2шт.

12

SBA011510816

BOLT

M8 x 16, W/Power Steering

2шт.

13

SBA358350510

HOLDER

Spring

1шт.

14

SBA398212280

SPRING

1шт.

15

SBA026109105

WASHER

2шт.

16

301642

SNAP RING,M28, Int

2шт.

17

SBA358511130

ROD

1шт.

18

86511315

WASHER,8.4mm ID x 16mm OD x 1.8mm Thk

2шт.

20

SBA020109125

NUT,M8, LH Thd

1шт.

21

SBA399160020

BUCKLE

1шт.

22

SBA334800360

ROD

End

1шт.

19

89706690

NUT,M8, Cl 8

4шт.

Выбрано товаров: 24