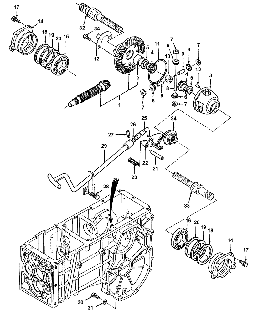
Запчасти Case IH DX24 (05.02) - DIFFERENTIAL & LOCK LINKAGE W/HST (05) - REAR AXLE

Схема запчастей Case IH DX24 - (05.02) - DIFFERENTIAL & LOCK LINKAGE W/HST (05) - REAR AXLE
23
12
33
7
20
11
20
32
7
10
19
3
2
8
6
18
24
17
19
13
17
16
9
14
9
6
14
6
21
30
15
7
5
27
1
29
25
6
7
26
28
22
18
5
4
34
31
4
FIT
1:1
100%

Артикул

Название

Примечание

Количество

1

SBA322051240

DRIVE PINION

1шт.

2

SBA398511810

DRIVE BUSHING

1шт.

3

SBA326110760

HOUSING

1шт.

4

SBA326140211

GEAR

Differential

2шт.

5

SBA399261080

THRUST WASHER

2шт.

6

SBA326160060

DRIVE PINION

2шт.

7

SBA399261070

THRUST WASHER

4шт.

8

SBA326130400

SHAFT

Pinion

1шт.

9

SBA326130390

SHAFT

Pinion

2шт.

10

SBA326170080

UNIVERSAL JOINT

1шт.

11

SBA398340360

CLIP

1шт.

12

SBA399310270

LOCK WASHER

2шт.

13

SBA030500820

PIN

M8 x 1.25 x 20

2шт.

14

SBA326220300

SUPPORT

Bearing

2шт.

15

86516079

BALL BEARING,50mm ID x 80mm OD x 16mm W

1шт.

16

SBA040109041

BALL BEARING,55mm ID x 80mm OD x 13mm W

1шт.

17

SBA011510830

BOLT

M8 x 30

8шт.

18

SBA199280750

SHIM,0.1mm Thk

1шт.

19

SBA199280760

SHIM

.2 or 0.008"

1шт.

20

SBA199280770

SHIM

.5 or 0.020"

1шт.

21

SBA399611000

PIN

1шт.

22

SBA326570220

FORK

Differential Lock

1шт.

23

SBA398213160

SPRING

1шт.

24

SBA326610210

CLUTCH

Differential Lock

1шт.

25

SBA324210870

ARM

Shift

1шт.

26

SBA052100120

O-RING

1шт.

27

300868

ROLL PIN,6mm OD x 36mm L, Slotted

M6 x 36

1шт.

28

SBA011510820

CAPTIVE WASHER SCREW,Hex, M8 x 20, G5

2шт.

29

SBA326501141

PEDAL

Differential Lock

1шт.

30

SBA064600016

PLUG

M16

2шт.

31

SBA025100016

WASHER,16.4mm ID x 27mm OD x 2mm Thk

Sealing

2шт.

32

SBA326211340

SHAFT

R

1шт.

33

SBA326211330

SHAFT

L

1шт.

34

120104

BOLT,Hex, M8 x 1.25 x 20mm, Cl 8.8

6шт.

Выбрано товаров: 0