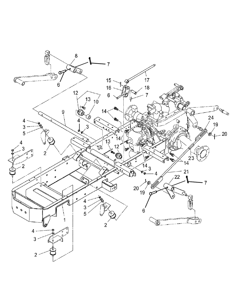
Запчасти Case IH DX24E (04.01) - MAIN FRAME (12) - MAIN FRAME

Схема запчастей Case IH DX24E - (04.01) - MAIN FRAME (12) - MAIN FRAME
2
2
6
4
6
14
5
23
13
4
4
14
14
17
2
19
5
14
7
1
10
3
6
24
9
3
21
4
3
22
19
3
4
18
4
2
20
3
20
8
12
12
7
7
16
13
3
15
FIT
1:1
100%

Артикул

Название

Примечание

Количество

1

SBA320552390

FRAME

1шт.

1

SBA320552391

FRAME

1шт.

USED ON & ABOVE PIN HDG100126 DX18E & HDG200423 DX24E

1шт.

2

SBA398123000

BUMPER

Rubber

4шт.

3

892-11010

LOCK WASHER,M10

8шт.

4

825-11410

NUT,M10 x 1.25, Cl 8

8шт.

5

SBA026100010

WASHER

M10

2шт.

6

SBA031311045

PIN

M10 x 45

3шт.

7

SBA030103220

COTTER PIN

3 x 20

3шт.

8

SBA344101040

LIFT ARM

1шт.

9

SBA344130080

SHAFT

1шт.

10

SBA398510150

BUSHING

2шт.

12

SBA370350310

SUPPORT

Link

2шт.

13

SBA010311025

BOLT

4шт.

14

SBA011511230

BOLT,M12 x 30

8шт.

15

SBA030104032

COTTER PIN

1шт.

16

SBA344101000

LIFT ARM

1шт.

17

SBA344200920

CONNECTING ROD

1шт.

18

SBA370910200

PIN

1шт.

19

SBA026100016

WASHER

M16

2шт.

20

SBA030104032

COTTER PIN

2шт.

21

SBA370202790

LIFTING ROD

1шт.

22

SBA344101020

LIFT ARM

1шт.

23

SBA399160070

BUCKLE

Turn

1шт.

24

SBA370202800

LIFTING ROD

B

1шт.

Выбрано товаров: 25