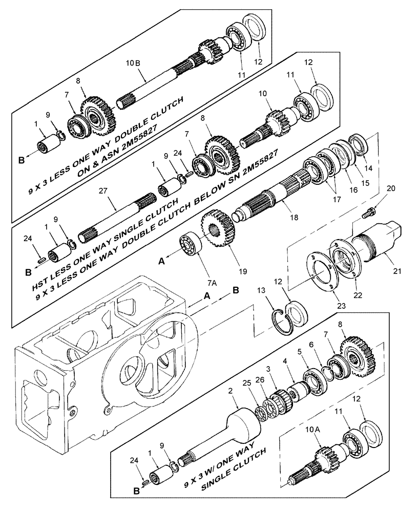
Запчасти Case IH DX25 (07H01A) - PTO GEARS (03) - TRANSMISSION

Схема запчастей Case IH DX25 - (07H01A) - PTO GEARS (03) - TRANSMISSION
15
7a
7
19
2
12
24
13
12
9
1
25
5
9
21
1
7
27
10
10a
1
11
20
7
11
8
16
24
18
26
17
10b
9
11
24
14
22
9
6
12
1
12
23
4
8
3
8
FIT
1:1
100%

Артикул

Название

Примечание

Количество

1

SBA322610070

COUPLING

1шт.

2

SBA322571490

COUNTERSHAFT

PTO, Center, Outer Race

1шт.

3

SBA398560891

BEARING ASSY

Clutch, One Way

1шт.

4

SBA322613150

COUPLING

1шт.

5

SBA040109052

BALL BEARING,35mm ID x 62mm OD x 9mm W

Bearing, Ball

1шт.

6

370004

SNAP RING,M35 x 1.5mm Thk, External

1шт.

7

SBA040109029

BALL

Bearing, Ball

1шт.

7a

SBA040109054

BALL BEARING,25mm ID x 52mm OD x 15mm W

Bearing

1шт.

8

SBA322323600

GEAR

Fixing A

1шт.

9

11058076

SNAP RING,M22, Int

Ring, Retaining, M20 D

1шт.

10

SBA322571440

COUNTERSHAFT

PTO, Rear, HST Less One Way, Single Clutch, 13 Splines

1шт.

USED BEFORE DRIVELINE SERIAL #2M55827

1шт.

10

SBA322571440

COUNTERSHAFT

PTO, Rear, 9 x 3 Less One Way, Double Clutch, 13 Splines

1шт.

USED ON & ABOVE DRIVELINE 2M55827

1шт.

10a

SBA322571450

COUNTERSHAFT

PTO, Rear, 9 x 3, With One Way Single Clutch

1шт.

10b

SBA322571540

COUNTERSHAFT

PTO, Rear, 9 x 3, Less One Way, Double Clutch

1шт.

USED ON & ABOVE DRIVELINE 2M55827

1шт.

11

210064

BALL BEARING,30mm ID x 62mm OD x 16mm W

BEARING, BALL, #6206

1шт.

12

SBA322140280

COVER

. Seal

2шт.

13

370012

RING,M62, Internal

Snap, Int, M62

1шт.

14

5116701

SEAL,35mm ID x 55mm OD x 11mm Thk

Oil M35 x 55 x 11 Thk

1шт.

15

SBA199280650

SHIM,0.5mm Thk

1шт.

16

SBA199280640

SHIM,0.2mm Thk

1шт.

17

28042470

BALL BEARING,35mm ID x 62mm OD x 14mm W

BEARING, BALL

2шт.

18

SBA322590543

PTO SHAFT

Shaft, PTO Output Spline Length 56mm

1шт.

18

SBA322590544

PTO SHAFT

Shaft, PTO Output Spline Length 57mm

1шт.

19

SBA322342090

GEAR

Slide A, External 20T, Internal 19T

1шт.

20

SBA011510820

CAPTIVE WASHER SCREW,Hex, M8 x 20, G5

SCREW, CAPTIVE WASHER, Hex, M8 x 20, G5

4шт.

21

SBA378110021

GUARD

Cap, PTO

1шт.

22

SBA322141800

COVER

Seal

1шт.

23

SBA322991020

GASKET

1шт.

24

130045

PIN,5mm OD x 26mm L, Slotted

HST Less One Way M5 x 26, Slotted

1шт.

25

SBA040106001

BALL BEARING

Bearing, Ball

1шт.

26

SBA040109127

BALL BEARING

Bearing, Ball

1шт.

27

SBA322571500

COUNTERSHAFT

PTO, HST Less One Way

1шт.

Выбрано товаров: 35