Запчасти Case IH DX25E (06.02) - OHIO LIGHT KIT - 719588006 (06) - ELECTRICAL SYSTEMS

Схема запчастей Case IH DX25E - (06.02) - OHIO LIGHT KIT - 719588006 (06) - ELECTRICAL SYSTEMS
8
9
11
13
6
12
2
5
7
1
10
3
4
FIT
1:1
100%

Артикул

Название

Примечание

Количество

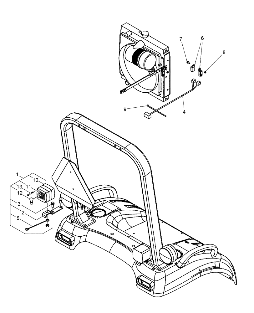
1

SBA385102070

TAIL LAMP

Includes: Ref. 3, 10 thru 13

2шт.

2

SBA385972771

BRACKET

2шт.

3

SBA011511245

BOLT

M12 x 45

4шт.

4

SBA385612340

WIRE HARNESS

1шт.

5

SBA385612350

WIRE HARNESS

1шт.

6

SBA385230300

RELAY

1шт.

7

SBA010800616

BOLT

M6 x 16

1шт.

8

9804276

FLANGE NUT,Hex, M6 x 1, Cl 8

1шт.

9

SBA398750220

CABLE TIE

CABLE STRAP

3шт.

10

SBA385110660

LENS

Front

1шт.

11

SBA385110670

LENS

Rear, Red

1шт.

12

SBA385120880

BULB

12V27/8W

1шт.

13

SBA385140204

SCREW

4шт.

Выбрано товаров: 13