Запчасти Case IH DX29 (01.01) - CYLINDER BLOCK (01) - ENGINE

Схема запчастей Case IH DX29 - (01.01) - CYLINDER BLOCK (01) - ENGINE
39
21
9
23
4
2
29
22
5
18
24
42
12
4
7
43
32
36
34
40
8
4
10
15
13
37
11
16
6
17
26
14
25
30
1
1a
31
3
20
33
3
38
19
41
27
28
35
FIT
1:1
100%

Артикул

Название

Примечание

Количество

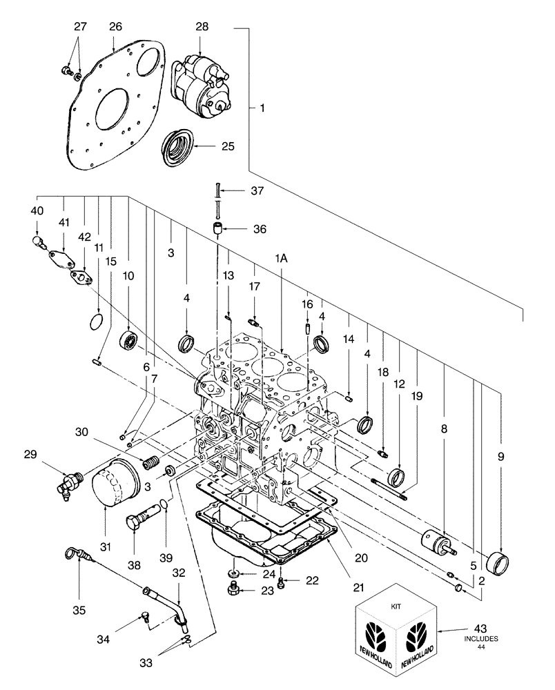
1

86404743

ENGINE

Long Block, (SBA137992) DX29 Includes: Ref. 1A - 27, 28 - 42

1шт.

1

SBA137992

ENGINE

Long Block, DX29 Includes: Ref. 1A - 27, 28 - 42

1шт.

Same As Long Block 86404743

1шт.

1

86404745

ENGINE

Long Block, (SBA139189) DX33 Includes: Ref. 1A - 27, 29 - 42

1шт.

1

SBA139189

ENGINE

Long Block, DX33 Includes: Ref. 1A - 27, 29 - 42

1шт.

Same As Long Block 86404745

1шт.

1a

NSS

NOT SOLD SEPARAT

Bare,Block

1шт.

2

SBA064210015

CAP

015 mm

1шт.

3

SBA064210025

PLUG,25mm

PLUG, 25mm

1шт.

4

SBA064210040

CAP

Cap, 040 mm

4шт.

5

SBA198466010

PLUG

Blank, 8.4mm

2шт.

6

SBA198466020

PLUG

Blank 10.4mm

3шт.

7

SBA198466030

PLUG

Blank, 6.5 x 7mm

3шт.

8

SBA165296131

SHAFT

Idler Gear, Uses Pin SBA140196072

1шт.

9

SBA198517190

BUSHING

Standard, DX29

1шт.

Included in Long Block

1шт.

9

SBA198517194

BUSHING

U.S., .010" or 0.25mm, DX29

1шт.

Not Included in Long Block

1шт.

9

SBA198517197

DRIVE BUSHING

U.S., .010" or 0.50mm, DX29

1шт.

Not Included in Long Block

1шт.

9

SBA198517220

BUSHING

Standard, DX33

1шт.

Included in Long Block

1шт.

9

SBA198517224

BUSHING

U.S., .010" or 0.25mm, DX33

1шт.

Not Included in Long Block

1шт.

9

SBA198517227

BUSHING

U.S., .020" or 0.50mm, DX33

1шт.

Not Included in Long Block

1шт.

10

SBA040106203

BALL BEARING,17mm ID x 40mm OD x 12mm W

#6203

1шт.

11

SBA064100045

PLUG

Expansion

1шт.

12

SBA042309013

BEARING ASSY

1шт.

13

SBA030500612

DOWEL

DOWEL

2шт.

15

SBA030501025

BALL STUD,M10 x 25 L

BALL PIN DOWEL, M10 x 25 L

2шт.

16

SBA030309005

PIN

Spring

2шт.

17

SBA012110820

STUD

STUD

2шт.

18

SBA012110635

STUD

STUD

1шт.

19

SBA012110660

STUD

STUD

1шт.

20

SBA110996820

GASKET

1шт.

21

SBA110707950

ENGINE OIL PAN

1шт.

22

SBA010109235

BOLT

26шт.

23

SBA010411212

DRAIN PLUG,M12 x 1.25

PLUG, DRAIN, , 17 mm Wide M12 x 1.25

1шт.

24

SBA025100012

WASHER,12.4mm ID x 19mm OD x 2mm Thk

WASHER, , Seal M12

1шт.

25

SBA198636170

SEAL

Oil

1шт.

26

SBA110367660

PLATE

1шт.

27

SBA011510816

BOLT

M8 x 16

10шт.

28

SBA185086551

STARTER MOTOR

Stud Bolt SBA012111030 Holds Starter on Block

1шт.

Not Included in Long Block

1шт.

28

SBA185086551R

REMAN-STARTER

Remanufactured Starter

1шт.

28

SBA185086551C

CORE-STARTER

Return Number

1шт.

28

SBA185086551GV

STARTER MOTOR

Value

1шт.

28a

SBA012111030

STUD,M10 x 30

STUD, , Used to Attach Starter to Block M10 x 30

3шт.

Not Illustrated

1шт.

28b

43140

BOLT,Hex, M10 x 1.5 x 30mm, Cl 8.8

BOLT, , Used to Attach Starter to Block Hex, M10 x 30, 8.8, Full Thd

2шт.

Not Illustrated

1шт.

29

SBA198736270

DRAINCOCK/TAP SUPPLY

1шт.

30

SBA140546020

ADAPTER

1шт.

31

86402050

FILTER, ENGINE OIL

FILTER, OIL

1шт.

32

SBA110756450

TUBE

1шт.

33

SBA052100100

O-RING

2шт.

34

SBA011310612

CAPTIVE WASHER SCREW,Hex, M6 x 12, Cl 8.8

SCREW, CAPTIVE WASHER, Hex, M6 x 12, Cl 8.8

1шт.

35

SBA198416541

DIPSTICK

1шт.

36

SBA120116160

TAPPET

6шт.

37

SBA120456222

ROD

6.78" lg., DX29

6шт.

37

SBA120456250

PUSH ROD,7.97"

7.95 lg., DX33

6шт.

38

SBA140036120

VALVE PRESSURE RELIE

1шт.

39

SBA052109078

O-RING,2.4mm Thk x 9.8mm ID

1шт.

40

SBA011310612

CAPTIVE WASHER SCREW,Hex, M6 x 12, Cl 8.8

SCREW, CAPTIVE WASHER, Hex, M6 x 12, Cl 8.8

2шт.

41

SBA165206640

COVER

Plate

1шт.

42

SBA130996130

GASKET

1шт.

43

86590117

KIT

KIT, Heater Engine Coolant, Includes: 5' Cord 86539137, Cable Tie 263117 & Ref. 44

1шт.

Not Included in Long Block

1шт.

44

NSS

NOT SOLD SEPARAT

HEATER

1шт.

Not Included in Long Block

1шт.

Выбрано товаров: 0