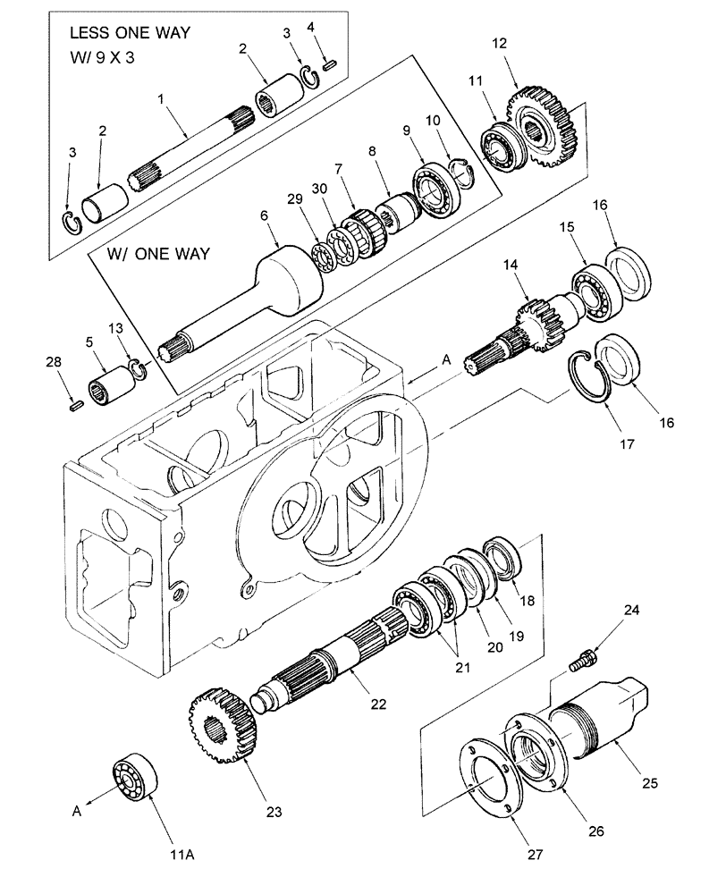
Запчасти Case IH DX29 (07H01) - PTO GEARS (03) - TRANSMISSION

Схема запчастей Case IH DX29 - (07H01) - PTO GEARS (03) - TRANSMISSION
11a
19
16
15
17
2
24
26
18
4
13
22
30
8
1
25
14
5
6
20
29
23
28
21
10
2
12
3
3
11
7
9
16
27
FIT
1:1
100%

Артикул

Название

Примечание

Количество

1

SBA322570710

COUNTERSHAFT

PTO, Center, 16 Spline

1шт.

2

SBA322611090

COUPLING

16 Spline

2шт.

3

11057876

SNAP RING,M20, Int

Ring, Snap, Ext, M35

2шт.

4

130045

PIN,5mm OD x 26mm L, Slotted

1шт.

5

SBA322611090

COUPLING

16 Spline

1шт.

6

SBA322570771

COUNTERSHAFT

PTO, Center, Outer Race

1шт.

7

SBA398560891

BEARING ASSY

Clutch Assy., One Way

1шт.

8

SBA322611101

SPLINED COUPLING

1шт.

9

SBA040109052

BALL BEARING,35mm ID x 62mm OD x 9mm W

Bearing, Ball

1шт.

10

11068376

SNAP RING,M35, Ext x 1.5 Thk

Ring, Snap, Ext, M35

1шт.

11

166078

BALL BEARING,24.99mm ID x 52mm OD x 15mm W

Bearing, Ball

1шт.

11a

210041

BALL BEARING,25mm ID x 52mm OD x 15mm W

Bearing, Ball

1шт.

12

SBA322323600

GEAR

Fixing A

1шт.

13

505712

SNAP RING,M20, Int

Ring, Retaining, M20 D

1шт.

14

SBA322571221

COUNTERSHAFT

PTO, Rear, 9 x 3, W/One Way, 16 Splines & 7.76" Long

1шт.

14

SBA322570702

COUNTERSHAFT

PTO, Rear, HST & 9x3 WO/One Way, 16 Splines & 6.93" Long

1шт.

Used With SBA322341331 Slide A Gear

1шт.

15

210064

BALL BEARING,30mm ID x 62mm OD x 16mm W

#6206

1шт.

16

SBA322140280

COVER

Seal

2шт.

17

370012

RING,M62, Internal

Snap, Int, M62

1шт.

18

5116701

SEAL,35mm ID x 55mm OD x 11mm Thk

Oil M35 x 55 x 11 Thk

1шт.

19

SBA199280650

SHIM,0.5mm Thk

1шт.

20

SBA199280640

SHIM,0.2mm Thk

1шт.

21

28042470

BALL BEARING,35mm ID x 62mm OD x 14mm W

BEARING, BALL

2шт.

22

SBA322590540

PTO SHAFT

Shaft, Output, PTO

1шт.

23

SBA322341331

GEAR

Slide A, External 23T, Internal 19T

1шт.

24

SBA011510820

CAPTIVE WASHER SCREW,Hex, M8 x 20, G5

SCREW, CAPTIVE WASHER, Hex, M8 x 20, G5

4шт.

25

SBA378110021

GUARD

Cap, PTO

1шт.

26

SBA322141800

COVER

Seal

1шт.

27

SBA322991020

GASKET

1шт.

28

838-5526

LOCK PIN,M5 x 26, Slotted

Pin, Roll, M5 x 26, Slotted

1шт.

29

SBA040106001

BALL BEARING

Bearing, Ball

1шт.

30

SBA040109040

BALL BEARING,30mm ID x 47mm OD x 9mm W

Bearing, Ball

1шт.

Выбрано товаров: 33