Запчасти Case IH DX29 (07I01) - MID PTO KIT 9 X 3 (03) - TRANSMISSION

Схема запчастей Case IH DX29 - (07I01) - MID PTO KIT 9 X 3 (03) - TRANSMISSION
18
11
4
23
31
15
37
42
31
26
12
19
5
7
39
36
35
12
17
30
14
16
19
9
22
33
10
27
24
28
21
1a
2
3
34
37
25
1
32
18
20
9
38
6
13
8
29
FIT
1:1
100%

Артикул

Название

Примечание

Количество

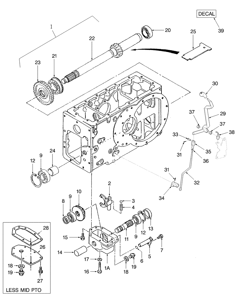
1

710801006

FIELD ATTACHMENT

Mid PTO Kit Includes: 1A thru 39.

1шт.

OW - Order Thru Wholegoods

1шт.

1a

SBA322116680

HOUSING

1шт.

2

SBA324411560

SHIFTER FORK

FORK, SHIFTER

1шт.

3

V34014

BALL

Steel

1шт.

4

SBA398210280

SPRING

1шт.

5

SBA324300500

ROD

Shifter

1шт.

6

SBA052109076

O-RING,2.4mm Thk x 10.8mm ID

P11

1шт.

7

614-8016

BOLT,Hex, M8 x 1.25 x 16mm, Cl 8.8, Full Thd

1шт.

8

SBA050203125

SEAL

Oil Mid PTO Output Shaft

1шт.

9

210041

BALL BEARING,25mm ID x 52mm OD x 15mm W

Bearing, Ball

3шт.

10

SBA322341340

GEAR

Slide

1шт.

11

SBA322590530

SHAFT

Mid PTO Output

1шт.

12

33915

SNAP RING,2.062", Int, #206

Ring, Snap, Int, 2.050"

2шт.

13

SBA322140640

PLUG

Seal ID= 1.766" x OD=2.06" x 0.398" thick

1шт.

14

SBA398115500

CAP COVER

Cap

1шт.

15

614-8020

BOLT,Hex, M8 x 1.25 x 20mm

3шт.

16

300510

BOLT,Hex, M8 x 65mm, Cl 8.8

BOLT, Hex, M8 x 65, 8.8

4шт.

17

492-11031

LOCK WASHER,5/16"

WASHER, LOCK, 5/16"

4шт.

18

SBA025100016

WASHER,16.4mm ID x 27mm OD x 2mm Thk

Seal #16

1шт.

19

SBA064600016

PLUG

M16

1шт.

20

210064

BALL BEARING,30mm ID x 62mm OD x 16mm W

BEARING, BALL

1шт.

21

SBA040156206

BEARING ASSY,60mm ID x 62mm OD x 16mm W

Bearing, Ball

1шт.

22

SBA322571300

COUNTERSHAFT

Counter Shaft, PTO

1шт.

23

SBA322323841

GEAR

Fixing A

1шт.

24

SBA399234250

COLLAR

1шт.

25

SBA322280200

PLATE

L/MID, PTO

1шт.

26

SBA322200770

COVER

1шт.

(3) - L/Mid PTO

1шт.

27

SBA011510816

BOLT

M8 x 16

7шт.

(3) - L/Mid PTO

1шт.

28

SBA322991031

GASKET

1шт.

(3) - L/Mid PTO

1шт.

(2) - for W/Mid PTO, Use Liquid Gasket

1шт.

29

86524800

LEVER

Mid PTO. Includes: Ref 37

1шт.

30

86403809

KNOB

Mid PTO

1шт.

31

280250

COTTER PIN,3/32" OD x 3/4" L

PIN, SPLIT (COTTER), 3/32" x 3/4"

1шт.

32

86530925

CONNECTING LINK

Link, Mid PTO

1шт.

33

200731

CLEVIS PIN,7.9mm OD x 26.72mm L

PIN, CLEVIS, 5/16" x 15/16" L

1шт.

34

SBA324105970

LEVER

Change

1шт.

35

86000620

YOKE

End

1шт.

36

87307

JAM NUT,Jam, 5/16"-24, G2

Jam, G2, 5/16"-24

1шт.

37

86524680

BUSHING

2шт.

38

86531140

SWITCH

Safety, Mid PTO

1шт.

39

86532899

DECAL

Mid PTO

1шт.

Выбрано товаров: 45