Запчасти Case IH DX31 (01.09) - ALTERNATOR (01) - ENGINE

Схема запчастей Case IH DX31 - (01.09) - ALTERNATOR (01) - ENGINE
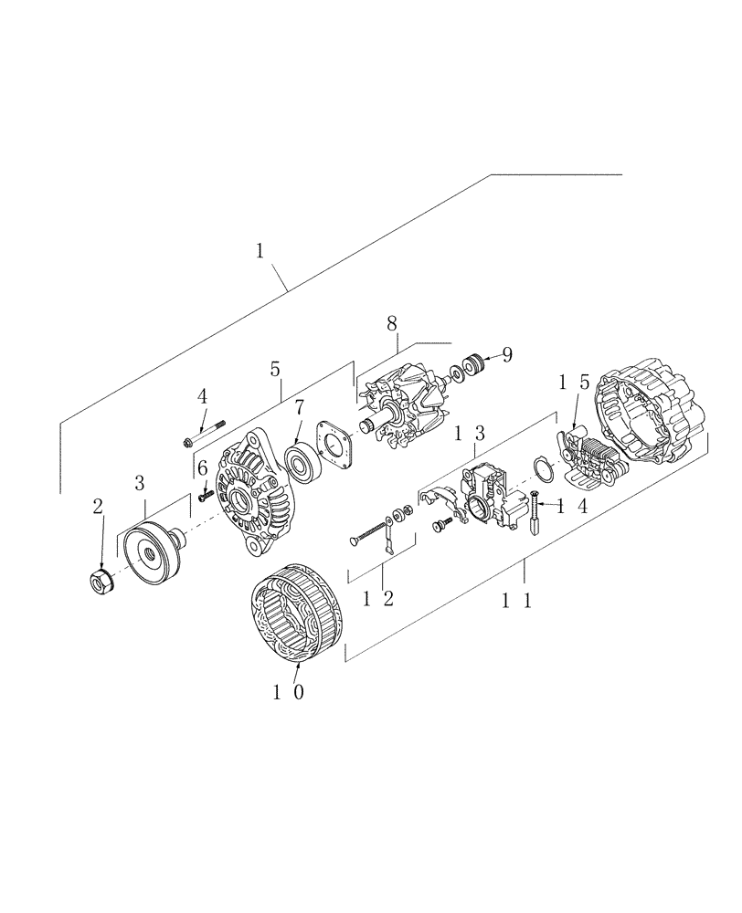
7
14
12
4
9
1
10
11
6
13
5
15
2
8
3
FIT
1:1
100%

Артикул

Название

Примечание

Количество

1

SBA185046320

ALTERNATOR

W/O Cab 40 AMP Includes: Ref. 2 - 15

1шт.

1

SBA185046320R

REMAN-ALTERNATOR

DX31, DX34

1шт.

1

SBA185046320C

CORE-ALTERNATOR

Return Part Number

1шт.

1

SBA185046380

ALTERNATOR

W/Cab 55 AMP Includes: Ref. 2 - 15

1шт.

1

SBA185046380R

REMAN-ALTERNATOR

55A 24V

1шт.

1

SBA185046380C

CORE-ALTERNATOR

Return Part Number

1шт.

1

SBA185046320GV

ALTERNATOR

Value

1шт.

2

SBA185446269

NUT

1шт.

3

SBA185436180

PULLEY

1шт.

4

SBA185446270

SET OF SCREWS

Set

1шт.

5

SBA185426210

COVER

Front, Includes: Ref. 6 & 7

1шт.

6

SBA185446271

SET OF SCREWS

1шт.

7

NLS

NO LONGER SERVICED

1шт.

SBA185446272

1шт.

8

SBA185446273

ARMATURE

1шт.

W/O Cab

1шт.

8

SBA185446292

ROTOR

Armature, 55AMP

1шт.

W/Cab

1шт.

9

SBA185446274

BALL BEARING,8mm ID x 23mm OD x 14mm W

1шт.

10

SBA185446275

ALTERNATOR STATOR

1шт.

W/O Cab

1шт.

10

SBA185446293

ALTERNATOR STATOR

55AMP

1шт.

W/Cab

1шт.

11

SBA185426220

COVER

Rear, 40AMP Includes: Ref. 12 - 15

1шт.

11

SBA185446240

ROTOR

Rear, 55AMP Includes: Ref. 12 - 15

1шт.

12

SBA185446278

KIT

1шт.

13

SBA185446277

VOLTAGE REGULATOR

1шт.

14

SBA185416480

COMMUTATOR BRUSH

Spring

2шт.

15

SBA185446276

RECTIFIER

1шт.

W/O Cab

1шт.

15

SBA185446294

RECTIFIER

55AMP

1шт.

W/Cab

1шт.

Выбрано товаров: 32