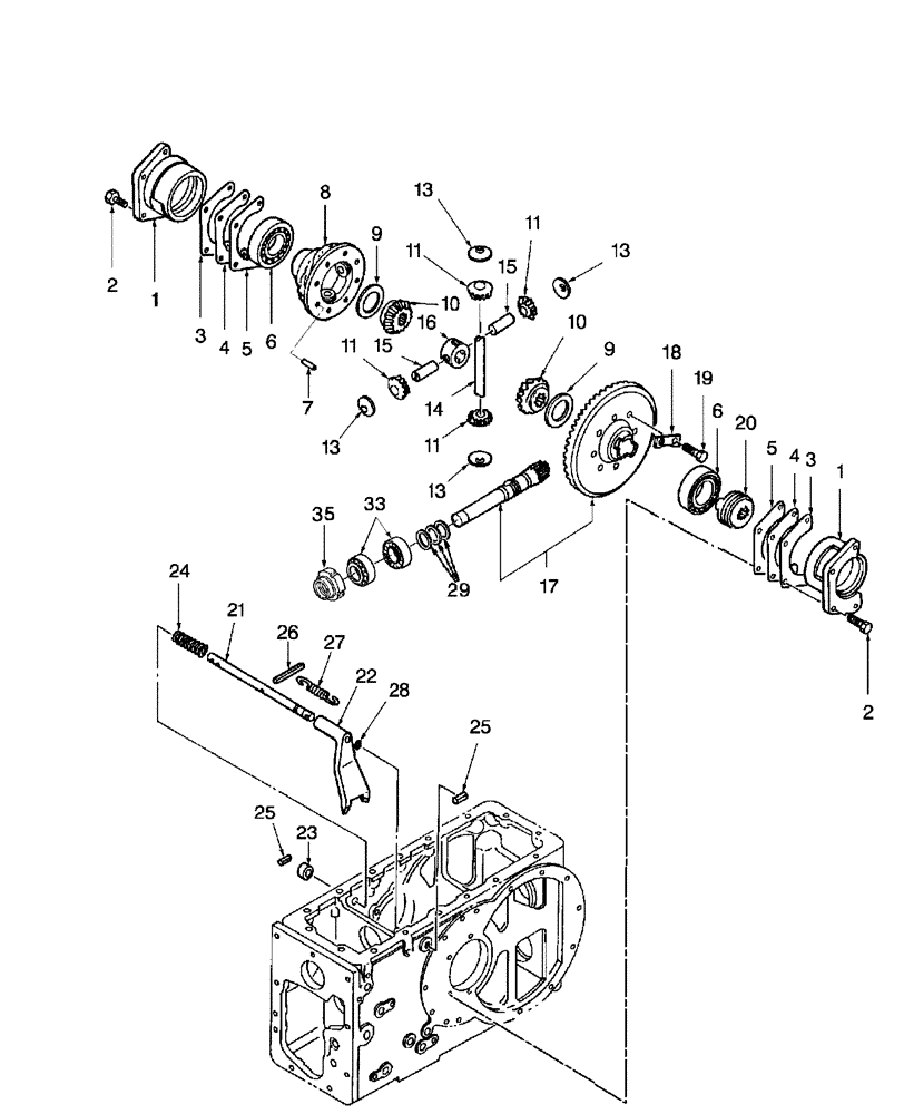
Запчасти Case IH DX31 (05.01) - DIFFERENTIAL & DIFFERENTIAL LOCK LINKAGE (05) - REAR AXLE

Схема запчастей Case IH DX31 - (05.01) - DIFFERENTIAL & DIFFERENTIAL LOCK LINKAGE (05) - REAR AXLE
13
25
23
10
20
1
15
16
7
6
29
21
35
25
28
11
1
22
33
8
19
27
15
13
4
5
14
6
13
9
3
9
10
2
11
13
24
2
17
11
266
11
5
4
18
3
FIT
1:1
100%

Артикул

Название

Примечание

Количество

1

SBA326220310

HOUSING

Bearing Carrier

2шт.

2

SBA011511025

CAPTIVE WASHER SCREW,Hex, M10 x 25, G5

8шт.

3

SBA399281150

SHIM,0.5mm Thk

1шт.

4

SBA399281140

SHIM,0.3mm Thk

1шт.

5

SBA399281130

SHIM,0.1mm Thk

1шт.

6

86516079

BALL BEARING,50mm ID x 80mm OD x 16mm W

2шт.

7

SBA030500625

DOWEL

3шт.

8

SBA326110593

HOUSING

Differential

1шт.

9

SBA399261250

THRUST WASHER

2шт.

10

SBA326140030

GEAR

Differential

2шт.

11

SBA326160030

DRIVE PINION

Gear

4шт.

13

SBA399260130

THRUST WASHER

4шт.

14

SBA326130472

SHAFT

Pinion

1шт.

15

SBA326130343

SHAFT

Pinion

2шт.

16

SBA326170060

UNIVERSAL JOINT

1шт.

17

SBA322050672

RING GEAR

w /Manual

1шт.

17

SBA322050831

RING GEAR

w /HST

1шт.

18

SBA399310330

PLATE

Locking

4шт.

19

43140

BOLT,Hex, M10 x 1.5 x 30mm, Cl 8.8

1шт.

20

SBA326610181

CLUTCH

Differential Lock

1шт.

21

SBA326530230

SHAFT

Differential Lock

1шт.

22

SBA326570190

FORK

Differential Lock

1шт.

23

SBA050203115

SEAL,28mm ID x 40mm OD x 8mm Thk

1шт.

24

SBA398212510

SPRING

1шт.

25

SBA030300632

SLOTTED PIN,M6 x 32

2шт.

26

SBA030300663

COILED PIN,M6 x 63

1шт.

27

SBA398213170

SPRING

1шт.

28

SBA052109076

O-RING,2.4mm Thk x 10.8mm ID

P11

1шт.

29

SBA199280630

SHIM,0.1mm Thk

1шт.

29

SBA199280640

SHIM,0.2mm Thk

1шт.

29

SBA199280650

SHIM,0.5mm Thk

1шт.

33

309085

BEARING ASSY,30mm ID x 62mm OD x 17.25mm W

2шт.

35

SBA399370760

NUT

1шт.

Выбрано товаров: 33