Запчасти Case IH DX33 (03.08) - FRONT TRANSMISSION GEARS W/9 X 3 & W/FWD (03) - TRANSMISSION

Схема запчастей Case IH DX33 - (03.08) - FRONT TRANSMISSION GEARS W/9 X 3 & W/FWD (03) - TRANSMISSION
9
23
24
22
18
3
11
21
4
26
15
19
7
7
8
12
14
10
13
20
17
6
27
5
9
25
2
1
16
11
10
FIT
1:1
100%

Артикул

Название

Примечание

Количество

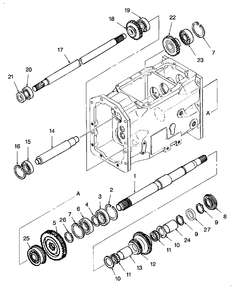
1

SBA322571480

SHAFT

Counter, Dual PTO

1шт.

1

SBA322571482

SHAFT

Counter, Dual PTO

1шт.

2

86536801

SNAP RING,M55, Int

1шт.

3

28042460

BALL BEARING,30mm ID x 55mm OD x 13mm W

1шт.

4

370003

SNAP RING,M30, External

1шт.

5

SBA322326300

GEAR,41T

Fixing, A

1шт.

6

210041

BALL BEARING,25mm ID x 52mm OD x 15mm W

1шт.

7

33915

SNAP RING,2.062", Int, #206

2шт.

8

SBA040109051

BALL BEARING

1шт.

9

SBA036100032

SNAP RING

Used with Ref. 1 SBA322571480

1шт.

9

SBA036100032

SNAP RING

Used with Ref. 1 SBA322571482

2шт.

10

SBA399260861

THRUST WASHER

2шт.

11

SBA042209028

NEEDLE BEARING

2шт.

12

SBA322382970

GEAR,18 T/30 T

Counter, B w/9x3 w/HST

1шт.

13

SBA399233711

COLLAR

1шт.

14

SBA322560300

SHAFT

Gear, Back

1шт.

15

279592

BALL BEARING,20mm ID x 47mm OD x 14mm W

1шт.

16

300647

SNAP RING,M47, Int

1шт.

17

SBA322512310

SHAFT

Drive, FWD

1шт.

18

SBA322342230

GEAR,22 T

Slide A, FWD w/9x3 w/HST

1шт.

19

SBA040106303

BALL BEARING

1шт.

20

SBA040106004

BALL BEARING

1шт.

21

SBA050202220

SEAL

FWD, Shaft Externally

1шт.

22

SBA322371010

GEAR

Counter A

1шт.

23

SBA040106304

BALL BEARING,20mm ID x 52mm OD x 15mm W

1шт.

24

SBA399235060

COLLAR

1шт.

25

SBA040156304

BEARING ASSY

1шт.

26

NLS

NO LONGER SERVICED

Ring, Snap, Ext, M25

1шт.

27

SBA399212320

SPACER

Used with Ref. 1 SBA322571482

1шт.

Выбрано товаров: 29