Запчасти Case IH DX33 (03.09) - FRONT TRANSMISSION GEARS W/9 X 3 PTO SHAFT (03) - TRANSMISSION

Схема запчастей Case IH DX33 - (03.09) - FRONT TRANSMISSION GEARS W/9 X 3 PTO SHAFT (03) - TRANSMISSION
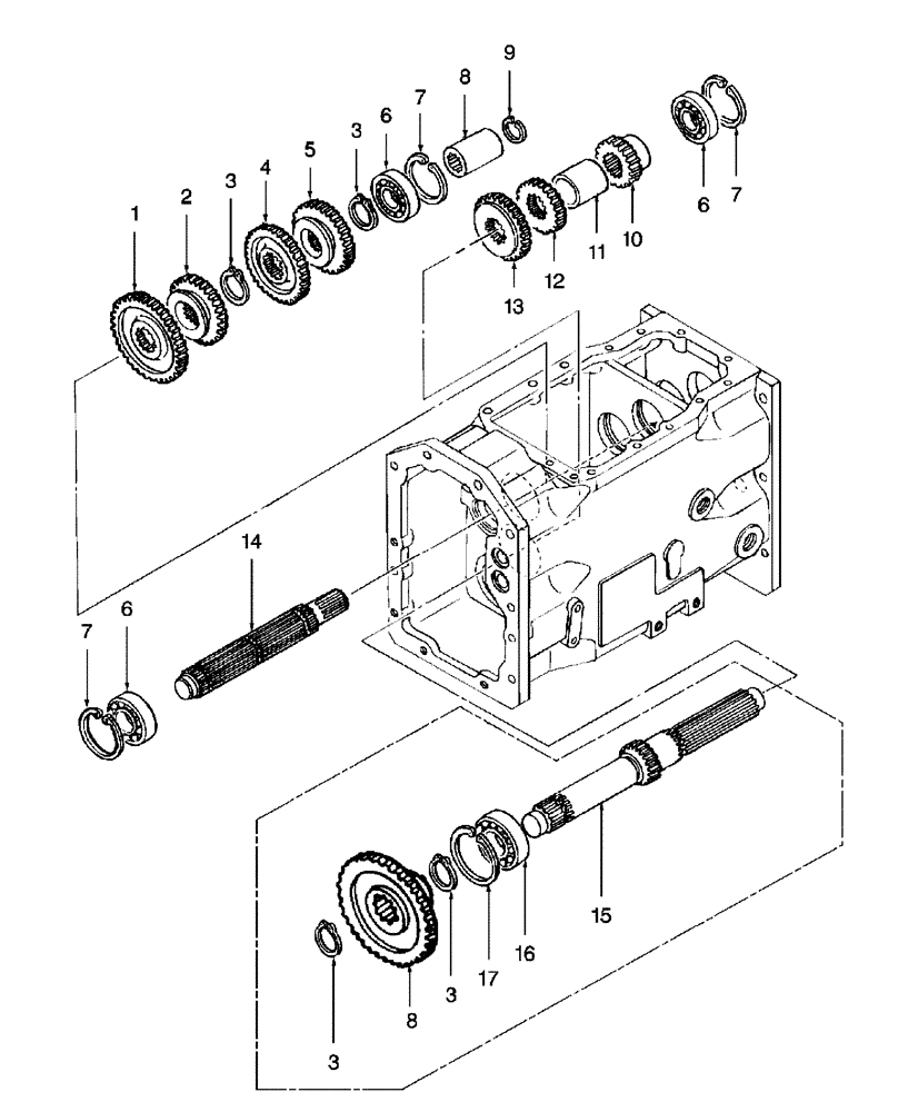
10
7
11
7
14
9
15
5
8
3
6
6
17
7
3
3
16
6
3
1
13
4
12
2
8
FIT
1:1
100%

Артикул

Название

Примечание

Количество

1

SBA322341320

GEAR,31 T

Slide A, 1st

1шт.

2

SBA322341460

GEAR,23 T

Slide A, 3rd

1шт.

3

370003

SNAP RING,M30, External

4шт.

4

SBA322341450

GEAR,27 T

Slide A, 2nd

1шт.

5

SBA322341470

GEAR,24 T

Slide A, Reverse

1шт.

6

210041

BALL BEARING,25mm ID x 52mm OD x 15mm W

3шт.

7

33915

SNAP RING,2.062", Int, #206

3шт.

8

SBA322610070

COUPLING

1шт.

9

11058076

SNAP RING,M22, Int

1шт.

10

SBA322323560

GEAR,16 T

Fixing A, Reverse

1шт.

11

SBA399230890

COLLAR

1шт.

12

SBA322322941

GEAR,18 T

Fixing A, 2nd

1шт.

13

SBA322323570

GEAR,22 T

Fixing A, 3rd

1шт.

14

SBA322531051

COUNTERSHAFT

1шт.

15

SBA322531061

COUNTERSHAFT

Single, 20mm

1шт.

16

210064

BALL BEARING,30mm ID x 62mm OD x 16mm W

1шт.

17

370012

RING,M62, Internal

1шт.

18

SBA322323630

GEAR

41T

1шт.

Выбрано товаров: 18