Запчасти Case IH DX33 (03.19) - COLUMN SHIFT, W/9 X 3 (03) - TRANSMISSION

Схема запчастей Case IH DX33 - (03.19) - COLUMN SHIFT, W/9 X 3 (03) - TRANSMISSION
9
14
2
19
20
18
17
5
18
6
4
11
6
8
5
12
1
4
7
13
16
10
3
7
15
FIT
1:1
100%

Артикул

Название

Примечание

Количество

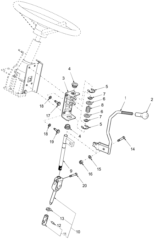
1

86524761

LEVER

1шт.

2

SBA398180880

KNOB

1шт.

3

86524953

BRACKET

1шт.

4

86524958

BUSHING

2шт.

5

V36698

SNAP RING,.825"

2шт.

6

140020

WASHER,17.5mm ID x 30mm OD x 3mm Thk

2шт.

7

505291

LOCKING RING,#62, .480" Dia, E-Type

2шт.

8

86524778

SPRING

Compression

1шт.

9

86524708

SHAFT

1шт.

10

SBA324040040

CONTROL SHAFT

Includes: Ref. 11 thru 13

1шт.

11

SBA398380240

UNIVERSAL JOINT

1шт.

12

SBA399611200

PIN

2шт.

13

370001

SNAP RING,M22, External

2шт.

14

86540990

SPECIAL BOLT,Hex, M10 x 42, Cl 8.8

1шт.

15

86543700

WASHER

M10

1шт.

16

100037

LOCK NUT,M10 x 1.5, Cl 8

1шт.

17

86511841

BOLT,Flng, M8 x 1.25 x 16mm, Full Thd, Cl 8.8

3шт.

18

492-11031

LOCK WASHER,5/16"

3шт.

19

9804258

BOLT,Hex, M8 x 1.25 x 20mm, Cl 8.8

1шт.

20

43234

BOLT,Hex, M8 x 1.25 x 25mm, Cl 10.9, Full Thd

1шт.

Выбрано товаров: 20