Запчасти Case IH DX33 (07D02) - GEARS, FRONT TRANSMISSION, W/HST (03) - TRANSMISSION

Схема запчастей Case IH DX33 - (07D02) - GEARS, FRONT TRANSMISSION, W/HST (03) - TRANSMISSION
6
4
7
3
5
13
26
6
19
19
5
15
1
13
12
24
3
4
22
10
20
17
4
22
16
8
25
23
21
18
11
2
10
14
9
FIT
1:1
100%

Артикул

Название

Примечание

Количество

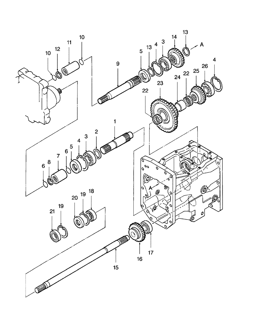
1

SBA322513390

SHAFT

Drive, Comes Out Of HST

1шт.

(1) - Comes out of HST

1шт.

2

SBA399260650

THRUST WASHER

Washer, Thrust

1шт.

3

210041

BALL BEARING,25mm ID x 52mm OD x 15mm W

Bearing, Ball

2шт.

4

33915

SNAP RING,2.062", Int, #206

Ring, Snap, Int, 2.050"

3шт.

5

SBA050209073

SEAL

Oil

2шт.

6

SBA052100210

O-RING

P21

2шт.

7

SBA322611120

COUPLING

1шт.

8

11058076

SNAP RING,M22, Int

Ring, Snap

1шт.

9

SBA322512300

SHAFT

Drive, Comes Out Of HST

1шт.

(1) - Comes out of HST

1шт.

10

SBA052100160

O-RING

P16

2шт.

11

SBA322611110

COUPLING

1шт.

12

SBA036500018

SNAP RING

Ring, Snap

1шт.

13

370002

CIRCLIP,M25, External

Ring, Snap, Ext, M25, CS025

2шт.

14

SBA322324770

GEAR

Fixing, 26t

1шт.

15

SBA322512280

SHAFT

Drive, FWD, Drives The FWD

1шт.

(2) - Drives the FWD

1шт.

16

SBA322341310

GEAR

Slide A

1шт.

17

SBA040106303

BALL BEARING

Bearing, Ball

1шт.

18

SBA040106004

BALL BEARING

BEARING, BALL

1шт.

19

300645

SNAP RING,M42, Int

RING, SNAP, M42, Int

2шт.

20

SBA050209074

SEAL

Oil

1шт.

21

300313

BALL BEARING

Bearing, Ball

1шт.

22

SBA042200228

BEARING ASSY

Bearing, Needle

2шт.

23

SBA322382360

GEAR

Counter, 50 x 18T

1шт.

24

SBA399233720

COLLAR

1шт.

25

SBA322325340

GEAR

Fixing A

1шт.

26

SBA040106304

BALL BEARING,20mm ID x 52mm OD x 15mm W

BEARING, BALL

1шт.

Выбрано товаров: 29